GENOA SYSTEMS CORPORATION
SUPERSPECTRUM 4650
|
Card Type |
Video/Parallel card |
|
Video Chip Set |
Unidentified |
|
Maximum Video Memory |
Unidentified |
|
Video Types Supported |
Monochrome, CGA |
|
Highest Resolution Supported |
1056 x 200 |
|
Data Bus |
8-bit ISA |
|
CONNECTIONS | |||
|
Function |
Label |
Function |
Label |
|
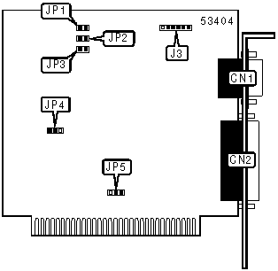
9-pin video port |
CN1 |
Light pen interface |
J3 |
|
25-pin printer port |
CN2 | ||
|
USER CONFIGURABLE SETTINGS | |||
|
Function |
Label |
Position | |
|
Printer port configured as LPT 1 |
JP4 |
Pins 2 & 3 closed | |
|
Printer port configured as LPT 2 |
JP4 |
Pins 1 & 2 closed | |
|
Printer port disabled |
JP4 |
Open | |
| » |
Printer port IRQ 7 enabled |
JP5 |
Pins 2 & 3 closed |
|
Printer port IRQ 5 enabled |
JP5 |
Pins 1 & 2 closed | |
| » |
SuperSpectrum enabled |
JP3 |
Open |
|
SuperSpectrum disabled |
JP3 |
Closed | |
|
Note:When using monochrome and color adapter in one system JP3 should be open. When using two SuperSpectrum adapters in one system JP3 should be open for the first adapter and close for the second. | |||
|
DISPLAY SELECTION | ||
|
Display type |
JP1 |
JP2 |
|
IBM monochrome (MDA or Hercules) |
Closed |
Open |
|
IBM monochrome (CGA double scan emulation) |
Closed |
Closed |
|
Multifrequency (CGA double scan) |
Open |
Closed |
|
IBM color (CGA) |
Open |
Open |