ACER, INC.
ENHANCED GRAPHICS CARD (P/N 49.05211.003)
|
Card Type |
Video card |
|
Video Chip Set |
Unidentified |
|
Highest Resolution Supported |
640 x 200 |
|
Maximum Video Memory |
256KB DRAM (location unidentified) |
|
Data Bus |
8-bit ISA |
|
Video Types Supported |
EGA |
|
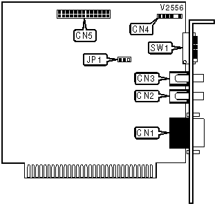
CONNECTIONS | |||
|
Function |
Label |
Function |
Label |
|
9-pin analog video port |
CN1 |
Light Pen connector |
CN4 |
|
RCA connector |
CN2 |
Feature connector |
CN5 |
|
RCA connector |
CN3 | ||
|
USER CONFIGURABLE SETTINGS | |||
|
Function |
Label |
Position | |
| » |
Factory configured - do not alter |
JP1 |
pins 1&2 closed |
|
Intelligent mode selection enabled |
SW1/5 |
On | |
|
Intelligent mode selection disabled |
SW1/5 |
Off | |
| » |
Factory configured - do not alter |
SW1/6 |
N/A |
|
MONITOR SELECTION | ||||
|
Type |
SW1/1 |
SW1/2 |
SW1/3 |
SW1/4 |
|
Monochrome |
Off |
Off |
On |
Off |
|
Standard RGB |
Off |
Off |
Off |
On |
|
Enhanced RGB |
Off |
On |
On |
Off |