INTERLOGIC INDUSTRIES
A104-VFM
|
Modem Type |
Data/Fax/Voice |
|
Maximum Data Rate |
2400 bps |
|
Maximum Fax Rate |
9600 bps |
|
Data Bus |
PC/104 |
|
Fax Class |
Unidentified |
|
Data Modulation Protocol |
Bell 103A & 212A, CCITT V.22 |
|
Fax Modulation Protocol |
Unidentified |
|
Error Correction/Compression |
CCITT V.42 & V.42bis, MNP 5 |

|
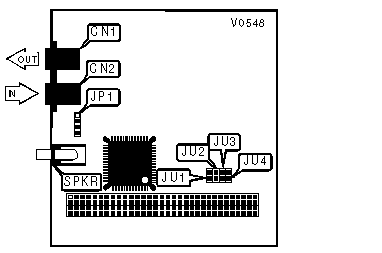
CONNECTIONS | |||
|
Purpose |
Location |
Purpose |
Location |
|
Line out |
CN1 |
Speaker jack |
SPKR |
|
Line in |
CN2 | ||
|
COM PORT SETTINGS | ||||
|
COM |
JU1 |
JU2 |
JU3 |
JU4 |
|
COM1 |
Open |
Open |
Closed |
Open |
|
COM2 |
Closed |
Open |
Open |
Closed |
|
COM3 |
Open |
Closed |
Closed |
Open |
|
COM4 |
Closed |
Closed |
Open |
Closed |
|
CONNECTOR JP1 | |
|
Purpose |
Location |
|
Pair 2 Tip & Ring |
JP1 Pins 1 & 4 |
|
Pair 1 Tip & Ring |
JP1 Pins 2 & 3 |
|
S14 -BIT MAPPED CONFIGURATION REGISTER | |||
|
Value Range: |
Bit-mapped | ||
|
Default: |
1 | ||
|
Type: |
Read/Write | ||
|
In Stored Profile?: |
Yes | ||
|
Description: |
Bit Mapped Configuration Register | ||
|
Bit |
Value |
Function | |
|
0 |
0 |
Not used | |
|
1 |
í 10 |
Enable: Command echo (E1) Disable: Command echo (E0) | |
|
2 |
í 01 |
Enable: Result codes (Q0) Disable: Result codes (Q1) | |
|
3 |
í 10 |
Set result codes to word (V1) Set result codes to digit (V0) | |
|
4 |
0 |
Not used | |
|
5 |
í 10 |
Set to Pulse dial (P) Set to Tone Dial (T) | |
|
6 |
0 |
Not used | |
|
7 |
í 10 |
Enable: Originate mode Enable: Answer mode | |
|
S21 -BIT MAPPED CONFIGURATION REGISTER | |||
|
Value Range: |
Bit-mapped | ||
|
Default: |
1 | ||
|
Type: |
Read/Write | ||
|
In Stored Profile?: |
Yes | ||
|
Description: |
Bit Mapped Configuration Register | ||
|
Bit |
Value |
Function | |
|
0 |
0 |
Not used | |
|
1 |
0 |
Not used | |
|
2 |
0 |
Not used | |
|
3 & 4 |
í 0001 10 11 |
Sets modem to ignore DTR (&D0) ON-to-OFF transition on DTR forces the modem to enter the command mode (&D1) ON-to-OFF transition on DTR forces the modem to hang up (&D2) ON-to-OFF transition on DTR forces the modem to reset (&D3) | |
|
5 |
í 01 |
Enable: DCD always ON (&C0) DCD checks the actual state of the data carrier (&C1) | |
|
6 |
0 |
Not used | |
|
7 |
í 01 |
Disable: Long Space Disconnect (Y0) Enable: Long Space Disconnect (Y1) | |
|
S22 -BIT MAPPED CONFIGURATION REGISTER | |||
|
Value Range: |
Bit-mapped | ||
|
Default: |
1 | ||
|
Type: |
Read/Write | ||
|
In Stored Profile?: |
Yes | ||
|
Description: |
Bit Mapped Configuration Register | ||
|
Bit |
Value |
Function | |
|
0 & 1 |
í 1000 01 11 |
Speaker volume set to medium (l1) Speaker volume set to low (l0) Speaker volume set to low (l1) Speaker volume set to high (l3) | |
|
2 & 3 |
í 0100 10 11 |
Enable: Speaker on until carrier detected (M1) Disable: Speaker (M0) Enable: Speaker always on (M2) Enable: Speaker on until carrier detected but Off during dialing (M3) | |
|
4 & 5 & 6 |
í 111000 100 101 110 |
Enable: fourth extended result code set (X4) Enable: basic result code set (x0) Enable: first extended result code set (X1) Enable: second extended result code set (X2) Enable: third extended result code set (X3) | |
|
7 |
í 01 |
Set Make/Break ratio is 39/61 for USA (&P0) Set Make/Break ratio is 33/67 for UK/HK (&P1) | |
|
S23 - BIT MAPPED CONFIGURATION REGISTER | |||
|
Value Range: |
Bit-mapped | ||
|
Default: |
1 | ||
|
Type: |
Read/Write | ||
|
In Stored Profile?: |
Yes | ||
|
Description: |
Bit Mapped Configuration Register | ||
|
Bit |
Value |
Function | |
|
0 |
í 10 |
Disable: Accept request from remote modem for a remote digital loopback (&T5) Enable: Accept request from remote modem for a remote digital loopback (&T4) | |
|
1 & 2 & 3 |
000 001 010 011 100 101 |
300 bps 600 bps 1200 bps 2400 bps 4800 bps 9600 bps | |
|
4 & 5 |
00 01 10 11 |
Enable: Even parity. Enable: Space parity. Enable: Odd parity. Enable: Mark parity. | |
|
6 |
í 0001 10 11 |
Disable: Guard tone (&G0) Enable: 550 Hz guard tone (&G2) Enable: 1800 Hz guard tone (&G2) Not used | |
|
S27 -BIT MAPPED CONFIGURATION REGISTER | |||
|
Value Range: |
Bit-mapped | ||
|
Default: |
1 | ||
|
Type: |
Read/Write | ||
|
In Stored Profile?: |
Yes | ||
|
Description: |
Bit Mapped Configuration Register | ||
|
Bit |
Value |
Function | |
|
0 |
0 |
Not used | |
|
1 |
0 |
Not used | |
|
2 |
0 |
Not used | |
|
3 |
0 |
Not used | |
|
4 |
0 |
Not used | |
|
5 |
0 |
Not used | |
|
6 |
í 10 |
Enable: Bell 212A with 1200bps, Bell 103 with 300bps (B1) Enable: CCITT V.22 with 1200bps; V.21 with 300bps (B0) | |
|
7 |
0 |
Not used | |