ACER, INC.

FM56PVS-DL

Card Type

Modem/Fax (asynchronous)

Chip Set

Unidentified

I/O Options

Line in, line out, microphone in, speaker out

Maximum Modem Rate

56Kbps

Maximum Fax Rate

14.4Kbps

Data Modulation Protocol

Bell 103A/212A

ITU-T V.21, V.22, V.23, V.22bis, V.32, V.32bis, V.34, K56flex

Fax Modulation Protocol

ITU-T V.17, V.21CH2, V.27ter, V.29

Error Correction/Compression

ITU-T V.42, ITU-T V.42bis, MNP5

Fax Class

Class I

Data Bus

8-bit ISA

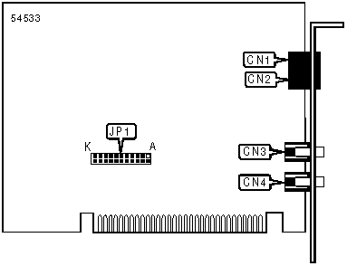
CONNECTIONS

Function

Label

Function

Label

Line out

CN1

Microphone in

CN3

Line in

CN2

Speaker out

CN4

SERIAL PORT ADDRESS

Setting

JP1A

JP1B

COM1 (3F8h)

On

On

COM2 (2F8h)

On

Off

COM3 (3E8h)

Off

On

í COM4 (2E8h)

Off

Off

INTERRUPT SELECTION

IRQ

JP1/C

JP1/D

JP1/E

JP1/F

JP1/G

í 3

Closed

Open

Open

Open

Open

4

Open

Closed

Open

Open

Open

5

Open

Open

Closed

Open

Open

7

Open

Open

Open

Closed

Open

9

Open

Open

Open

Open

Closed

10

Open

Open

Open

Open

Open

11

Open

Open

Open

Open

Open

12

Open

Open

Open

Open

Open

15

Open

Open

Open

Open

Open

 

INTERRUPT SELECTION CONTINUED

IRQ

JP1/H

JP1/I

JP1/J

JP1/K

í 3

Open

Open

Open

Open

4

Open

Open

Open

Open

5

Open

Open

Open

Open

7

Open

Open

Open

Open

9

Open

Open

Open

Open

10

Closed

Open

Open

Open

11

Open

Closed

Open

Open

12

Open

Open

Closed

Open

15

Open

Open

Open

Closed

SUPPORTED COMMAND SET

Basic AT Commands

AT, ‘+++’, A/

A, B, E, H, M, O, P, Q, S, T, V, X, Y, Z

&C, &M, &P, &Q, &R, &W, &Y, &Z

Extended AT Commands

\A, \G, \K, \N, \V,

%C, %E, %L, %Q, %7, %8

S Registers

S0, S1, S2, S3, S4, S5, S6, S7, S8, S9, S10, S11, S12, S16, S18, S21, S24, S25, S29, S30, S31,

S32, S33, S38, S91, S92, S201

Special Commands

+MS?, +H, "V, -K, _SEC, #CLS, #MFR, #MDL, #REV, #VBQ, #VCI

#VSD, #VRX, #VSK

Note: See MHI Help File for full command documentation.

Proprietary AT Command Set

AUTO-MODE DETECTION

Type:

Configuration

Format:

AT [cmds] Nn [cmds]

Description:

Selects various options for the automatic detection and negotiation of protocols during the handshake process if the modem is communicating with a remote modem of dissimilar speed.

Command

Function

N0

Auto-mode detection disabled

N1

Auto-mode detection enabled

CONFIGURATION PROFILES

Type:

Immediate

Format:

AT [cmds] &V [cmds]

Description:

Displays active and stored configuration profiles

Command

Function

&V1

Display last connection status

 

DATA SET READY (DSR)

Type:

Configuration

Format:

AT [cmds] &Sn [cmds]

Description:

Selects DSR options

Command

Function

&S0

DSR forced high

&S1

DSR high only while modem is connected

DATA TERMINAL READY (DTR)

Type:

Configuration

Format:

AT [cmds] &Dn [cmds]

Description:

Selects modem response to DTR

Note: The action each variant of &D causes depends on the setting of &Q

&Q Setting

&D0

&D1

&D2

&Q0, &Q5, &Q6

NONE

Command 3

Command 3

&Q1, &Q4

Command 1

Command 3

Command 3

&Q2, &Q3

Command 2

Command 2

Command 2

Command

Function

Command 0

Modem does not respond to DTR

Command 1

Modem goes to command mode after DTR goes is off

Command 2

Modem goes to command mode and disconnects (hangs up) after DTR goes off; Auto-Answer is disabled.

Command 3

Modem is initialized after DTR goes off

DIAL

Type:

Immediate

Format:

AT [cmds] D<#> [cmds]

Description:

Dials telephone number according to any modifiers included in the string

Note:

Any combination of modifiers can be used to produce the desired dial functions in sequence.

Command

Function

DP

Pulse dialing enabled

DS=n

Dial stored telephone number n

DT

Tone dialing enabled/Pulse dialing disabled

DW

Dialing resumed following dial tone detection

D,

Dialing paused for amount of time specified in S8 register

D*

Dials the star digit on tone dialing mode

D#

Dials the gate digit on tone dialing mode

D!

Flash function initiated. Modem commanded to go off-hook for specified time before returning on-hook.

D;

Modem returned to idle state after dialing. The semicolon can only be placed at the end of the dial command.

FACTORY DEFAULT PROFILE

Type:

Configuration

Format:

AT [cmds] &F [cmds]

Description:

Sets values in active profile to values found in the default profile

Command

Function

&F0

Restore factory configuration 0

&F1

Restore factory configuration 1

FLOW CONTROL

Type:

Configuration

Format:

AT [cmds] &Kn [cmds]

Description:

Enables flow control options

Command

Function

&K0

Flow control disabled

&K3

RTS to CTS flow control enabled

&K4

XON/XOFF flow control enabled

&K5

Transparent XON/XOFF flow control enabled

&K6

RTS/CTS & XON/XOFF flow control enabled

GUARD TONE

Type:

Configuration

Format:

AT [cmds] &Gn [cmds]

Description:

Commands the modem to transmit a guard tone in V.22/V.22bis

Note: Used primarily for international data transmission

Command

Function

&G0

Guard tone disabled

&G1

Guard tone disabled

&G2

1800Hz guard tone enabled

MNP10 - FALLBACK

Type:

Configuration

Format:

AT [cmds] -Qn [cmds]

Note:

This command is included only for compatibility and performs no function.

MNP10 - LINK NEGOTIATION

Type:

Configuration

Format:

AT [cmds] *Hn [cmds]

Note:

Included only for compatibility and performs no function

MNP10 - POWER LEVEL ADJUST

Type:

Configuration

Format:

AT [cmds] )Mn [cmds]

Note:

This command is included only for compatibility and performs no function.

PLUG AND PLAY SERIAL NUMBER

Type:

Configuration

Format:

AT [cmds] %7 [cmds]

Description:

Sets and stores plug and play serial number.

PLUG AND PLAY VENDOR ID AND PRODUCT NUMBER

Type:

Configuration

Format:

AT [cmds] %8 [cmds]

Description:

Sets and stores plug and play vendor ID and product number.

 

 

 

REPORT INFORMATION

Type:

Immediate

Format:

AT [cmds] In [cmds]

Description:

Displays information requested

Command

Function

I0

Reports product code

I1

Reports ROM checksum (normally "255")

I2

Reports "OK"

I3

Reports firmware revision (VX.XXX)

I4

Reports OEM defined identifier string

I5

Reports country code parameter

I6

Reports modem data pump model and internal code revision

I7

Reports "255"

SPEAKER VOLUME

Type:

Configuration

Format:

AT [cmds] Ln [cmds]

Description:

Controls speaker volume

Command

Function

L0

Low volume setting

L1

Low volume setting

L2

Medium volume setting

L3

Highest volume setting

TEST MODES

Type:

Immediate

Format:

AT [cmds] &Tn

Description:

Selects test options

Command

Function

&T0

End current test

&T1

Begin local analog loopback test

&T2

Returns ERROR

&T3

Begin local digital loopback

&T4

Grant remote digital loopback request

&T5

Deny remote digital loopback request

&T6

Request remote digital loopback

&T7

Request remote digital loopback and self-test

&T8

Begin local analog loopback and self-test

TONE GENERATOR LENGTH

Format

AT [cmds] #VBT=n [cmds]

Default:

10

Range:

0 - 40

Unit:

0.1 second

Description:

Sets the length of DTMF tones that are generated.

Command

Function

#VBT0

Disables the tone generation capability

#VBT1

Sets tone duration time to .1 second

TRANSMISSION LEVEL - CELLULAR

Type:

Configuration

Format:

AT [cmds] @Mn [cmds]

Range:

11-31

Unit:

-1dBm

Note:

This command is included only for compatibility and performs no function.

V.32 - COMPROMISE EQUALIZER

Type:

Configuration

Format:

AT [cmds] :En [cmds]

Note:

This command is included only for compatibility and performs no function.

V.32 OR V.34 MODULATION

Type:

Configuration

Format:

AT [cmds] "Vn [cmds]

Description:

Controls modulation for V.32 or V.34

Command

Function

"V.32"

V.32 or V.32bis modulation

"V.34"*

V.34 modulation

VOICE - DISPLAY COMPRESSION TYPE

Type:

Immediate

Format:

AT [cmds] #VCI? [cmds]

Description:

Displays the type of compression currently in use.

VOICE - LOCAL SERIAL PORT SPEED

Type:

Configuration

Format:

AT [cmds] #BDR=n [cmds]

Description:

Sets the speed of the local serial port when in voice mode.

Command

Function

#BDR=0

Autobank selected

#BDR=1

Set speed to 2400bps

#BDR=2

Set speed to 4800bps

#BDR=4

Set speed to 9600bps

#BDR=6

Set speed to 14.4Kbps

#BDR=8

Set speed to 19.2Kbps

#BDR=12

Set speed to 28.8Kbps

#BDR=16

Set speed to 38.4Kbps

#BDR=24

Set speed to 57.6Kbps

VOICE BUFFER SPACE

Type:

Configuration

Format:

AT [cmds] #VSK=n [cmds]

Default:

255

Range:

0 - 255

Unit:

1 byte

Description:

Sets the amount of data the modem can send into the buffer after the XOFF signal is sent.

VOICE DEVICE

Type:

Configuration

Format:

AT [cmds] #VLS=n [cmds]

Description:

Selects the I/O device for the DSP chip.

Note:

This modem may not support all options listed below. The #VLS? Command will display the available options.

Command

Function

í #VLS=0

Telephone line and handset used for voice I/O.

#VLS=1

Telephone handset used for voice I/O.

#VLS=2

Internal speaker only used for voice I/O.

#VLS=3

External microphone only used for voice I/O.

#VLS=4

Telephone line and handset used for voice I/O; internal speaker enabled.

VOICE RECEIVE

Type:

Configuration

Format:

AT [cmds] #VRX=n [cmds]

Description:

Commands the modem to begin receiving voice data.

VOICE RE-RING DETECT TIME

Type:

Configuration

Format:

AT [cmds] #VRA=n [cmds]

Default:

70

Range:

0-255

Unit:

10 mS

Description:

Sets the maximum time the modem will wait for the remote station to ring again before it assumes that it has gone off-hook.

Command

Function

#VRA=0

Ringback goes away timer disabled

VOICE RING DETECT TIME

Type:

Configuration

Format:

AT [cmds] #VRN=n [cmds]

Default:

Unidentified

Range:

Unidentified

Unit:

Unidentified

Description:

Sets the maximum time the modem will wait for the remote station to ring before it assumes that it went off-hook before it rang.

Command

Function

#VRN=0

Disables voice ring detect time

 

 

 

 

 

 

 

 

 

 

VOICE SAMPLE QUALITY

Type:

Configuration

Format:

AT [cmds] #VBS=n [cmds]

Description:

Selects the number of bits per sample that the modem records.

Note:

This modem may not support all options listed below. The #VBS? Command will display the available options.

Command

Function

#VBS=2

Modem records 2 bits per sample in ADPCM encoding.

#VBS=3

Modem records 3 bits per sample in ADPCM encoding.

î #VBS=4

Modem records 4 bits per sample in ADPCM encoding.

S(status) -REGISTERS

BIT-MAPPED REGISTER S14

Format:

AT [cmds] S14=n [cmds]

Range:

0-174

Unit:

Bit-mapped

Description:

Controls echo, result codes and display, dial mode, and answer/originate mode.

Bit

Value

Function

0

0

Not used

1

0

1

Command echo disabled

Command echo enabled

2

0

1

Result codes enabled

Result codes disabled

3

0

1

Display result codes in numeric format

Display result codes in verbose format

5

0

1

Tone dial enabled

Pulse dial enabled

6

0

Not used

7

0 1

Answer mode enabled

Originate mode enabled

BIT-MAPPED REGISTER S19

Format

AT [cmds] S19=n [cmds]

Default:

0, 0, 0, 0

Range:

0-253

Unit:

Bit-mapped

Description:

Selects communications protocol, address detection, NRZ mode, and idle indicator.

Bit

Value

Function

1

0

1

Selects BSC format

Selects HDLC format

2

0

1

Address detection disabled

Address detection enabled

3

0

1

NRZI coding enabled

NRZ coding enabled

4

0

1

Mark idle

Flag or sync idle

 

 

AUTOSYNC

Type:

Register

Format

AT [cmds] S20=n [cmds]

Default:

0

Range:

0-255

Unit:

ASCII

Description:

Selects the AutoSync HDLC address or BSC sync character

BIT-MAPPED REGISTER S22

Format

AT [cmds] S22=n [cmds]

Range:

0-255

Unit:

Bit-mapped

Description:

Controls speaker volume and controls, limits results codes, and pulse dial make/break ratio.

Bit

Value

Function

1, 0

00

01

10

11

Off volume

Low level volume

Medium level volume

High level volume

3, 2

00

01

10

11

Speaker off

Speaker off on carrier

Speaker always on

Speaker on during handshake

6 - 4

000

100

101

110

111

Basic result codes only enabled

Basic and connection speed result codes enabled

Basic and connection speed result codes and dialtone detection enabled

All result codes except dialtone detection enabled

All result codes enabled

 

 

 

 

 

 

 

 

 

 

 

 

 

 

 

 

 

 

 

 

 

 

 

BIT-MAPPED REGISTER S23

Format

AT [cmds] S23=n [cmds]

Range:

0-189

Unit:

Bit-mapped

Description:

Grants/denies remote digital loopback, controls DTE rate and parity, and sets guard tone.

Bit

Value

Function

0

0

1

Remote digital loopback denied

Remote digital loopback allowed

3 - 1

000

001

010

011

100

101

110

Sets serial port speed to 0-300bps

Sets serial port speed to 1200bps

Sets serial port speed to 2400bps

Sets serial port speed to 4800bps

Sets serial port speed to 9600bps

Sets serial port speed to 19200bps

Sets serial port speed to 38400bps

5, 4

00

01

10

11

Parity even

Space Parity

Parity odd

Mark or No Parity

7, 6

00

01

10

Guard tone disabled

Guard tone disabled

Guard tone 1800Hz enabled

BIT-MAPPED REGISTER S27

Format

AT [cmds] S27=n [cmds]

Range:

0-111

Unit:

Bit-mapped

Description:

Selects ITU-T/Bell modes.

Bit

Value

Function

1

0

Not used

2

0

Not used

3

0

Not used

4

0

Not used

5

0

Not used

6

0

1

ITU/T mode

Bell mode

 

 

 

 

 

 

 

 

 

 

 

 

 

BIT-MAPPED REGISTER S28

Format

AT [cmds] S28=n [cmds]

Range:

0-31

Unit:

Bit-mapped

Description:

Controls pulse dialing and MNP link speed.

Bit

Value

Function

0

0

Not used

1

0

Not used

2

0

Not used

4, 3

00

01

10

11

39ms make/61ms break at 10pps

33ms make/67ms break at 10pps

39ms make/61ms break at 20pps

33ms make/67ms break at 20pps

5

0

Not used

7, 6

00

01

10

Highest speed

1200bps

4800bps

ERROR CORRECTION NEGOTIATION

Type:

Register

Format

AT [cmds] S36=n [cmds]

Description:

Selects the action of the modem if it fails to connect with the error-correction protocol set in &Q.

Command

Function

S36=0

Hang up

S36=1

Attempt a direct connection

S36=3

Attempt a buffered connection

S36=4

Attempt a connection at MNP2-4; if that fails, hang up.

S36=5

Attempt a connection at MNP2-4; if that fails, attempt a direct connection.

S36=7

Attempt a connection at MNP2-4; if that fails, attempt a buffered connection.

 

 

 

 

 

 

 

 

 

 

 

 

 

 

 

 

 

 

 

 

 

DCE LINE SPEED

Type:

Register

Format

AT [cmds] S37=n [cmds]

Description:

Sets the maximum allowable data exchange rate attempted during handshake process.

Command

Function

S37=0

Auto-detect mode

S37=1-3

300bps

S37=5

V.22 1200bps

S37=6

V.22bis 2400bps

S37=7

V.23

S37=8

V.32bis or V.32 4800bps

S37=9

V.32bis or V.32 9600bps

S37=10

V.32bis 12000bps

S37=11

V.32bis 14400bps

S37=12

V.32bis 7200bps

S37=15

V.FC 14400

S37=16

V.FC 16800

S37=17

V.FC 19200

S37=18

V.FC 21600

S37=19

V.FC 24000

S37=20

V.FC 24600

S37=21

V.FC 28800

FLOW CONTROL

Type:

Register

Format

AT [cmds] S39? [cmds]

Description:

Displays the current flow control

Value

Meaning

0

Flow control disabled

3

RTS/CTS flow control enabled (&K3, Default)

4

XON/XOFF flow control enabled (&K4)

5

Transparent XON/XOFF flow control enabled (&K5)

6

Both methods (&K6)

 

 

 

 

 

 

 

 

 

 

 

 

 

 

BIT-MAPPED REGISTER S40

Format

AT [cmds] S40=n [cmds]

Range:

0-255

Unit:

Bit-mapped

Description:

Controls power level and break handling; selects MNP extended services, link negotiation, and block size.

Bit

Value

Function

0, 1

00

01

10

MNP Extended Services disabled

MNP Extended Services enabled

MNP Extended Services enabled

2

0

1

Power level adjustment enabled

Power level adjustment disabled

4

0

Not used

5, 3

000

001

010

011

100

101

AT\K0

AT\K1

AT\K2

AT\K3

AT\K4

AT\K5

7, 6

00

01

10

11

MNP block size is 64 characters

MNP block size is 128 characters

MNP block size is 192 characters

MNP block size is 256 characters

BIT-MAPPED REGISTER S41

Format

AT [cmds] S41=n [cmds]

Range:

0-31

Unit:

Bit-mapped

Description:

Selects compression, auto-retrain, flow control, MNP mode, and fallback mode.

Bit

Value

Function

1, 0

00

01

10

11

Data compression disabled

MNP5 enabled

V.42bis enabled

MNP5 and V.42bis enabled

6, 2

00

01

10

Auto-retrain disabled

Auto-retrain enabled

Fallback/Fall forward enabled

3

0

1

Flow control disabled

Flow control enabled

4

0

1

Stream mode for MNP

Block mode for MNP

5

0

Not used

6

0

Not used

7

0

1

Fallback disabled

Fallback enabled

 

 

 

 

 

ERROR CORRECTION/COMPRESSION

Type:

Register

Format:

AT [cmds] S46=n [cmds]

Description:

Selects active error correction and compression protocols

Command

Function

S46=136

LAP-M only, no compression

S46=138

LAP-M with V.42bis data compression

FEATURE NEGOTIATION OPTIONS

Type:

Register

Format:

AT [cmds] S48=n [cmds]

Description:

Selects active error correction and compression protocols

Command

Function

S48=0

Detection negotiation disabled, XID negotiation disabled

S48=7

Detection negotiation and XID negotiation enabled

S48=128

Fall-back to options set in S36

BREAK OPTIONS

Type:

Register

Format

AT [cmds] S82=n [cmds]

Note:

This register for compatibility purposes only and performs no function.

CONNECTION FAILURE CODES

Type:

Register

Format

AT [cmds] S86? [cmds]

Description:

Reports codes which correspond to the possible causes of a connection failure

Value

Meaning

0

Normal hang up

4

Carrier signal lost

5

No error-control detected for remote modem during feature negotiation

9

No common protocol found

12

No failure - remote modem disconnected normally

13

Remote modem failed to respond after 10 re-transmissions same message

14

Violation of negotiated protocol caused failure

CELLULAR TRANSMIT LEVEL

Type:

Register

Format

AT [cmds] S201=n [cmds]

Range:

0-255

Unit:

Bit-mapped

Description:

Works in combination with the @Mn and :En commands to support cellular connection.

Bit

Value

Function

0 - 4

@Mn

Initial power level setting

5

:En

Compromise equalizer enable command