ADDTRON TECHNOLOGY CO., LTD.
ARF-3314V/SP
|
Card Type |
Modem (synchronous/asynchronous) |
|
Chipset |
Unidentified |
|
I/O Options |
Microphone in, speaker out, voice |
|
Maximum Data Rate |
33.6Kbps |
|
Maximum Fax Rate |
14.4Kbps |
|
Data Modulation |
Unidentified |
|
Fax Modulation |
Unidentified |
|
Error Correction/Compression |
MNP5, MNP10EC, V.42, V.42bis |
|
Fax Class |
Class I |
|
Data Bus |
16-bit ISA |
|
Card Size |
Full height, half length |

|
CONNECTIONS | |||
|
Function |
Label |
Function |
Label |
|
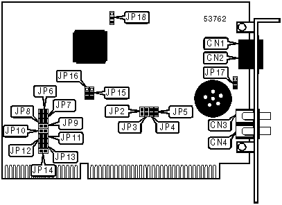
Telephone line out |
CN1 |
Microphone in |
CN3 |
|
Telephone line in |
CN2 |
Speaker out |
CN4 |
|
USER CONFIGURABLE SETTINGS | ||
|
Setting |
Label |
Position |
|
í Factory configured - do not alter |
JP8 |
Open |
|
í Factory configured - do not alter |
JP9 |
Open |
|
í Factory configured - do not alter |
JP10 |
Open |
|
í Factory configured - do not alter |
JP11 |
Open |
|
í Factory configured - do not alter |
JP12 |
Open |
|
í Factory configured - do not alter |
JP13 |
Open |
|
í Factory configured - do not alter |
JP14 |
Open |
|
Internal audio amplifier enabled |
JP17 |
Pins 2 & 3 closed |
|
Internal audio amplifier disabled |
JP17 |
Pins 1 & 2 closed |
|
Microphone jack used for voice |
JP18 |
Pins 1 & 2 closed |
|
Microphone jack used for music on hold |
JP18 |
Pins 2 & 3 closed |
|
PLUG-N-PLAY | ||
|
Setting |
JP15 |
JP16 |
|
Disabled |
Pins 1 & 2 closed |
Pins 1 & 2 closed |
|
Enabled |
Pins 2 & 3 closed |
Pins 2 & 3 closed |
Note: If Plug-N-Play mode is enabled, all other jumper settings must also be set for Plug-N-Play. | ||
|
SERIAL PORT ADDRESS SELECTION | ||||
|
Setting |
JP2 |
JP3 |
JP4 |
JP5 |
|
3F8h (COM1:) |
Closed |
Open |
Closed |
Open |
|
2F8h (COM2:) |
Open |
Closed |
Closed |
Open |
|
3E8h (COM3:) |
Closed |
Open |
Open |
Closed |
|
3E8h (COM4:) |
Open |
Closed |
Open |
Closed |
|
Plug-N-Play |
Open |
Open |
Open |
Open |
|
INTERRUPT SELECTION | ||
|
Setting |
JP6 |
JP7 |
|
3 |
Closed |
Open |
|
4 |
Open |
Closed |
|
Plug-N-Play |
Open |
Open |
|
SUPPORTED STANDARD COMMANDS |
|
Basic AT Commands |
|
+++, ‘comma’, A/ |
|
A, B, D, E, H, L, M, N, O, P, Q, T, V, W, X, Y, Z |
|
&C, &D, &F, &G, &J, &K, &P, &Q, &R, &S, &T, &V, &W, &Y, &Z |
|
Extended AT Commands |
|
\A, \B, \N, \V |
|
%C, %E, %L, %Q, %TT |
|
Special AT Commands |
|
#CID, -K |
|
S-Registers |
|
S0, S1, S2, S3, S4, S5, S6, S7, S8, S9, S10, S11, S12, S14, S16, S18, S21, S22, S23, S25, S27 |
|
S30, S31, S32, S33, S37 |
Note: See MHI help file for complete information. |
|
IS-101 COMMANDS |
|
-S Commands |
|
-DTP, -SAC, -SCD, -SDA, -SDS, -SER, -SFX, -SIC, -SIP, -SMT, -SQR, -SSQ, -SSR, -SVV |
Note: The functions of the IS-101 commands are unidentified. |
Proprietary AT Command Set
|
BREAK TYPE | |
|
Type: |
Configuration |
|
Format: |
AT [cmds] \Kn [cmds] |
|
Description: |
Configures action of break signal. |
|
Command |
Function |
|
\K0 |
Online command mode enabled, break not sent to remote modem. |
|
\K1 |
Break sent to remote modem and buffers cleared. |
|
\K2 |
Online command mode enabled, break not sent to remote modem. |
|
\K3 |
Break sent to remote modem immediately. |
|
\K4 |
Online command mode enabled, break not sent to remote modem. |
|
\K5 |
Break sent with transmitted data. |
|
DISPLAY CHIPSET MANUFACTURER | |
|
Type: |
Immediate |
|
Format: |
AT [cmds] #MFR? [cmds] |
|
Description: |
Displays the voice chipset manufacturer’s name. |
|
DISPLAY CHIPSET MODEL NAME | |
|
Type: |
Immediate |
|
Format: |
AT [cmds] #MDL? [cmds] |
|
Description: |
Displays the model name of the modem's voice chipset. |
|
DISPLAY CHIPSET REVISION | |
|
Type: |
Immediate |
|
Format: |
AT [cmds] #REV? [cmds] |
|
Description: |
Displays the revision level of the modem's voice chipset. |
|
DISPLAY INFORMATION | |
|
Type: |
Immediate |
|
Format: |
AT [cmds] In [cmds] |
|
Description: |
Displays information requested about the modem. |
|
Command |
Function |
|
I0 |
Displays product identification code. |
|
I1 |
Displays chip firmware revision. |
|
I2 |
Tests and displays ROM checksum result. |
|
I3 |
Displays chipset manufacturer. |
|
I4 |
Displays chipset configuration. |
|
I5 |
Displays reserved chipset configuration. |
|
I6 |
Displays country code. |
|
I7 |
Displays board firmware revision. |
|
I8 |
Displays firmware features. |
|
MNP10EC MODE | ||
|
Type: |
Configuration | |
|
Format: |
AT [cmds] -SEC=n [cmds] | |
|
Description: |
Selects whether the modem will attempt to use MNP10EC mode during the handshaking sequence. | |
|
Command |
Function | |
|
-SEC=0 |
MNP10EC handshaking disabled unless a V.34 connection is attempted via a cellular line. | |
|
í -SEC=1 |
MNP10EC handshaking enabled. | |
|
MODE SELECTION | |
|
Type: |
Immediate |
|
Format: |
AT [cmds] #CLS=n [cmds] |
|
Description: |
Selects which mode the modem will operate in. |
|
Command |
Function |
|
#CLS=0 |
Modem will operate in data mode. |
|
#CLS=1 |
Modem will operate in fax class 1 mode. |
|
#CLS=8 |
Modem will operate in voice mode. |
|
TONE DETECTION | |||||
|
Format: |
AT [cmds] #VTD=x,y,z [cmds] | ||||
|
Default: |
x ,y,z 63 | ||||
|
Range: |
0 - 63 | ||||
|
Description: |
Sets which tones the tone detection will report. | ||||
|
Note: |
The value of x sets the tone detection modes in voice transmit mode, y sets them in voice receive mode, and z sets them in voice command mode. | ||||
|
Bit |
Value |
Function | |||
|
0 |
0 í 1 |
DTMF tones are not detected. DTMF tones are detected. | |||
|
1 |
0 í 1 |
V.25 1300Hz calling tone is not detected. V.25 1300Hz calling tone is detected. | |||
|
2 |
0 í 1 |
T.30 1100Hz fax tone is not detected. T.30 1100Hz fax tone is detected. | |||
|
3 |
0 í 1 |
V.25/T.30 2100Hz answer tone is not detected. V.25/T.30 2100Hz answer tone is detected. | |||
|
4 |
0 í 1 |
Bell 2225Hz answer tone is not detected. Bell 2225Hz answer tone is detected. | |||
|
5 |
0 í 1 |
Call progress tones are not detected. Call progress tones are detected. | |||
|
TONE GENERATOR - DIRECT ENTRY | |
|
Type: |
Immediate |
|
Format: |
AT [cmds] #VTS=[m, n, x] |
|
Range: |
m 200-3000, n 200-3000, x 0-255 |
|
Unit: |
m 1 Hz, n 1 Hz, x .1 second |
|
Description: |
Generates a dual-frequency tone for duration x at frequencies m and n. |
|
TONE GENERATOR - TIMED PHONE KEYS | |
|
Type: |
Immediate |
|
Format: |
AT [cmds] #VTS={a, n} |
|
Range: |
a 0-9, A-D, #, *; x 0-255 |
|
Unit: |
x .1 second |
|
Description: |
Generates the DTMF tone for duration x for the character a. |
|
TONE GENERATOR - PHONE KEYS | |
|
Type: |
Immediate |
|
Format: |
AT [cmds] #VTS=a |
|
Range: |
0-9, A-D, #, * |
|
Description: |
Generates the DTMF tones for the characters in the string for the duration set with +VBT. |
|
TONE GENERATOR LENGTH | |
|
Format |
AT [cmds] #VBT=n [cmds] |
|
Default: |
10 |
|
Range: |
0 - 40 |
|
Unit: |
0.1 second |
|
Description: |
Sets the length of DTMF tones that are generated. |
|
VOICE BUFFER SPACE | |
|
Type: |
Configuration |
|
Format: |
AT [cmds] #VSK=n [cmds] |
|
Default: |
255 |
|
Range: |
0 - 255 |
|
Unit: |
1 byte |
|
Description: |
Sets the amount of data the modem can send into the buffer after the XOFF signal is sent. |
|
VOICE DEVICE | |
|
Type: |
Configuration |
|
Format: |
AT [cmds] #VLS=n [cmds] |
|
Description: |
Selects the I/O device for the DSP chip. |
|
Note: |
This modem may not support all options listed below. The #VLS? command will display the available options. |
|
Command |
Function |
|
í #VLS=0 |
Telephone line and handset used for voice I/O. |
|
#VLS=1 |
Telephone handset used for voice I/O. |
|
#VLS=2 |
Internal speaker only used for voice I/O. |
|
#VLS=3 |
External microphone only used for voice I/O. |
|
#VLS=4 |
Telephone line and handset used for voice I/O; internal speaker enabled. |
|
#VLS=5 |
Headset used for voice I/O. |
|
#VLS=6 |
Speakerphone used for voice I/O. |
|
#VLS=7 |
Handset muted by disconnecting handset or speakerphone from telephone line. |
|
#VLS=8 |
Connects caller ID relay for recording of conversation over handset. |
|
#VLS=9 |
Connects handset (or speakerphone) to DSP chip for recording or playback. |
|
VOICE - DISPLAY BUFFER SIZE | |
|
Type: |
Immediate |
|
Format: |
AT [cmds] #VBQ? [cmds] |
|
Description: |
Displays the size of the voice buffer. |
|
VOICE - DISPLAY COMPRESSION TYPE | |
|
Type: |
Immediate |
|
Format: |
AT [cmds] #VCI? [cmds] |
|
Description: |
Displays the type of compression currently in use. |
|
VOICE - LOCAL SERIAL PORT SPEED | |
|
Type: |
Configuration |
|
Format: |
AT [cmds] #BDR=n [cmds] |
|
Default: |
0 |
|
Range: |
0 - 48 |
|
Unit: |
2400bps |
|
Description: |
Sets the speed of the local serial port when in voice mode. A value of 0 indicates that the modem should auto-detect the correct serial port speed. |
|
VOICE RE-RING DETECT TIME | |
|
Type: |
Configuration |
|
Format: |
AT [cmds] #VRA=n [cmds] |
|
Default: |
70 |
|
Range: |
0 -255 |
|
Unit: |
10 mS |
|
Description: |
Sets the maximum time the modem will wait for the remote station to ring again before it assumes that it has gone off-hook. |
|
VOICE RECEIVE | |
|
Type: |
Immediate |
|
Format: |
AT [cmds] #VRX |
|
Description: |
Commands the modem to begin receiving voice data. |
|
VOICE RING DETECT TIME | |
|
Type: |
Configuration |
|
Format: |
AT [cmds] #VRN=n [cmds] |
|
Default: |
70 |
|
Range: |
0 - 255 |
|
Unit: |
.1 second |
|
Description: |
Sets the maximum time the modem will wait for the remote station to ring before it assumes that it went off-hook before it rang. |
|
VOICE SAMPLE QUALITY | |
|
Type: |
Configuration |
|
Format: |
AT [cmds] #VBS=n [cmds] |
|
Description: |
Selects the number of bits per sample that the modem records. |
|
Note: |
This modem may not support all options listed below. The #VBS? command will display the available options. |
|
Command |
Function |
|
#VBS=2 |
Modem records 2 bits per sample in ADPCM encoding. |
|
#VBS=3 |
Modem records 3 bits per sample in ADPCM encoding. |
|
í #VBS=4 |
Modem records 4 bits per sample in ADPCM encoding. |
|
#VBS=8 |
Modem records 8 bits per sample in PCM encoding. |
|
#VBS=16 |
Modem records 16 bits per sample in PCM encoding. |
|
VOICE SAMPLING RATE | |
|
Type: |
Configuration |
|
Format: |
AT [cmds] #VSR=n [cmds] |
|
Description: |
Sets the sampling rate used when recording voice signals. |
|
Command |
Function |
|
í #VSR=7200 |
Selects a sampling rate of 7.2KHz. |
|
#VSR=8000 |
Selects a sampling rate of 8KHz. |
|
#VSR=11025 |
Selects a sampling rate of 11.025KHz in PCM encoding only. |
|
VOICE SILENCE DETECTION TIME | |
|
Type: |
Configuration |
|
Format: |
AT [cmds] #VSP=n [cmds] |
|
Default: |
55 |
|
Range: |
0 - 255 |
|
Unit: |
.1 second |
|
Description: |
Sets the minimum amount of silence that the modem will detect. |
|
VOICE SILENCE DETECTION THRESHOLD | |
|
Type: |
Configuration |
|
Format: |
AT [cmds] #VSS=n [cmds] |
|
Description: |
Sets the threshold of sensitivity that the modem uses to determine silence detection. |
|
Command |
Function |
|
#VSS=0 |
Silence detection disabled. |
|
#VSS=1 |
Minimum silence detection sensitivity. |
|
#VSS=2 |
Standard silence detection sensitivity. |
|
#VSS=3 |
Maximum silence detection sensitivity. |
|
VOICE TIMING MARK | ||
|
Type: |
Configuration | |
|
Format: |
AT [cmds] #VTM=n [cmds] | |
|
Description: |
Configures timing mark placement. | |
|
Command |
Function | |
|
#VTM=0 |
Timing marks disabled. | |
|
#VTM=1 |
Timing marks enabled. | |
|
VOICE TRANSMISSION LEVEL | |
|
Type: |
Configuration |
|
Format: |
AT [cmds] #TL=hhhh [cmds] |
|
Default: |
3FFF |
|
Range: |
0000 - 7FFF |
|
Unit: |
Unidentified (hexadecimal) |
|
Description: |
Sets the transmission level for sending audio in voice mode. |
|
VOICE TRANSMIT | |
|
Type: |
Immediate |
|
Format: |
AT [cmds] #VTX |
|
Description: |
Commands the modem to begin transmitting voice data. |
|
VOICE VOLUME LEVEL | ||
|
Type: |
Configuration | |
|
Format: |
AT [cmds] #VGT=n [cmds] | |
|
Description: |
Sets the volume level when playing back audio signals. | |
|
Command |
Function | |
|
#VGT=128 |
Low volume setting. | |
|
í #VGT=129 |
Medium volume setting. | |
|
#VGT=130 |
High volume setting. | |
|
#VGT=131 |
Highest volume setting. | |