ADTRAN
ISU 2X64
|
Card Type |
ISDN TA/Modem |
|
Chip Set |
Unidentified |
|
I/O Options |
Dial ports (2) |
|
ISDN Transfer Rate |
56/64Kbps x 2 |
|
Data Bus |
External |
|
ISDN Protocol |
SAP, T-Link, V.120, Bonding |
|
Switch Type |
5ESS, NI-1, DMS-100, NEC |

|
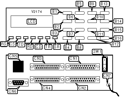
CONNECTIONS | ||||||
|
Function |
Label |
Function |
Label | |||
|
ENTER button |
B1 |
3 button |
B13 | |||
|
UP button |
B2 |
6 button |
B14 | |||
|
DOWN button |
B3 |
9 button |
B15 | |||
|
CANCEL button |
B4 |
# button |
B16 | |||
|
1 button |
B5 |
RS-366 port for dialing on port 1 |
CN1 | |||
|
4 button |
B6 |
RS-232/422 port 1 |
CN2 | |||
|
7 button |
B7 |
RS-366 port for dialing on port 2 |
CN3 | |||
|
* button |
B8 |
RS-232/422 port 2 |
CN4 | |||
|
2 button |
B9 |
Line out |
CN5 | |||
|
5 button |
B10 |
Diagnostic port (not used) |
CN6 | |||
|
8 button |
B11 |
120V AC power |
CN7 | |||
|
0 button |
B12 |
Power switch |
SW1 | |||
|
DIAGNOSTIC LED(S) | |||
|
LED |
Color |
Status |
Condition |
|
RS |
Green |
On |
RTS signal is high |
|
RS |
Green |
Off |
RTS signal is low |
|
CS |
Green |
On |
CTS signal is high |
|
CS |
Green |
Off |
CTS signal is low |
|
TD |
Green |
On |
DSU is transmitting data |
|
TD |
Green |
Off |
DSU is not transmitting data |
|
RD |
Green |
On |
DSU is receiving data |
|
RD |
Green |
Off |
DSU is not receiving data |
|
CD |
Green |
On |
Carrier signal detected |
|
CD |
Green |
Off |
Carrier signal not detected |
|
TR |
Green |
On |
DTR signal is high |
|
TR |
Green |
Off |
DTR signal is low |
|
SR |
Green |
On |
DSR signal is high |
|
SR |
Green |
Off |
DSR signal is low |
Proprietary AT Command Set
|
AUTO-ANSWER | ||
|
Type: |
Register | |
|
Format: |
AT [cmds] S0=n [cmds] | |
|
Description: |
Selects whether the TA can auto-answer incoming calls. | |
|
Command |
Function | |
|
S0=0 |
Auto-answer disabled. | |
|
S0=1 |
Auto-answer enabled. | |
|
S0=2 |
Ignore all calls. | |
|
BIT-MAPPED REGISTER S14 | |||
|
Format: |
AT [cmds] S14=n [cmds] | ||
|
Default: |
Unidentified | ||
|
Range: |
60 | ||
|
Description: |
Controls command echo, result codes, and serial port speed locking. | ||
|
Bit |
Value |
Function | |
|
1-0 |
00 |
Not used. | |
|
2 |
0 1 |
Command echo enabled. Command echo disabled. | |
|
3 |
0 1 |
Result codes enabled. Result codes disabled. | |
|
4 |
0 1 |
Result codes in numeric form. Result codes in verbose form. | |
|
BONDED CALL | ||
|
Type: |
Register | |
|
Format: |
AT [cmds] S59=n [cmds] | |
|
Description: |
Selects whether the TA will attempt to make a bonded call. | |
|
Command |
Function | |
|
S59=3 |
Call bonding disabled. | |
|
S59=5 |
Call bonding enabled. | |
|
BONDED CALL - ANSWERING TIMEOUT | |
|
Type: |
Register |
|
Format: |
AT [cmds] S44=n [cmds] |
|
Default: |
10 |
|
Range: |
0 - 255 |
|
Unit: |
1 second |
|
Description: |
Sets the time when answering a call that the TA will wait for the remote TA to send the bond negotiation before it disconnects. |
|
BONDED CALL - CAPACITY TIMEOUT | |
|
Type: |
Register |
|
Format: |
AT [cmds] S45=n [cmds] |
|
Default: |
5 |
|
Range: |
0 - 255 |
|
Unit: |
1 second |
|
Description: |
Sets the time that the TA will wait to agree with the remote TA on channel capacities before it disconnects. |
|
BONDED CALL - EQUALIZATION TIMEOUT | |
|
Type: |
Register |
|
Format: |
AT [cmds] S43=n [cmds] |
|
Default: |
50 |
|
Range: |
0 - 255 |
|
Unit: |
1 second |
|
Description: |
Sets the time that the TA will wait for the two channels of a bonded call to be equalized before it disconnects. |
|
BONDED CALL - FRAME PATTERN TIMEOUT | |
|
Type: |
Register |
|
Format: |
AT [cmds] S41=n [cmds] |
|
Default: |
10 |
|
Range: |
0 - 255 |
|
Unit: |
1 second |
|
Description: |
Sets the time that the TA will wait during the bond frame pattern before it disconnects. |
|
BONDED CALL - ORIGINATION TIMEOUT | |
|
Type: |
Register |
|
Format: |
AT [cmds] S40=n [cmds] |
|
Default: |
10 |
|
Range: |
0 - 255 |
|
Unit: |
1 second |
|
Description: |
Sets the time when originating a call that the TA will wait for the remote TA to send the bond negotiation before it disconnects. |
|
BONDED CALL - SECOND CALL TIMEOUT | |
|
Type: |
Register |
|
Format: |
AT [cmds] S42=n [cmds] |
|
Default: |
50 |
|
Range: |
0 - 255 |
|
Unit: |
1 second |
|
Description: |
Sets the time that the TA will wait for the second call of a bonded call to be completed before it disconnects. |
|
CALL TYPE | ||
|
Type: |
Register | |
|
Format: |
AT [cmds] S53=n [cmds] | |
|
Description: |
Selects what type of call is to be made. | |
|
Command |
Function | |
|
S53=0 |
Speech call. | |
|
S53=1 |
Audio call. | |
|
S53=2 |
56Kbps data call. | |
|
S53=3 |
64Kbps data call. | |
|
S53=5 |
128Kbps data call. | |
|
CD SIGNAL | ||
|
Type: |
Register | |
|
Format: |
AT [cmds] S33=n [cmds] | |
|
Description: |
Controls the behaviour of the CD signal. | |
|
Command |
Function | |
|
S33=0 |
CD forced high. | |
|
S33=1 |
CD normal. | |
|
S33=2 |
CD forced low on disconnect. | |
|
S33=3 |
CD forced low when not connected. | |
|
CLOCK SOURCE | ||
|
Type: |
Register | |
|
Format: |
AT [cmds] S76=n [cmds] | |
|
Description: |
Selects where the TA derives the transmit clock. | |
|
Command |
Function | |
|
S76=0 |
TA uses internal clock source. | |
|
S76=1 |
DTE generates clock source. | |
|
CLOCK SOURCE - ISDN | ||
|
Type: |
Register | |
|
Format: |
AT [cmds] S51=n [cmds] | |
|
Description: |
Selects where the TA derives the ISDN U clock. | |
|
Command |
Function | |
|
S51=0 |
TA uses network as clock source. | |
|
S51=1 |
TA generates clock source. | |
|
COMMAND SETS | ||
|
Type: |
Immediate | |
|
Format: |
AT [cmds] S55=n [cmds] | |
|
Description: |
Selects the command set that will be used. | |
|
Command |
Function | |
|
S55=0 |
Command sets disabled. | |
|
S55=1 |
Dial port only enabled. | |
|
S55=2 |
AT command set enabled. | |
|
S55=3 |
V.25bis command set enabled. | |
|
CTS SIGNAL | ||
|
Type: |
Register | |
|
Format: |
AT [cmds] S30=n [cmds] | |
|
Description: |
Controls the behaviour of the CTS signal. | |
|
Command |
Function | |
|
S30=0 |
CTS follows RTS. | |
|
S30=1 |
CTS forced high. | |
|
DATA LENGTH | ||
|
Type: |
Configuration | |
|
Format: |
AT [cmds] S72=n [cmds] | |
|
Description: |
Selects the length of the data word. | |
|
Command |
Function | |
|
S72=0 |
8 bit word length. | |
|
S72=1 |
7 bit word length. | |
|
DATA PARITY | ||
|
Type: |
Configuration | |
|
Format: |
AT [cmds] S73=n [cmds] | |
|
Description: |
Selects the format of the parity bit. | |
|
Command |
Function | |
|
S73=0 |
No parity. | |
|
S73=1 |
Odd parity. | |
|
S73=2 |
Even parity. | |
|
DATA STOP | ||
|
Type: |
Configuration | |
|
Format: |
AT [cmds] S74=n [cmds] | |
|
Description: |
Selects the number of stop bits. | |
|
Command |
Function | |
|
S74=0 |
One stop bit. | |
|
S74=1 |
One and a half stop bits. | |
|
S74=2 |
Two stop bits. | |
|
DIAL PORT DELAY TIMER | ||
|
Type: |
Register | |
|
Format: |
AT [cmds] S47=n [cmds] | |
|
Description: |
Sets the amount of time the dial port will wait before assuming the user is finished entering the number to dial. | |
|
Command |
Function | |
|
S47=0 |
Wait for EON signal only. | |
|
S47=10 |
Wait 1 second. | |
|
S47=20 |
Wait 2 second. | |
|
S47=50 |
Wait 5 second. | |
|
S47=100 |
Wait 10 second. | |
|
S47=200 |
Wait 20 second. | |
|
DSR SIGNAL | ||
|
Type: |
Configuration | |
|
Format: |
AT [cmds] &Sn [cmds] | |
|
Description: |
Controls the behaviour of the DSR signal. | |
|
Command |
Function | |
|
&S0 |
DSR forced high. | |
|
&S1 |
DSR normal. | |
|
&S2 |
DSR forced low when there is no connection. | |
|
&S3 |
DSR forced low in Dialup mode. | |
|
DSR SIGNAL | ||
|
Type: |
Register | |
|
Format: |
AT [cmds] S32=n [cmds] | |
|
Description: |
Controls the behaviour of the DSR signal. | |
|
Command |
Function | |
|
S32=0 |
DSR forced high. | |
|
S32=1 |
DSR normal. | |
|
S32=2 |
DSR forced low when there is no connection. | |
|
DTR SIGNAL | ||
|
Type: |
Register | |
|
Format: |
AT [cmds] S34=n [cmds] | |
|
Description: |
Controls the behaviour of the DTR signal. | |
|
Command |
Function | |
|
S34=0 |
DTR forced high. | |
|
S34=1 |
TA enters command mode when DTR goes low. | |
|
S34=2 |
TA hangs up and returns to command mode when DTR goes low. | |
|
S34=4 |
TA hangs up on an incoming call and returns to command mode when DTR goes low. | |
|
S34=8 |
TA hangs up on an outgoing call and returns to command mode when DTR goes low. | |
|
ECHO TONE | ||
|
Type: |
Register | |
|
Format: |
AT [cmds] S56=n [cmds] | |
|
Description: |
Selects whether an echo tone will be used. | |
|
Command |
Function | |
|
S56=0 |
Echo tone disabled. | |
|
S56=1 |
Echo tone enabled on answer only. | |
|
S56=2 |
Echo tone enabled on originate only. | |
|
S56=3 |
Echo tone enabled. | |
|
FLOW CONTROL TYPE | ||
|
Type: |
Configuration | |
|
Format: |
AT [cmds] \Qn [cmds] | |
|
Description: |
Selects the type of flow control that will be used. | |
|
Command |
Function | |
|
\Q0 |
Flow control disabled. | |
|
\Q1 |
Bidirectional XON/XOFF flow control enabled. | |
|
\Q2 |
CTS flow control enabled. | |
|
\Q3 |
RTS/CTS flow control enabled. | |
|
FLOW CONTROL TYPE | ||
|
Type: |
Register | |
|
Format: |
AT [cmds] S75=n [cmds] | |
|
Description: |
Selects the type of flow control that will be used. | |
|
Command |
Function | |
|
S75=0 |
Flow control disabled. | |
|
S75=1 |
XON/XOFF flow control from DTE enabled. | |
|
S75=2 |
XON/XOFF flow control from TA enabled. | |
|
S75=3 |
RTS/CTS flow control enabled. | |
|
S75=12 |
Bidirectional XON/XOFF flow control enabled. | |
|
INCOMING CALLS | ||
|
Type: |
Register | |
|
Format: |
AT [cmds] S58=n [cmds] | |
|
Description: |
Selects which calls the TA will answer. | |
|
Command |
Function | |
|
S58=0 |
All calls will be answered. | |
|
S58=1 |
Only calls from stored numbers will be answered. | |
|
LDN | ||
|
Type: |
Configuration | |
|
Format: |
AT [cmds] _Nn [cmds] | |
|
Description: |
Selects which LDN will be used. | |
|
Command |
Function | |
|
_N0 |
Select LDN 1. | |
|
_N1 |
Select LDN 2. | |
|
LDN 1 SET | |
|
Type: |
Configuration |
|
Format: |
AT [cmds] SS62= <#> [cmds] |
|
Description: |
Sets the first LDN. |
|
LDN 2 SET | |
|
Type: |
Configuration |
|
Format: |
AT [cmds] SS63= <#> [cmds] |
|
Description: |
Sets the second LDN. |
|
LINE TYPE | ||
|
Type: |
Configuration | |
|
Format: |
AT [cmds] &Ln [cmds] | |
|
Description: |
Selects the type of line the TA is connected to. | |
|
Command |
Function | |
|
&L0 |
Standard dial-out ISDN. | |
|
&L1 |
Leased-line ISDN. | |
|
LINE TYPE | ||
|
Type: |
Configuration | |
|
Format: |
AT [cmds] S50=n [cmds] | |
|
Description: |
Selects the type of line the TA is connected to. | |
|
Command |
Function | |
|
S50=0 |
Standard dial-out ISDN. | |
|
S50=1 |
Leased-line ISDN. | |
|
LOCAL SERIAL PORT SPEED | ||
|
Type: |
Configuration | |
|
Format: |
AT [cmds] S71=n [cmds] | |
|
Description: |
Selects the speed of the serial port. | |
|
Command |
Function | |
|
S71=1 |
Selects 300bps speed. | |
|
S71=3 |
Selects 1200bps speed. | |
|
S71=6 |
Selects 2400bps speed. | |
|
S71=8 |
Selects 4800bps speed. | |
|
S71=11 |
Selects 9600bps speed. | |
|
S71=15 |
Selects 19.2Kbps speed. | |
|
S71=17 |
Selects 38.4Kbps speed. | |
|
S71=18 |
Selects 48Kbps speed. | |
|
S71=19 |
Selects 56Kbps speed. | |
|
S71=20 |
Selects 57.6Kbps speed. | |
|
S71=21 |
Selects 64Kbps speed. | |
|
S71=22 |
Selects 112Kbps speed. | |
|
S71=23 |
Selects 115.2Kbps speed. | |
|
S71=24 |
Selects 128.8Kbps speed. | |
|
LOOPBACK TEST | ||
|
Type: |
Register | |
|
Format: |
AT [cmds] S57=n [cmds] | |
|
Description: |
Selects what types of loopback test requests the TA will accept. | |
|
Command |
Function | |
|
S57=0 |
Loopback testing disabled. | |
|
S57=1 |
TA will perform DDS latching loopback test. | |
|
S57=2 |
TA will perform V.54 loopback test. | |
|
S57=3 |
TA will perform V.54 and DDS latching loopback tests. | |
|
PROTOCOL | ||
|
Type: |
Register | |
|
Format: |
AT [cmds] S54=n [cmds] | |
|
Description: |
Selects what type of protocol the TA will use. | |
|
Command |
Function | |
|
S54=1 |
TA will use clear channel. | |
|
S54=2 |
TA will use Bonding Mode 1. | |
|
S54=3 |
TA will use SAP. | |
|
S54=4 |
TA will use T-Link. | |
|
S54=6 |
TA will use V.120. | |
|
S54=9 |
TA will use 57.6Kbps asynchronous. | |
|
S54=11 |
TA will fall back to common protocol. | |
|
RESET TO FACTORY DEFAULTS | ||
|
Type: |
Immediate | |
|
Format: |
AT [cmds] &Fn [cmds] | |
|
Description: |
Resets the TA’s configuration to one of the factory default setups. | |
|
Command |
Function | |
|
&F0 |
Resets to default configuration. | |
|
&F1 |
Resets to 56Kbps synchronous setup. | |
|
&F2 |
Resets to 64Kbps synchronous setup. | |
|
&F3 |
Resets to 112Kbps synchronous setup. | |
|
&F4 |
Resets to 128Kbps synchronous setup. | |
|
&F5 |
Resets to 64Kbps leased-line setup. | |
|
&F6 |
Resets to 64Kbps LDM Master setup. | |
|
&F7 |
Resets to 57.6Kbps asynchronous setup. | |
|
&F8 |
Resets to 115.2Kbps asynchronous setup. | |
|
&F11 |
Resets to 57.6Kbps asynchronous setup with fallback. | |
|
RESULT CODES - SPEED | ||
|
Type: |
Register | |
|
Format: |
AT [cmds] S22=n [cmds] | |
|
Description: |
Selects whether CONNECT messages will display connect speed. | |
|
Command |
Function | |
|
S22=0 |
Speed will not be displayed. | |
|
S22=224 |
Speed will be displayed. | |
|
RTS TO CTS DELAY | ||
|
Type: |
Configuration | |
|
Format: |
AT [cmds] _Dn [cmds] | |
|
Description: |
Selects the delay when CTS follows RTS. | |
|
Command |
Function | |
|
_D0 |
Set delay to 1ms. | |
|
_D1 |
Set delay to 18ms. | |
|
RTS TO CTS DELAY | ||
|
Type: |
Register | |
|
Format: |
AT [cmds] S31=n [cmds] | |
|
Description: |
Selects the delay when CTS follows RTS. | |
|
Command |
Function | |
|
S31=0 |
Set delay to 1ms. | |
|
S31=1 |
Set delay to 18ms. | |
|
SPID | ||
|
Type: |
Configuration | |
|
Format: |
AT [cmds] _In [cmds] | |
|
Description: |
Selects which SPID will be used. | |
|
Command |
Function | |
|
_I0 |
Select SPID 1. | |
|
_I1 |
Select SPID 2. | |
|
SPID 1 SET | |
|
Type: |
Configuration |
|
Format: |
AT [cmds] SS60= <#> [cmds] |
|
Description: |
Sets the first SPID. |
|
SPID 2 SET | |
|
Type: |
Configuration |
|
Format: |
AT [cmds] SS61= <#> [cmds] |
|
Description: |
Sets the second SPID. |
|
STORE NUMBER IN MEMORY | |
|
Type: |
Register |
|
Format: |
AT [cmds] SS8n= <#> [cmds] |
|
Description: |
Stores a number in memory location n. |
|
SWITCH TYPE | ||
|
Type: |
Configuration | |
|
Format: |
AT [cmds] _Sn [cmds] | |
|
Description: |
Selects what type of switch the TA is connected to. | |
|
Command |
Function | |
|
_S0 |
5ESS switch type. | |
|
_S1 |
DMS100 switch type. | |
|
_S2 |
National type 1 switch. | |
|
_S3 |
NEC switch type. | |
|
SWITCH TYPE | ||
|
Type: |
Configuration | |
|
Format: |
AT [cmds] S52=n [cmds] | |
|
Description: |
Selects what type of switch the TA is connected to. | |
|
Command |
Function | |
|
S52=0 |
5ESS switch type. | |
|
S52=1 |
DMS100 switch type. | |
|
S52=2 |
National type 1 switch. | |
|
S52=3 |
NEC switch type. | |
|
SYNC/ASYNC MODE | ||
|
Type: |
Immediate | |
|
Format: |
AT [cmds] S70=n [cmds] | |
|
Description: |
Selects synchronous or asynchronous mode. | |
|
Command |
Function | |
|
S70=0 |
Selects asynchronous mode. | |
|
S70=1 |
Selects synchronous mode. | |
|
V.25bis MODE | ||
|
Type: |
Register | |
|
Format: |
AT [cmds] S46=n [cmds] | |
|
Description: |
Selects what format will be used for V.25bis mode. | |
|
Command |
Function | |
|
S46=0 |
Use asynchronous V.25bis. | |
|
S46=1 |
Use synchronous HDLC V.25bis. | |
|
S46=2 |
Use synchronous BISYNC V.25bis. | |