3COM CORPORATION
IMPACT (3C872, 3C877)
|
Card Type |
ISDN TA, modem (asynchronous) |
|
I/O Options |
Analog adapter (optional) |
|
Chipset |
Unidentified |
|
Maximum Data Rate |
14.4Kbps |
|
Maximum Fax Rate |
14.4Kbps |
|
Fax Class |
Unidentified |
|
Data Modulation Protocol |
Bell 103A, 212A ITU-T V.21, V.22, V.22bis, V.23, V.32, V.32bis |
|
Fax Modulation Protocol |
Unidentified |
|
Error Correction/Compression |
MNP5, MNP10, V.42, V.42bis, STAC |
|
ISDN Transfer Rate |
56Kbps x 2/64Kbps x 2 |
|
ISDN Protocol |
V.120, PPP |
|
Switch Type |
5ESS, DMS100, EWSD, NI-1 |
|
Data Bus |
Serial |

|
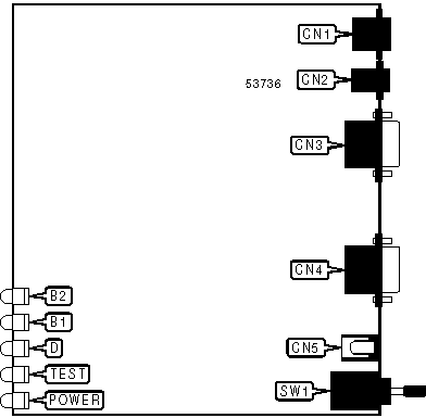
CONNECTIONS | ||||||
|
Function |
Label |
Function |
Label | |||
|
ISDN interface |
CN1 |
Serial port |
CN4 | |||
|
Analog adapter |
CN2 |
AC power in |
CN5 | |||
|
Serial port |
CN3 |
Power switch |
SW1 | |||
Note: CN2 may not be present on all models. | ||||||
|
DIAGNOSTIC LED(S) | |||
|
LED |
Color |
Status |
Condition |
|
B2 |
Green |
On |
Data call connected on B2 channel |
|
B2 |
Yellow |
On |
Voice call connected on B2 channel |
|
B2 |
Green |
Blinking |
TA is dialing data call on B2 channel |
|
B2 |
Yellow |
Blinking |
TA is dialing voice call on B2 channel |
|
B2 |
N/A |
Off |
B2 channel is not connected |
|
DIAGNOSTIC LED(S) (CON'T) | |||
|
LED |
Color |
Status |
Condition |
|
B1 |
Green |
On |
Data call connected on B1 channel |
|
B1 |
Yellow |
On |
Voice call connected on B1 channel |
|
B1 |
Green |
Blinking |
TA is dialing data call on B1 channel |
|
B1 |
Yellow |
Blinking |
TA is dialing voice call on B1 channel |
|
B1 |
N/A |
Off |
B1 channel is not connected |
|
D |
Yellow |
On |
Signal is not synchronized or ISDN line is not connected |
|
D |
Yellow |
Blinking |
Signal is synchronized but D-channel protocols not established |
|
D |
Yellow |
Off |
Signal is synchronized |
|
TEST |
Yellow |
On |
TA failed last test |
|
TEST |
Yellow |
Blinking |
TA is executing test |
|
TEST |
Yellow |
Off |
TA is not executing test |
|
POWER |
Yellow |
On |
Power is on |
|
POWER |
Yellow |
Off |
Power is off |
|
SUPPORTED STANDARD COMMANDS |
|
Basic AT Commands |
|
+++, A/ |
|
A, B, E, H, L, M, O, V, X, Z |
|
&D, &F, &G, &V, &W |
|
Extended AT Commands |
|
\A, \B, \G, \L, \N, \Q, \T |
|
%E, %L, %Q |
|
Special AT Commands |
|
*H, -K, -Q |
|
S-Registers |
|
S0 |
Note: See MHI help file for complete information. |
|
UNIDENTIFIED COMMANDS | |
|
Command |
Default |
|
S63 |
Unidentified |
Proprietary AT Command Set
|
CALL TYPE | |
|
Type: |
Register |
|
Format: |
AT [cmds] S61=n [cmds] |
|
Description: |
Selects the type of call the TA will make. |
|
Command |
Function |
|
í S61=0 |
TA will dial according to dial modifiers. |
|
S61=2 |
TA will place ISDN call. |
|
S61=3 |
TA will place modem call. |
|
DIAL | |
|
Type: |
Immediate |
|
Format: |
AT [cmds] D <#>;[cmds] |
|
Description: |
Dials the telephone number indicated according to any modifiers included in the string. |
|
Command |
Function |
|
D |
Dial number indicated with ISDN adapter. |
|
DP |
Dial number indicated in pulse dialing mode with modem. |
|
DT |
Dial number indicated in tone dialing mode with modem. |
|
PROTOCOL/SPEED | |
|
Type: |
Configuration |
|
Format: |
AT [cmds] Fn [cmds] |
|
Description: |
Selects the protocol and speed the modem will attempt to connect at. |
|
Command |
Function |
|
F0 |
Auto-detect the highest common connect speed. |
|
F1 |
Select V.21 or Bell 103 at 300bps speed. |
|
F3 |
Select V.23 at 75/1200bps speed. |
|
F4 |
Select V.22 or Bell 212A at 1200bps speed. |
|
F5 |
Select V.22bis at 2400bps speed. |
|
F6 |
Select V.32 or V.32bis at 4800bps speed. |
|
F7 |
Select V.32bis at 7200bps speed. |
|
F8 |
Select V.32bis or V.32 at 9600bps speed. |
|
F9 |
Select V.32bis at 12Kbps speed. |
|
F10 |
Select V.32bis at 14.4Kbps speed. |
See 3COM CORPORATION IMPACT (3C871) for a full command summary.