3COM CORPORATION
IMPACT (3C871, 3C876)
|
Card Type |
ISDN TA |
|
I/O Options |
Analog adapter (optional) |
|
Chipset |
Unidentified |
|
Error Correction/Compression |
STAC |
|
ISDN Transfer Rate |
56Kbps x 2/64Kbps x 2 |
|
ISDN Protocol |
V.120, PPP |
|
Switch Type |
5ESS, DMS100, EWSD, NI-1 |
|
Data Bus |
Serial |

|
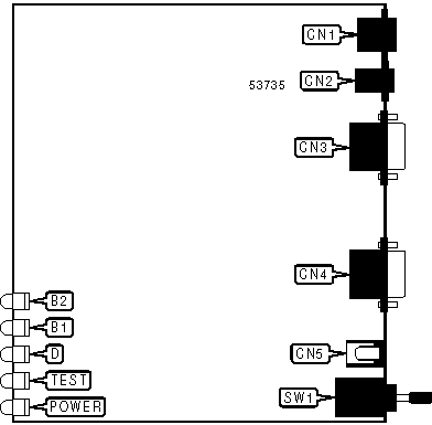
CONNECTIONS | ||||||
|
Function |
Label |
Function |
Label | |||
|
ISDN interface |
CN1 |
Serial port |
CN4 | |||
|
Analog adapter |
CN2 |
AC power in |
CN5 | |||
|
Serial port |
CN3 |
Power switch |
SW1 | |||
Note: CN2 may not be present on all models. | ||||||
|
DIAGNOSTIC LED(S) | |||
|
LED |
Color |
Status |
Condition |
|
B2 |
Green |
On |
Data call connected on B2 channel |
|
B2 |
Yellow |
On |
Voice call connected on B2 channel |
|
B2 |
Green |
Blinking |
TA is dialing data call on B2 channel |
|
B2 |
Yellow |
Blinking |
TA is dialing voice call on B2 channel |
|
B2 |
N/A |
Off |
B2 channel is not connected |
|
B1 |
Green |
On |
Data call connected on B1 channel |
|
B1 |
Yellow |
On |
Voice call connected on B1 channel |
|
B1 |
Green |
Blinking |
TA is dialing data call on B1 channel |
|
B1 |
Yellow |
Blinking |
TA is dialing voice call on B1 channel |
|
B1 |
N/A |
Off |
B1 channel is not connected |
|
DIAGNOSTIC LED(S) (CON'T) | |||
|
LED |
Color |
Status |
Condition |
|
D |
Yellow |
On |
Signal is not synchronized or ISDN is not connected |
|
D |
Yellow |
Blinking |
Signal is synchronized but D-channel protocols not established |
|
D |
Yellow |
Off |
Signal is synchronized |
|
TEST |
Yellow |
On |
TA failed last test |
|
TEST |
Yellow |
Blinking |
TA is executing test |
|
TEST |
Yellow |
Off |
TA is not executing test |
|
POWER |
Yellow |
On |
Power is on |
|
POWER |
Yellow |
Off |
Power is off |
|
SUPPORTED STANDARD COMMANDS |
|
Basic AT Commands |
|
+++, A/ |
|
A, D, E, H, O, V, Z |
|
&D, &F, &W |
|
Extended AT Commands |
|
\Q, \T |
|
S-Registers |
|
S0 |
Note: See MHI help file for complete information. |
Proprietary AT Command Set
|
CALL TYPE | |
|
Type: |
Register |
|
Format: |
AT [cmds] S61=n [cmds] |
|
Description: |
Selects the type of call the ISDN will make. This register has no function on these models. |
|
Command |
Function |
|
í S61=0 |
TA will dial according to dial modifiers. |
|
S61=2 |
TA will place ISDN call. |
|
CALLER ID - DATA | |
|
Type: |
Register (read-only) |
|
Format: |
AT [cmds] S66? [cmds] |
|
Description: |
Displays the Caller ID information for data calls. |
|
CALLER ID - VOICE | |
|
Type: |
Register (read-only) |
|
Format: |
AT [cmds] S65? [cmds] |
|
Description: |
Displays the Caller ID information for voice calls. |
|
DCD SIGNAL | |
|
Type: |
Configuration |
|
Format: |
AT [cmds] &Cn [cmds] |
|
Description: |
Controls the behaviour of the DCD signal. |
|
Command |
Function |
|
í &C0 |
DCD forced high. |
|
&C1 |
DCD forced high after carrier signal is detected. |
|
&C2 |
DCD forced high except at disconnect. |
|
DISPLAY FIRMWARE REViSION | |
|
Type: |
Immediate |
|
Format: |
AT [cmds] %V [cmds] |
|
Description: |
Displays the TA's firmware revision. |
|
DISPLAY INFORMATION | |
|
Type: |
Immediate |
|
Format: |
AT [cmds] In [cmds] |
|
Description: |
Displays information requested about the TA. |
|
Command |
Function |
|
I0 |
Displays product identification code. |
|
I1 |
Displays ROM checksum. |
|
I4 |
Displays numeric product identification code, precomputed checksum value, firmware revision, model name, interface type, country code, and data pump model. |
|
DISPLAY MODIFIED COMMANDS | |
|
Type: |
Immediate |
|
Format: |
AT [cmds] \S [cmds] |
|
Description: |
Displays the settings of all commands that have been modified. |
|
DISPLAY REGISTERS | |
|
Type: |
Immediate |
|
Format: |
AT [cmds] %R [cmds] |
|
Description: |
Displays the settings of all status registers. |
|
DYNAMIC BANDWIDTH ALLOCATION | |
|
Type: |
Register |
|
Format: |
AT [cmds] S70=n [cmds] |
|
Description: |
Selects whether dynamic bandwidth allocation will be used to allow simultaneous data and voice calls. |
|
Command |
Function |
|
S70=0 |
Dynamic bandwidth allocation disabled. |
|
í S70=1 |
Dynamic bandwidth allocation enabled. |
|
ENDPOINT DISCRIMINATOR | |
|
Type: |
Register |
|
Format: |
AT [cmds] S83=nnnn [cmds] |
|
Description: |
Sets the endpoint discriminator address for multipoint PPP systems. Up to twenty numbers may be specified. |
|
ENDPOINT DISCRIMINATOR CLASS | |
|
Type: |
Configuration |
|
Format: |
AT [cmds] S82=n [cmds] |
|
Description: |
Sets the endpoint discriminator class for multipoint PPP systems. |
|
Command |
Function |
|
S82=1 |
User-defined address. |
|
S82=2 |
IP address. |
|
S82=3 |
802.1 MAC address. |
|
S82=4 |
PPP magic number block. |
|
í S82=5 |
Public Switched Network Directory number. |
|
LINE SPEED | |
|
Type: |
Register |
|
Format: |
AT [cmds] S60=n [cmds] |
|
Description: |
Selects the line speed that the TA will attempt to connect at. |
|
Command |
Function |
|
í S60=56 |
TA will attempt to connect at 56Kbps. |
|
S60=64 |
TA will attempt to connect at 64Kbps. |
|
LOCAL SERIAL PORT SPEED | |
|
Type: |
Configuration |
|
Format: |
AT [cmds] $Bn [cmds] |
|
Description: |
Sets the speed that the TA will communicate with the DTE. |
|
Command |
Function |
|
í $B0 |
Auto-detects current serial port speed. |
|
$B1200 |
Sets the serial port to 1200bps. |
|
$B2400 |
Sets the serial port to 2400bps. |
|
$B4800 |
Sets the serial port to 4800bps. |
|
$B9600 |
Sets the serial port to 9600bps. |
|
$B19200 |
Sets the serial port to 19.2Kbps. |
|
$B38400 |
Sets the serial port to 38.4Kbps. |
|
$B57600 |
Sets the serial port to 57.6Kbps. |
|
$B115200 |
Sets the serial port to 115.2Kbps. |
|
MULTILINK PPP | |
|
Type: |
Register |
|
Format: |
AT [cmds] S80=n [cmds] |
|
Description: |
Selects whether the TA will use Multilink PPP. |
|
Command |
Function |
|
S80=0 |
Multilink PPP disabled. |
|
í S80=1 |
Multilink PPP enabled. |
|
MULTILINK PPP - SECOND PHONE NUMBER | |
|
Type: |
Register |
|
Format: |
AT [cmds] S81= <#> [cmds] |
|
Description: |
Sets the second phone number to be dialed when attempting to connect with multilink PPP. If this register is left blank then the number given with the D command will also be dialed for the second number. |
|
PHONE NUMBER 1 | |
|
Type: |
Register |
|
Format: |
AT [cmds] S51= <#> [cmds] |
|
Description: |
Sets the TA’s first phone number. |
|
PHONE NUMBER 2 | |
|
Type: |
Register |
|
Format: |
AT [cmds] S53= <#> [cmds] |
|
Description: |
Sets the TA’s second phone number. |
|
PROTOCOL - B-CHANNEL | |
|
Type: |
Register |
|
Format: |
AT [cmds] S71=n [cmds] |
|
Description: |
Selects the protocol the TA will use on the B channels. |
|
Command |
Function |
|
í S71=0 |
Auto-select common protocol. |
|
S71=1 |
TA will use PPP conversion. |
|
S71=2 |
TA will use V.120. |
|
RESULT CODES | |
|
Type: |
Configuration |
|
Format: |
AT [cmds] Qn [cmds] |
|
Description: |
Enables modem to send result codes to the DTE. |
|
Command |
Function |
|
í Q0 |
Result code sending enabled. |
|
Q1 |
Result code sending disabled. |
|
Q2 |
Result code sending enabled on originate mode only. |
|
SERVICE PROFILE IDENTIFIER 1 | |
|
Type: |
Register |
|
Format: |
AT [cmds] S52= <#> [cmds] |
|
Description: |
Sets the TA’s first SPID. |
|
SERVICE PROFILE IDENTIFIER 2 | |
|
Type: |
Register |
|
Format: |
AT [cmds] S54= <#> [cmds] |
|
Description: |
Sets the TA’s second SPID. |
|
SWITCH TYPE | |
|
Type: |
Register |
|
Format: |
AT [cmds] S50=n [cmds] |
|
Description: |
Selects the type of IDSN switch the TA is connected to. |
|
Command |
Function |
|
1 |
AT&T 5ESS custom switch type. |
|
í 3 |
NI-1/AT&T 5ESS switch type. |
|
6 |
NI-1/National Telecom NI-1 or Siemens EWSD switch type. |
|
TERMINAL ENDPOINT IDENTIFIER 1 | |
|
Type: |
Register (read-only) |
|
Format: |
AT [cmds] S55? [cmds] |
|
Description: |
Displays the first TEI assigned by the ISDN switch. A value of 255 indicated that the switch did not assign a TEI. |
|
TERMINAL ENDPOINT IDENTIFIER 1 STATUS | |
|
Type: |
Register (read-only) |
|
Format: |
AT [cmds] S57? [cmds] |
|
Description: |
Returns a value indicating the status of the first TEI. |
|
Value |
Meaning |
|
0 |
TA has not attempted to initialize with SPID 1. |
|
1 |
TA succeeded in initializing with SPID 1. |
|
2 |
TA failed in initializing with SPID 1. |
|
TERMINAL ENDPOINT IDENTIFIER 2 | |
|
Type: |
Register (read-only) |
|
Format: |
AT [cmds] S56? [cmds] |
|
Description: |
Displays the second TEI assigned by the ISDN switch. A value of 255 indicated that the switch did not assign a TEI. |
|
TERMINAL ENDPOINT IDENTIFIER 2 STATUS | |
|
Type: |
Register (read-only) |
|
Format: |
AT [cmds] S58? [cmds] |
|
Description: |
Returns a value indicating the status of the second TEI. |
|
Value |
Meaning |
|
0 |
TA has not attempted to initialize with SPID 2. |
|
1 |
TA succeeded in initializing with SPID 2. |
|
2 |
TA failed in initializing with SPID 2. |
|
U INTERFACE STATUS | |
|
Type: |
Register (read-only) |
|
Format: |
AT [cmds] S59? [cmds] |
|
Description: |
Returns a value indicating the status of the U interface. |
|
Command |
Function |
|
0 |
U interface is not synchronized. |
|
1 |
U interface is synchronized. |
|
V.120 FRAME TYPE | |
|
Type: |
Register |
|
Format: |
AT [cmds] S73=n [cmds] |
|
Description: |
Selects the frame type that the TA will use when in V.120 mode. |
|
Command |
Function |
|
í S73=0 |
TA will use I frames. |
|
S73=1 |
TA will use UI frames. |
|
V.120 MAXIMUM FRAME SIZE | |
|
Type: |
Register |
|
Format: |
AT [cmds] S74=n [cmds] |
|
Default: |
256 |
|
Range: |
240 - 256 |
|
Unit: |
1 byte |
|
Description: |
Selects the maximum frame size used for V.120 mode. |
|
Note: |
Adtran ISDN uses a maximum frame size of 253 bytes. |