KODIAK TECHNOLOGY, INC.
KODIAK~8 10BT
|
NIC Type |
Ethernet |
|
Transfer Rate |
10Mbps |
|
Data Bus |
8-bit ISA |
|
Topology |
Linear bus |
|
Wiring Type |
Unshielded twisted pair |
|
Boot ROM |
Available |
|
CABLE LENGTH | ||
|
Legth |
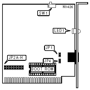
JP1 | |
| » |
< 100 meters |
Open |
|
> 100 meters |
Closed | |
|
Note:The hub must also support cable lengths greater than 100 meters if the >100m option is used. | ||
|
BOOT ROM | ||
|
Setting |
JP2A | |
| » |
Disabled |
Open |
|
Enabled |
Closed | |
|
Note:In earlier versions of this card there is no socket for a boot ROM. If you have one of these earlier socketless versions and you purchased it less than five years ago, you may return it to the manufacturer for an updated version. You can also solder in a socket for a boot ROM but you will void the warranty. | ||
|
BOOT ROM ADDRESS | ||
|
Address |
JP2B |
JP2C |
|
C8000h |
Closed |
Closed |
|
CC000h |
Closed |
Open |
|
D8000h |
Open |
Closed |
|
DC000h |
Open |
Open |
|
I/O BASE ADDRESS | |||
|
Address |
JP2D |
JP2E | |
|
200h |
Closed |
Closed | |
|
210h |
Closed |
Open | |
| » |
300h |
Open |
Closed |
|
310h |
Open |
Open | |
|
INTERRUPT REQUEST | ||||
|
IRQ |
JP2F |
JP2G |
JP2H | |
|
2 |
Closed |
Open |
Open | |
| » |
3 |
Open |
Closed |
Open |
|
5 |
Open |
Open |
Closed | |
|
Programmed I/O |
Open |
Open |
Open | |
|
TRANSMIT/RECEIVE WIRE POLARITY | ||
|
Setting |
SW1 (SW1/1 & SW1/2) | |
| » |
Normal |
On |
|
Reversed |
Off | |
|
Note:If the transmit/receive wires are reversed, they can be corrected for by setting this option to reversed. On some earlier versions of this card there are two switches, SW1/1 & SW1/2. On these older cards each
switch should be set the same.
| ||
|
FACTORY CONFIGURED SETTINGS | |
|
Jumper |
Setting |
|
JP4 |
Unused |
|
DIAGNOSTIC LED(S) | ||
|
LED1 |
Hub LED |
Condition |
|
On |
On |
Network connection is good |
|
Off |
Off |
Tx/Rx polarity crossover at adapter |
|
Note:The Hub LED is located on the Hub not the NIC. If a crossover condition exists this can be corrected for by using switch SW1. | ||