ZIDA TECHNOLOGIES, INC.
6MFX (VER. 1.00)
|
Device Type |
Mainboard |
|
Processor |
Pentium II |
|
Processor Speed |
233/266MHz |
|
Chip Set |
Intel 440FX |
|
Video Chip Set |
None |
|
Maximum Onboard Memory |
256MB (EDO supported) |
|
Maximum Video Memory |
None |
|
Cache |
256/512KB (located on Pentium II CPU) |
|
BIOS |
AMI |
|
Dimensions |
309mm x 235mm |
|
I/O Options |
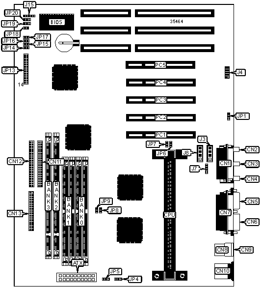
32-bit PCI slots (5), floppy drive interface, game/MIDI port, green PC connector, IDE interfaces (2), parallel port, PS/2 mouse port, serial ports (2), IR connector, USB connectors (2), ATX power connector, line in, line out, microphone in, audio in – CD-ROMs (2) |
|
NPU Options |
None |
|
CONNECTIONS | |||
|
Purpose |
Location |
Purpose |
Location |
|
ATX power connector |
ATX |
Auxiliary connector |
J4 |
|
Game/MIDI port |
CN1 |
Auxiliary in connector |
J7 |
|
Microphone in |
CN2 |
Audio in – CD-ROM |
J8 |
|
Line out |
CN3 |
IR connector |
J15 |
|
Line in |
CN4 |
Speaker |
JP1 |
|
Parallel port |
CN5 |
CPU fan power |
JP4 |
|
Serial port 1 |
CN6 |
CPU fan power |
JP5 |
|
Serial port 2 |
CN7 |
Power LED & keylock |
JP13/pins 1 – 5 |
|
USB connector 1 |
CN8 |
Green PC connector |
JP13/pins 7 & 8 |
|
USB connector 2 |
CN9 |
Speaker |
JP13/pins 10 – 13 |
|
PS/2 mouse port |
CN10 |
IDE interface LED |
JP13/pins 14 & 15 |
|
IDE interface 1 |
CN11 |
Soft off power supply |
JP13/pins 17 & 18 |
|
IDE interface 2 |
CN12 |
Reset switch |
JP13/pins 22 & 23 |
|
Floppy drive interface |
CN13 |
Turbo LED |
JP13/pins 25 & 26 |
|
Audio in – CD-ROM |
J3 |
32-bit PCI slots |
PC1 – PC5 |
|
USER CONFIGURABLE SETTINGS | |||
|
Function |
Label |
Position | |
|
» |
Factory configured - do not alter |
JP18 |
Open |
|
» |
Factory configured - do not alter |
JP19 |
Pins 1 & 2 closed |
|
» |
Factory configured - do not alter |
JP20 |
Pins 1 & 2 closed |
|
SIMM CONFIGURATION | ||
|
Size |
Bank 0 |
Bank 1 |
|
8MB |
(2) 1M x 36 |
None |
|
16MB |
(2) 2M x 36 |
None |
|
16MB |
(2) 1M x 36 |
(2) 1M x 36 |
|
24MB |
(2) 2M x 36 |
(2) 1M x 36 |
|
32MB |
(2) 4M x 36 |
None |
|
32MB |
(2) 2M x 36 |
(2) 2M x 36 |
|
40MB |
(2) 4M x 36 |
(2) 1M x 36 |
|
48MB |
(2) 4M x 36 |
(2) 2M x 36 |
|
64MB |
(2) 8M x 36 |
None |
|
64MB |
(2) 4M x 36 |
(2) 4M x 36 |
|
72MB |
(2) 8M x 36 |
(2) 1M x 36 |
|
80MB |
(2) 8M x 36 |
(2) 2M x 36 |
|
SIMM CONFIGURATION (CON’T) | ||
|
Size |
Bank 0 |
Bank 1 |
|
96MB |
(2) 8M x 36 |
(2) 4M x 36 |
|
128MB |
(2) 8M x 36 |
(2) 8M x 36 |
|
128MB |
(2) 16M x 36 |
None |
|
136MB |
(2) 16M x 36 |
(2) 1M x 36 |
|
144MB |
(2) 16M x 36 |
(2) 2M x 36 |
|
160MB |
(2) 16M x 36 |
(2) 4M x 36 |
|
192MB |
(2) 16M x 36 |
(2) 8M x 36 |
|
256MB |
(2) 16M x 36 |
(2) 16M x 36 |
|
Note: Board accepts EDO memory. | ||
|
DIMM CONFIGURATION | ||
|
Size |
Bank 2 |
Bank 3 |
|
8MB |
(1) 1M x 64 |
None |
|
16MB |
(1) 2M x 64 |
None |
|
16MB |
(1) 1M x 64 |
(1) 1M x 64 |
|
24MB |
(1) 2M x 64 |
(1) 1M x 64 |
|
32MB |
(1) 4M x 64 |
None |
|
32MB |
(1) 2M x 64 |
(1) 2M x 64 |
|
40MB |
(1) 4M x 64 |
(1) 1M x 64 |
|
48MB |
(1) 4M x 64 |
(1) 2M x 64 |
|
64MB |
(1) 8M x 64 |
None |
|
64MB |
(1) 4M x 64 |
(1) 4M x 64 |
|
72MB |
(1) 8M x 64 |
(1) 1M x 64 |
|
80MB |
(1) 8M x 64 |
(1) 2M x 64 |
|
96MB |
(1) 8M x 64 |
(1) 4M x 64 |
|
128MB |
(1) 16M x 64 |
None |
|
128MB |
(1) 8M x 64 |
(1) 8M x 64 |
|
136MB |
(1) 16M x 64 |
(1) 1M x 64 |
|
144MB |
(1) 16M x 64 |
(1) 2M x 64 |
|
160MB |
(1) 16M x 64 |
(1) 4M x 64 |
|
192MB |
(1) 16M x 64 |
(1) 8M x 64 |
|
256MB |
(1) 16M x 64 |
(1) 16M x 64 |
|
Note: Board accepts EDO memory. | ||
|
CACHE CONFIGURATION |
|
Note: 256KB/512KB cache is located on the Pentium II CPU. |
|
CPU SPEED SELECTION | ||||||
|
CPU speed |
Clock speed |
Multiplier |
JP6 |
JP7 |
JP8 |
JP9 |
|
233MHz |
66MHz |
3.5x |
Closed |
Open |
Closed |
Open |
|
266MHz |
66MHz |
4x |
Closed |
Open |
Closed |
Open |
|
CPU SPEED SELECTION (CON’T) | ||||||
|
CPU speed |
Clock speed |
Multiplier |
JP14 |
JP15 |
JP16 |
JP17 |
|
233MHz |
66MHz |
3.5x |
Open |
Open |
Closed |
Closed |
|
266MHz |
66MHz |
4x |
Closed |
Closed |
Open |
Closed |