SUPER MICRO
P6DBS
|
Device Type |
Mainboard |
|
Processor |
Pentium II |
|
Processor Speed |
233/266/300/333/350/400/450MHz |
|
Chip Set |
Intel 440GX |
|
Maximum Onboard Memory |
2GB (SDRAM supported) |
|
Cache |
256/512KB (located on the Pentium II CPU) |
|
BIOS |
AMI |
|
Dimensions |
305mm x 244mm |
|
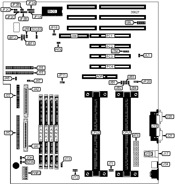
I/O Options (backplane) |
32-bit PCI slots (4), floppy drive interface, IDE interfaces (2), Wide Ultra SCSI interface, Wide SCSI interface (2), parallel port, PS/2 mouse port, serial ports (2), IR connector, USB connectors (2), ATX power connector, AGP slot, SB link connector |
|
CONNECTIONS | |||
|
Purpose |
Location |
Purpose |
Location |
|
AGP slot |
AGP |
Power LED & keylock |
JF1B |
|
ATX power connector |
ATX |
Speaker |
JF1C |
|
IDE interface 1 |
J15 |
IR connector |
JF2A |
|
IDE interface 2 |
J16 |
Power switch |
JF2B |
|
USB connector 1 |
J17 |
Reset switch |
JF2C |
|
USB connector 2 |
J18 |
Chassis intrusion |
JL1 |
|
Parallel port |
J19 |
Overheat LED |
JOH |
|
Serial port 1 |
J20 |
CPU fan power |
JT1 |
|
Serial port 2 |
J21 |
CPU fan power |
JT2 |
|
Floppy drive interface |
J22 |
Chassis fan power |
JT3 |
|
PS/2 mouse port |
J34 |
32-bit PCI slots |
PC1 - PC4 |
|
Ultra Wide SCSI interface |
JA1 |
Secondary power connector |
PWR2 |
|
Ultra Wide SCSI interface |
JA2 |
SB link |
SBL |
|
SCSI 2 interface |
JA3 |
SCSI LED |
SCLED |
|
RAID slot |
JA4 |
Wake on LAN |
WOL |
|
IDE interface LED |
JF1A | ||
|
USER CONFIGURABLE SETTINGS | |||
|
Function |
Label |
Position | |
|
» |
Factory configured - do not alter |
JP18 |
Unidentified |
|
» |
Factory configured - do not alter |
JA7 |
Unidentified |
|
» |
Factory configured - do not alter |
JAS |
Unidentified |
|
» |
Factory configured - do not alter |
JAM |
Unidentified |
|
» |
Pentium II CTL PD state |
JP20 |
Pins 1 & 2 closed |
|
BIOS CTL PD state |
JP20 |
Pins 2 & 3 closed | |
|
» |
CMOS memory normal operation |
JBT1 |
Pins 1 & 2 closed |
|
CMOS memory clear |
JBT1 |
Pins 2 & 3 closed | |
|
Onboard buzzer enabled |
BZON |
Closed | |
|
Onboard buzzer disabled |
BZON |
Open | |
|
DIMM CONFIGURATION | ||||
|
Size |
Bank 0 |
Bank 1 |
Bank 2 |
Bank 3 |
|
8MB |
(1) 1MB x 64 |
None |
None |
None |
|
16MB |
(1) 1MB x 64 |
(1) 1MB x 64 |
None |
None |
|
16MB |
(1) 2MB x 64 |
None |
None |
None |
|
24MB |
(1) 1MB x 64 |
(1) 1MB x 64 |
(1) 1MB x 64 | |
|
32MB |
(1) 1MB x 64 |
(1) 1MB x 64 |
(1) 1MB x 64 |
(1) 1MB x 64 |
|
32MB |
(1) 2MB x 64 |
(1) 2MB x 64 |
None |
None |
|
32MB |
(1) 4MB x 64 |
None |
None |
None |
|
40MB |
(1) 2MB x 64 |
(1) 2MB x 64 |
(1) 1MB x 64 |
None |
|
48MB |
(1) 2MB x 64 |
(1) 2MB x 64 |
(1) 2MB x 64 |
None |
|
64MB |
(1) 2MB x 64 |
(1) 2MB x 64 |
(1) 2MB x 64 |
(1) 2MB x 64 |
|
64MB |
(1) 4MB x 64 |
(1) 4MB x 64 |
None |
None |
|
64MB |
(1) 8MB x 64 |
None |
None |
None |
|
88MB |
(1) 4MB x 64 |
(1) 4MB x 64 |
(1) 2MB x 64 |
(1) 1MB x 64 |
|
96MB |
(1) 4MB x 64 |
(1) 4MB x 64 |
(1) 4MB x 64 | |
|
112MB |
(1) 4MB x 64 |
(1) 4MB x 64 |
(1) 4MB x 64 |
(1) 2MB x 64 |
|
128MB |
(1) 4MB x 64 |
(1) 4MB x 64 |
(1) 4MB x 64 |
(1) 4MB x 64 |
|
128MB |
(1) 8MB x 64 |
(1) 8MB x 64 |
None |
None |
|
128MB |
(1) 16MB x 64 |
None |
None |
None |
|
176MB |
(1) 8MB x 64 |
(1) 8MB x 64 |
(1) 4MB x 64 |
(1) 2MB x 64 |
|
192MB |
(1) 8MB x 64 |
(1) 8MB x 64 |
(1) 8MB x 64 | |
|
224MB |
(1) 8MB x 64 |
(1) 8MB x 64 |
(1) 8MB x 64 |
(1) 4MB x 64 |
|
256MB |
(1) 8MB x 64 |
(1) 8MB x 64 |
(1) 8MB x 64 |
(1) 8MB x 64 |
|
256MB |
(1) 16MB x 64 |
(1) 16MB x 64 |
None |
None |
|
256MB |
(1) 32MB x 64 |
None |
None |
None |
|
352 MB |
(1) 16MB x 64 |
(1) 16MB x 64 |
(1) 8MB x 64 |
(1) 4MB x 64 |
|
384MB |
(1) 16MB x 64 |
(1) 16MB x 64 |
(1) 16MB x 64 | |
|
448 MB |
(1) 16MB x 64 |
(1) 16MB x 64 |
(1) 16MB x 64 |
(1) 8MB x 64 |
|
512MB |
(1) 16MB x 64 |
(1) 16MB x 64 |
(1) 16MB x 64 |
(1) 16MB x 64 |
|
512MB |
(1) 32MB x 64 |
(1) 32MB x 64 |
None |
None |
|
512MB |
(1) 64MB x 64 |
None |
None |
None |
|
704 MB |
(1) 32MB x 64 |
(1) 32MB x 64 |
(1) 16MB x 64 |
(1) 8MB x 64 |
|
768MB |
(1) 32MB x 64 |
(1) 32MB x 64 |
(1) 32MB x 64 |
None |
|
896 MB |
(1) 32MB x 64 |
(1) 32MB x 64 |
(1) 32MB x 64 |
(1) 16MB x 64 |
|
1024MB |
(1) 32MB x 64 |
(1) 32MB x 64 |
(1) 32MB x 64 |
(1) 32MB x 64 |
|
1024MB |
(1) 64MB x 64 |
(1) 64MB x 64 |
None |
None |
|
1408 MB |
(1) 64MB x 64 |
(1) 64MB x 64 |
(1) 32MB x 64 |
(1) 16MB x 64 |
|
1536MB |
(1) 64MB x 64 |
(1) 64MB x 64 |
(1) 64MB x 64 |
None |
|
1792 MB |
(1) 64MB x 64 |
(1) 64MB x 64 |
(1) 64MB x 64 |
(1) 32MB x 64 |
|
2048MB |
(1) 64MB x 64 |
(1) 64MB x 64 |
(1) 64MB x 64 |
(1) 64MB x 64 |
|
CACHE CONFIGURATION |
|
Note: The 256/512KB cache memory is located on the Pentium II CPU. |
|
CPU SPEED SELECTION (PENTIUM II) | |||||
|
CPU speed |
Clock speed |
Multiplier |
JB1 |
JB2 |
JB3 |
|
233MHz |
66MHz |
3.5x |
Open |
Open |
Closed |
|
266MHz |
66MHz |
4x |
Closed |
Closed |
Open |
|
300MHz |
66MHz |
4.5x |
Open |
Closed |
Open |
|
333MHz |
66MHz |
5x |
Closed |
Open |
Open |
|
350MHz |
100MHz |
3.5x |
Open |
Open |
Closed |
|
400MHz |
100MHz |
4x |
Closed |
Closed |
Open |
|
450MHz |
100MHz |
4.5x |
Open |
Closed |
Open |
|
CPU SPEED SELECTION (PENTIUM II CONT’) | ||||
|
CPU speed |
Clock speed |
Multiplier |
JB4 |
JP11 |
|
233MHz |
66MHz |
3.5x |
Closed |
Pins 2 & 3 closed |
|
266MHz |
66MHz |
4x |
Closed |
Pins 2 & 3 closed |
|
300MHz |
66MHz |
4.5x |
Closed |
Pins 2 & 3 closed |
|
333MHz |
66MHz |
5x |
Closed |
Pins 2 & 3 closed |
|
350MHz |
100MHz |
3.5x |
Closed |
Open |
|
400MHz |
100MHz |
4x |
Closed |
Open |
|
450MHz |
100MHz |
4.5x |
Closed |
Open |