TYAN COMPUTER CORPORATION
S1684SA
|
Device Type |
Mainboard |
|
Processor |
Pentium Pro/Pentium II |
|
Processor Speed |
150/166/180/200/233/266/300MHz |
|
Chip Set |
Intel |
|
Video Chip Set |
None |
|
Maximum Onboard Memory |
768MB (EDO supported) |
|
Maximum Video Memory |
None |
|
Cache |
256/512KB (located on Pentium Pro/Pentium II CPU) |
|
BIOS |
AMI, Award |
|
Dimensions |
305mm x 244mm |
|
I/O Options |
32-bit PCI slots (4), floppy drive interface, game port, green PC connector, IDE interfaces (2), parallel port, PS/2 mouse port, serial ports (2), IR connector, USB connectors (2), ATX power connector, line in, line out, microphone in, wavetable connector, audio in – CD-ROMs (2) |
|
NPU Options |
None |
|
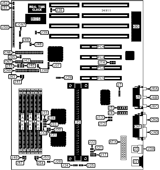
CONNECTIONS | |||
|
Purpose |
Location |
Purpose |
Location |
|
ATX power connector |
ATX |
Modem connector |
J7 |
|
Parallel port |
CN1 |
Wavetable connector |
J14 |
|
Serial port 2 |
CN2 |
CPU fan power |
J24 |
|
Serial port 1 |
CN3 |
CPU fan power |
J25 |
|
IDE interface 2 |
CN6 |
CPU fan fail warning |
J28 |
|
IDE interface 1 |
CN7 |
IDE interface LED |
J39 |
|
Floppy drive interface |
CN8 |
Soft off power supply |
J45 |
|
PS/2 mouse port |
J2 |
Keylock |
J49/pins 4 & 5 |
|
USB connector 1 |
J3 |
Soft off power supply |
J50/pins 1 & 2 |
|
USB connector 2 |
J3A |
Green PC connector |
J50/pins 3 & 4 |
|
Audio in – CD-ROM (Sony) |
J4 |
IR connector |
J50/pins 8 - 10 |
|
Audio in – CD-ROM |
J5 |
IDE interface LED |
J50/pins 15 & 16 |
|
Game port |
J6 |
Power LED |
J50/pins 18 - 20 |
|
Microphone in |
J6A |
Reset switch |
J50/pins 22 & 23 |
|
Line in |
J6B |
Speaker |
J50/pins 24 - 27 |
|
Line out |
J6C |
32-bit PCI slots |
PC1 – PC4 |
|
USER CONFIGURABLE SETTINGS | |||
|
Function |
Label |
Position | |
|
» |
Factory configured - do not alter |
CON7 |
Unidentified |
|
Serial port used as serial port |
J12 |
Pins 1 & 2 closed | |
|
Serial port used as IR connector |
J12 |
Pins 2 & 3 closed | |
|
» |
Factory configured - do not alter |
J13 |
Unidentified |
|
» |
Factory configured - do not alter |
J17 |
Unidentified |
|
» |
Factory configured - do not alter |
J21 |
Unidentified |
|
» |
Factory configured - do not alter |
J22 |
Unidentified |
|
» |
Factory configured - do not alter |
J29 |
Unidentified |
|
» |
Flash BIOS voltage select 5v |
J36 |
Pins 1 & 2 closed |
|
Flash BIOS voltage select 12v |
J36 |
Pins 2 & 3 closed | |
|
» |
Factory configured - do not alter |
J46 |
Unidentified |
|
» |
Factory configured - do not alter |
J51 |
Unidentified |
|
» |
CMOS memory normal operation |
J52 |
Open |
|
CMOS memory clear |
J52 |
Closed | |
|
» |
Factory configured - do not alter |
J53 |
Unidentified |
|
» |
Factory configured - do not alter |
J54 |
Unidentified |
|
SIMM CONFIGURATION | |||
|
Size |
Bank 0 |
Bank 1 |
Bank 2 |
|
8MB |
(2) 1M x 36 |
None |
None |
|
16MB |
(2) 1M x 36 |
(2) 1M x 36 |
None |
|
16MB |
(2) 2M x 36 |
None |
None |
|
24MB |
(2) 1M x 36 |
(2) 1M x 36 |
(2) 1M x 36 |
|
32MB |
(2) 2M x 36 |
(2) 2M x 36 |
None |
|
32MB |
(2) 4M x 36 |
None |
None |
|
48MB |
(2) 2M x 36 |
(2) 2M x 36 |
(2) 2M x 36 |
|
64MB |
(2) 4M x 36 |
(2) 4M x 36 |
None |
|
64MB |
(2) 8M x 36 |
None |
None |
|
96MB |
(2) 4M x 36 |
(2) 4M x 36 |
(2) 4M x 36 |
|
128MB |
(2) 8M x 36 |
(2) 8M x 36 |
None |
|
128MB |
(2) 16M x 36 |
None |
None |
|
136MB |
(2) 16M x 36 |
(2) 1M x 36 |
None |
|
144MB |
(2) 16M x 36 |
(2) 1M x 36 |
(2) 1M x 36 |
|
144MB |
(2) 16M x 36 |
(2) 2M x 36 |
None |
|
160MB |
(2) 16M x 36 |
(2) 2M x 36 |
(2) 2M x 36 |
|
160MB |
(2) 16M x 36 |
(2) 4M x 36 |
None |
|
192MB |
(2) 16M x 36 |
(2) 4M x 36 |
(2) 4M x 36 |
|
192MB |
(2) 16M x 36 |
(2) 8M x 36 |
None |
|
192MB |
(2) 8M x 36 |
(2) 8M x 36 |
(2) 8M x 36 |
|
256MB |
(2) 16M x 36 |
(2) 8M x 36 |
(2) 8M x 36 |
|
256MB |
(2) 16M x 36 |
(2) 16M x 36 |
None |
|
256MB |
(2) 32M x 36 |
None |
None |
|
264MB |
(2) 32M x 36 |
(2) 1M x 36 |
None |
|
272MB |
(2) 32M x 36 |
(2) 1M x 36 |
(2) 1M x 36 |
|
272MB |
(2) 32M x 36 |
(2) 2M x 36 |
None |
|
288MB |
(2) 32M x 36 |
(2) 2M x 36 |
(2) 2M x 36 |
|
288MB |
(2) 32M x 36 |
(2) 4M x 36 |
None |
|
320MB |
(2) 32M x 36 |
(2) 4M x 36 |
(2) 4M x 36 |
|
320MB |
(2) 32M x 36 |
(2) 8M x 36 |
None |
|
384MB |
(2) 32M x 36 |
(2) 8M x 36 |
(2) 8M x 36 |
|
384MB |
(2) 32M x 36 |
(2) 16M x 36 |
None |
|
SIMM CONFIGURATION (CON’T) | |||
|
Size |
Bank 0 |
Bank 1 |
Bank 2 |
|
384MB |
(2) 16M x 36 |
(2) 16M x 36 |
(2) 16M x 36 |
|
512MB |
(2) 32M x 36 |
(2) 16M x 36 |
(2) 16M x 36 |
|
512MB |
(2) 32M x 36 |
(2) 32M x 36 |
None |
|
768MB |
(2) 32M x 36 |
(2) 32M x 36 |
(2) 32M x 36 |
|
Note: Board accepts EDO memory. | |||
|
SIMM VOLTAGE CONFIGURATION | |||||
|
Voltage |
J32 |
J33 |
J34 |
J35 | |
|
3.3v |
Closed |
Closed |
Closed |
Closed | |
| » |
5v |
Open |
Open |
Open |
Open |
|
SIMM VOLTAGE CONFIGURATION (CON’T) | |||||
|
Voltage |
J41 |
J43 |
J47 |
J48 | |
|
3.3v |
Open |
Open |
Open |
Open | |
| » |
5v |
Closed |
Closed |
Closed |
Closed |
|
CACHE CONFIGURATION |
|
Note: 256KB/512KB cache is located on the Pentium Pro/Pentium II CPU. |
|
CPU SPEED SELECTION (PENTIUM PRO) | ||||||
|
CPU speed |
Clock speed |
Multiplier |
J30 |
J31 |
J37 |
J38 |
|
150MHz |
60MHz |
2.5x |
Open |
Closed |
3 & 4 |
Closed |
|
166MHz |
66MHz |
2.5x |
Closed |
Open |
1 & 2 |
Closed |
|
180MHz |
60MHz |
3x |
Open |
Closed |
3 & 4 |
Closed |
|
200MHz |
66MHz |
3x |
Closed |
Open |
1 & 2 |
Closed |
|
Note: Pins designated should be in the closed position. | ||||||
|
CPU SPEED SELECTION (PENTIUM PRO, CON’T) | |||||
|
CPU speed |
Clock speed |
Multiplier |
J40 |
J42 |
J44 |
|
150MHz |
60MHz |
2.5x |
Open |
Closed |
Closed |
|
166MHz |
66MHz |
2.5x |
Open |
Closed |
Closed |
|
180MHz |
60MHz |
3x |
Closed |
Open |
Closed |
|
200MHz |
66MHz |
3x |
Closed |
Open |
Closed |
|
CPU SPEED SELECTION (PENTIUM II) | ||||||
|
CPU speed |
Clock speed |
Multiplier |
J30 |
J31 |
J37 |
J38 |
|
200MHz |
66MHz |
3x |
Closed |
Open |
1 & 2 |
Closed |
|
233MHz |
66MHz |
3.5x |
Open |
Closed |
3 & 4 |
Closed |
|
266MHz |
66MHz |
4x |
Closed |
Open |
1 & 2 |
Closed |
|
300MHz |
66MHz |
4.5x |
Open |
Closed |
3 & 4 |
Closed |
|
Note: Pins designated should be in the closed position. | ||||||
|
CPU SPEED SELECTION (PENTIUM II, CON’T) | |||||
|
CPU speed |
Clock speed |
Multiplier |
J40 |
J42 |
J44 |
|
200MHz |
66MHz |
3x |
Closed |
Open |
Closed |
|
233MHz |
66MHz |
3.5x |
Open |
Open |
Closed |
|
266MHz |
66MHz |
4x |
Closed |
Closed |
Open |
|
300MHz |
66MHz |
4.5x |
Open |
Closed |
Open |