TRIGEM MICROSYSTEM, INC.
RD535
|
Device Type |
Mainboard |
|
Processor |
AM K6/Pentium |
|
Processor Speed |
120/133/166/200/233MHz |
|
Chip Set |
Unidentified |
|
Video Chip Set |
None |
|
Maximum Onboard Memory |
256MB |
|
Maximum Video Memory |
None |
|
Cache |
256/512KB |
|
BIOS |
Unidentified |
|
Dimensions |
305mm x 244mm |
|
I/O Options |
32-bit PCI slots (4), floppy drive interface, IDE interfaces (2), parallel port, PS/2 mouse port, serial ports (2), IR connector, USB connectors (2), ATX power connector |
|
NPU Options |
None |
|
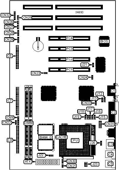
CONNECTIONS | |||
|
Purpose |
Location |
Purpose |
Location |
|
ATX power connector |
ATX |
Soft off power supply |
CN23 |
|
Serial port 1 |
C1 |
Keylock |
CN24 |
|
Parallel port |
C2 |
Chassis fan power |
CN25 |
|
PS/2 mouse port |
C3 |
Chassis fan power |
CN26 |
|
USB connector 1 |
C4 |
Power LED |
CN27 |
|
USB connector 2 |
C5 |
IDE interface LED |
CN28 |
|
Floppy drive interface |
C6 |
Speaker |
CN29 |
|
IDE interface 1 |
C7 |
CPU fan power |
CN30 |
|
IDE interface 2 |
C8 |
Serial port 2 |
CN31 |
|
Wake on LAN connector |
CN9 |
IR connector |
CN32 |
|
Reset switch |
CN21 |
CPU fan power |
CN33 |
|
Wake on modem connector |
CN22 |
32-bit PCI slots |
PC1 – PC4 |
|
USER CONFIGURABLE SETTINGS | |||
|
Function |
Label |
Position | |
|
» |
Password enabled |
J12 |
Pins 2 & 3 closed |
|
Password disabled |
J12 |
Pins 1 & 2 closed | |
|
» |
CMOS memory normal operation |
J13 |
Pins 2 & 3 closed |
|
CMOS memory clear |
J13 |
Pins 1 & 2 closed | |
|
» |
Factory configured - do not alter |
J21 |
Unidentified |
|
» |
Factory configured - do not alter |
J22 |
Pins 1 & 2 closed |
|
DIMM CONFIGURATION | ||
|
Size |
Bank 0 |
Bank 1 |
|
8MB |
(1) 1M x 64 |
None |
|
16MB |
(1) 2M x 64 |
None |
|
16MB |
(1) 1M x 64 |
(1) 1M x 64 |
|
24MB |
(1) 2M x 64 |
(1) 1M x 64 |
|
32MB |
(1) 4M x 64 |
None |
|
32MB |
(1) 2M x 64 |
(1) 2M x 64 |
|
40MB |
(1) 4M x 64 |
(1) 1M x 64 |
|
48MB |
(1) 4M x 64 |
(1) 2M x 64 |
|
64MB |
(1) 8M x 64 |
None |
|
64MB |
(1) 4M x 64 |
(1) 4M x 64 |
|
72MB |
(1) 8M x 64 |
(1) 1M x 64 |
|
80MB |
(1) 8M x 64 |
(1) 2M x 64 |
|
96MB |
(1) 8M x 64 |
(1) 4M x 64 |
|
DIMM CONFIGURATION (CON’T) | ||
|
Size |
Bank 0 |
Bank 1 |
|
128MB |
(1) 16M x 64 |
None |
|
128MB |
(1) 8M x 64 |
(1) 8M x 64 |
|
136MB |
(1) 16M x 64 |
(1) 1M x 64 |
|
144MB |
(1) 16M x 64 |
(1) 2M x 64 |
|
160MB |
(1) 16M x 64 |
(1) 4M x 64 |
|
192MB |
(1) 16M x 64 |
(1) 8M x 64 |
|
256MB |
(1) 16M x 64 |
(1) 16M x 64 |
|
CACHE CONFIGURATION | |
|
Size |
Bank 0 |
|
256KB |
(2) 32K x 32 |
|
512KB |
(2) 64K x 32 |
|
CPU SPEED SELECTION (AM K6) | ||||||
|
CPU speed |
Clock speed |
Multiplier |
J15 |
J16 |
J17 |
J18 |
|
166MHz |
66MHz |
2.5x |
2 & 3 |
1 & 2 |
Open |
2 & 3 |
|
200MHz |
66MHz |
3x |
1 & 2 |
1 & 2 |
Open |
2 & 3 |
|
233MHz |
66MHz |
3.5x |
1 & 2 |
2 & 3 |
Open |
2 & 3 |
|
Note: Pins designated should be in the closed position. | ||||||
|
CPU SPEED SELECTION (AM K6, CON’T) | |||||
|
CPU speed |
Clock speed |
Multiplier |
J19 |
J23 |
J26 |
|
166MHz |
66MHz |
2.5x |
1 & 2 |
1 & 2 |
1 & 2 |
|
200MHz |
66MHz |
3x |
1 & 2 |
1 & 2 |
1 & 2 |
|
233MHz |
66MHz |
3.5x |
1 & 2 |
3 & 4 |
1 & 2 |
|
Note: Pins designated should be in the closed position. | |||||
|
CPU SPEED SELECTION (INTEL) | ||||||
|
CPU speed |
Clock speed |
Multiplier |
J15 |
J16 |
J17 |
J18 |
|
120MHz |
60MHz |
2x |
2 & 3 |
2 & 3 |
Open |
1 & 2 |
|
133MHz |
66MHz |
2x |
2 & 3 |
2 & 3 |
Open |
2 & 3 |
|
166MHz |
66MHz |
2.5x |
2 & 3 |
1 & 2 |
Open |
2 & 3 |
|
200MHz |
66MHz |
3x |
1 & 2 |
1 & 2 |
Open |
2 & 3 |
|
Note: Pins designated should be in the closed position. | ||||||
|
CPU SPEED SELECTION (INTEL, CON’T) | |||||
|
CPU speed |
Clock speed |
Multiplier |
J19 |
J23 |
J26 |
|
120MHz |
60MHz |
2x |
2 & 3 |
5 & 6 |
2 & 3 |
|
133MHz |
66MHz |
2x |
1 & 2 |
5 & 6 |
2 & 3 |
|
166MHz |
66MHz |
2.5x |
1 & 2 |
5 & 6 |
2 & 3 |
|
200MHz |
66MHz |
3x |
1 & 2 |
5 & 6 |
2 & 3 |
|
Note: Pins designated should be in the closed position. | |||||
|
CPU SPEED SELECTION (INTEL MMX) | ||||||
|
CPU speed |
Clock speed |
Multiplier |
J15 |
J16 |
J17 |
J18 |
|
166MHz |
66MHz |
2.5x |
2 & 3 |
1 & 2 |
Open |
2 & 3 |
|
200MHz |
66MHz |
3x |
1 & 2 |
1 & 2 |
Open |
2 & 3 |
|
233MHz |
66MHz |
3.5x |
1 & 2 |
2 & 3 |
2 & 3 |
1 & 2 |
|
Note: Pins designated should be in the closed position. | ||||||
|
CPU SPEED SELECTION (INTEL MMX, CON’T) | |||||
|
CPU speed |
Clock speed |
Multiplier |
J19 |
J23 |
J26 |
|
166MHz |
66MHz |
2.5x |
1 & 2 |
1 & 2 |
1 & 2 |
|
200MHz |
66MHz |
3x |
1 & 2 |
1 & 2 |
1 & 2 |
|
233MHz |
66MHz |
3.5x |
1 & 2 |
1 & 2 |
1 & 2 |
|
Note: Pins designated should be in the closed position. | |||||