TMC RESEARCH CORPORATION
EBUS8B (VER.1.0)
|
Processor |
80286/80386SX/80386DX/80486SX/80486DX/80486DX2/80486DX4/Pentium(depends on CPU card installed) |
|
Processor Speed |
8/10/12/16/20/25/33/40/50(internal)/50/60/66(internal)/66/75(internal)/ 75/90/100(internal)/100MHz |
|
Chip Set |
Unidentified |
|
Max. Onboard DRAM |
None |
|
Cache |
None |
|
BIOS |
None |
|
Dimensions |
220mm x 220mm |
|
I/O Options |
CPU expansion slot, floppy drive interface, IDE interface, parallel port, serial ports (2) |
|
NPU Options |
8087/80287/80387SX/CX487SLC/80387DX/CX487DLC (depends on CPU card installed) |
|
CONNECTIONS | |||
|
Purpose |
Location |
Purpose |
Location |
|
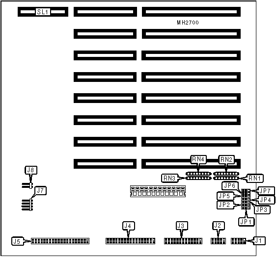
Serial port 1 |
J1 |
IDE interface |
J5 |
|
Serial port 2 |
J2 |
IDE interface LED |
J7 |
|
Parallel port |
J3 |
Power LED & keylock |
J8 |
|
Floppy drive interface |
J4 |
CPU expansion slot |
SL1 |
|
USER CONFIGURABLE SETTINGS | |||
|
Function |
Jumper |
Position | |
|
» |
Parallel port unidirectional |
JP1 |
pins 2 & 3 closed |
|
Parallel port bidirectional |
JP1 |
pins 1 & 2 closed | |
|
» |
Parallel port direction select PDIR |
JP2 |
pins 1 & 2 closed |
|
Parallel port direction select CTR5 |
JP2 |
pins 2 & 3 closed | |
|
ISA/EISA BUS CONFIGURATION | ||||
|
ISA/EISA |
RN1 |
RN2 |
RN3 |
RN4 |
|
ISA |
Installed |
Installed |
Not installed |
Not installed |
|
EISA |
Not installed |
Not installed |
Installed |
Installed |
|
I/O CONFIGURATION | |||||||
|
FDC |
IDE |
LPT |
JP3 |
JP4 |
JP5 |
JP6 |
JP7 |
|
Enabled |
Enabled |
LPT2 |
1 & 2 |
1 & 2 |
1 & 2 |
1 & 2 |
1 & 2 |
|
Enabled |
Enabled |
LPT1 |
2 & 3 |
1 & 2 |
1 & 2 |
1 & 2 |
1 & 2 |
|
Enabled |
Enabled |
LPT1 |
2 & 3 |
2 & 3 |
1 & 2 |
1 & 2 |
1 & 2 |
|
Enabled |
Enabled |
LPT1 |
2 & 3 |
2 & 3 |
2 & 3 |
1 & 2 |
1 & 2 |
|
Enabled |
Disabled |
LPT1 |
2 & 3 |
1 & 2 |
2 & 3 |
2 & 3 |
1 & 2 |
|
Enabled |
Enabled |
LPT1 |
2 & 3 |
1 & 2 |
1 & 2 |
1 & 2 |
2 & 3 |
|
Disabled |
Enabled |
LPT1 |
2 & 3 |
1 & 2 |
1 & 2 |
2 & 3 |
2 & 3 |
|
Disabled |
Disabled |
Disabled |
2 & 3 |
2 & 3 |
2 & 3 |
2 & 3 |
2 & 3 |
|
Note: Pins designated should be in closed position. | |||||||
|
I/O CONFIGURATION (CON’T) | ||||||
|
COM1 |
COM2 |
JP3 |
JP4 |
JP5 |
JP6 |
JP7 |
|
COM1 |
COM2 |
1 & 2 |
1 & 2 |
1 & 2 |
1 & 2 |
1 & 2 |
|
COM1 |
COM2 |
2 & 3 |
1 & 2 |
1 & 2 |
1 & 2 |
1 & 2 |
|
COM3 |
COM4 |
2 & 3 |
2 & 3 |
1 & 2 |
1 & 2 |
1 & 2 |
|
COM1 |
Disabled |
2 & 3 |
2 & 3 |
2 & 3 |
1 & 2 |
1 & 2 |
|
COM1 |
COM2 |
2 & 3 |
1 & 2 |
2 & 3 |
2 & 3 |
1 & 2 |
|
Disabled |
Disabled |
2 & 3 |
1 & 2 |
1 & 2 |
1 & 2 |
2 & 3 |
|
Disabled |
Disabled |
2 & 3 |
1 & 2 |
1 & 2 |
2 & 3 |
2 & 3 |
|
Disabled |
Disabled |
2 & 3 |
2 & 3 |
2 & 3 |
2 & 3 |
2 & 3 |
|
Note: Pins designated should be in closed position. | ||||||