MICRONICS COMPUTERS, INC.
THUNDERBOLT
|
Processor |
AM K5/Pentium |
|
Processor Speed |
90/100/120/133/150/166/180/200/233MHz |
|
Chip Set |
Intel |
|
Video Chip Set |
None |
|
Maximum Onboard Memory |
256MB (EDO supported) |
|
Maximum Video Memory |
None |
|
Cache |
256/512KB |
|
BIOS |
Phoenix |
|
Dimensions |
305mm x 244mm |
|
I/O Options |
32-bit PCI slots (4), CD-ROM audio in connectors (3), floppy drive interface, MIDI/game port, IDE interfaces (2), parallel port, PS/2 mouse port, serial ports (2), IR connector, USB connectors (2), ATX power connector, microphone in connector, line in connector, line out connector, modem connector |
|
NPU Options |
None |
|
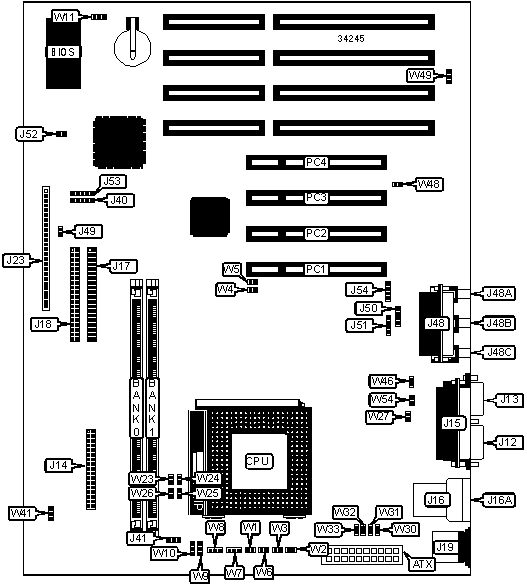
CONNECTIONS | |||
|
Purpose |
Location |
Purpose |
Location |
|
ATX power connector |
ATX |
Reset switch |
J23/pins 22 & 23 |
|
Serial port 1 |
J12 |
Speaker |
J23/pins 24 - 26 |
|
Serial port 2 |
J13 |
Keylock |
J40 |
|
Floppy drive interface |
J14 |
Chassis fan power |
J41 |
|
Parallel port |
J15 |
Panasonic CD-ROM connector |
J45 |
|
USB connector 1 |
J16 |
Mitsumi CD-ROM connector |
J46 |
|
USB connector 2 |
J16A |
Modem connector |
J47 |
|
IDE interface 1 |
J17 |
SCSI interface LED |
J49 |
|
IDE interface 2 |
J18 |
CD-ROM audio in connector |
J50 |
|
PS/2 mouse port |
J19 |
Modem audio connector |
J51 |
|
Chassis fan power |
J20 |
MIDI/game port |
JP48 |
|
Soft off power supply |
J23/pins 1 & 2 |
Microphone in connector |
JP48A |
|
IR connector |
J23/pins 6 - 10 |
Line in connector |
JP48B |
|
IDE interface LED |
J23/pins 13 - 16 |
Line out connector |
JP48C |
|
Power LED |
J23/pins 18 - 20 |
32-bit PCI slots |
PC1 – PC4 |
|
Note: The location of J20, J45, J46, J47 are unidentified. | |||
|
USER CONFIGURABLE SETTINGS | |||
|
Function |
Label |
Position | |
|
» |
Factory configured - do not alter |
J52 |
Unidentified |
|
» |
Factory configured - do not alter |
J53 |
Unidentified |
|
» |
Factory configured - do not alter |
J54 |
Unidentified |
|
» |
Factory configured - do not alter |
W1 |
Unidentified |
|
» |
Factory configured - do not alter |
W7 |
Unidentified |
|
» |
Factory configured - do not alter |
W8 |
Unidentified |
|
» |
Factory configured - do not alter |
W9 |
Unidentified |
|
» |
Factory configured - do not alter |
W10 |
Unidentified |
|
» |
CMOS memory normal operation |
W11 |
Pins 1 & 2 closed |
|
CMOS memory clear |
W11 |
Pins 2 & 3 closed | |
|
» |
Flash BIOS write protect disabled |
W12 |
Open |
|
Flash BIOS write protect enabled |
W12 |
Closed | |
|
» |
Factory configured - do not alter |
W41 |
Unidentified |
|
» |
Wavetable enabled |
W48 |
Closed |
|
Wave table disabled |
W48 |
Open | |
|
» |
On board sound enabled |
W49 |
Pins 1 & 2 closed |
|
On board sound disabled |
W49 |
Pins 2 & 3 closed | |
|
» |
Factory configured - do not alter |
W54 |
Unidentified |
|
Note: The location of W12 is unidentified. | |||
|
DIMM CONFIGURATION | ||
|
Size |
Bank 0 |
Bank 1 |
|
8MB |
(1) 1M x 64 |
None |
|
16MB |
(1) 2M x 64 |
None |
|
16MB |
(1) 1M x 64 |
(1) 1M x 64 |
|
24MB |
(1) 2M x 64 |
(1) 1M x 64 |
|
32MB |
(1) 4M x 64 |
None |
|
32MB |
(1) 2M x 64 |
(1) 2M x 64 |
|
40MB |
(1) 4M x 64 |
(1) 1M x 64 |
|
48MB |
(1) 4M x 64 |
(1) 2M x 64 |
|
64MB |
(1) 8M x 64 |
None |
|
64MB |
(1) 4M x 64 |
(1) 4M x 64 |
|
72MB |
(1) 8M x 64 |
(1) 1M x 64 |
|
80MB |
(1) 8M x 64 |
(1) 2M x 64 |
|
96MB |
(1) 8M x 64 |
(1) 4M x 64 |
|
128MB |
(1) 8M x 64 |
(1) 8M x 64 |
|
128MB |
(1) 16M x 64 |
None |
|
136MB |
(1) 16M x 64 |
(1) 1M x 64 |
|
144MB |
(1) 16M x 64 |
(1) 2M x 64 |
|
160MB |
(1) 16M x 64 |
(1) 4M x 64 |
|
192MB |
(1) 16M x 64 |
(1) 8M x 64 |
|
256MB |
(1) 16M x 64 |
(1) 16M x 64 |
|
Note: Board accepts EDO memory. | ||
|
CACHE CONFIGURATION | |
|
Size |
Bank 0 |
|
256KB |
(2) 32K x 32 |
|
512KB |
(2) 64K x 32 |
|
Note: The location of bank 0 is unidentified. | |
|
CACHE JUMPER CONFIGURATION | |
|
Size |
W46 |
|
256KB |
Closed |
|
512KB |
Open |
|
CPU SPEED SELECTION (AMD) | |||||||
|
CPU speed |
Clock speed |
Multiplier |
W2 |
W3 |
W4 |
W5 |
W6 |
|
90MHz |
60MHz |
1.5x |
Open |
Open |
Closed |
Open |
Closed |
|
100MHz |
66MHz |
1.5x |
Open |
Open |
Open |
Closed |
Open |
|
120MHz |
60MHz |
2x |
Closed |
Open |
Closed |
Open |
Closed |
|
133MHz |
66MHz |
2x |
Closed |
Open |
Open |
Closed |
Open |
|
150MHz |
60MHz |
2.5x |
Closed |
Closed |
Closed |
Open |
Closed |
|
166MHz |
66MHz |
2.5x |
Closed |
Closed |
Open |
Closed |
Open |
|
180MHz |
60MHz |
3x |
Open |
Closed |
Closed |
Open |
Closed |
|
200MHz |
66MHz |
3x |
Open |
Closed |
Open |
Closed |
Open |
|
233MHz |
66MHz |
3.5x |
Open |
Open |
Open |
Closed |
Open |
|
CPU SPEED SELECTION (INTEL) | |||||||
|
CPU speed |
Clock speed |
Multiplier |
W2 |
W3 |
W4 |
W5 |
W6 |
|
90MHz |
60MHz |
1.5x |
Open |
Open |
Closed |
Open |
Closed |
|
100MHz |
66MHz |
1.5x |
Open |
Open |
Open |
Closed |
Open |
|
120MHz |
60MHz |
2x |
Closed |
Open |
Closed |
Open |
Closed |
|
133MHz |
66MHz |
2x |
Closed |
Open |
Open |
Closed |
Open |
|
150MHz |
60MHz |
2.5x |
Closed |
Closed |
Closed |
Open |
Closed |
|
166MHz |
66MHz |
2.5x |
Closed |
Closed |
Open |
Closed |
Open |
|
180MHz |
60MHz |
3x |
Open |
Closed |
Closed |
Open |
Closed |
|
200MHz |
66MHz |
3x |
Open |
Closed |
Open |
Closed |
Open |
|
233MHz |
66MHz |
3.5x |
Open |
Open |
Open |
Closed |
Open |
|
CPU TYPE SELECTION | ||||
|
Type |
W23 |
W24 |
W25 |
W26 |
|
AM K5 |
Closed |
Closed |
Closed |
Closed |
|
P54C |
Closed |
Closed |
Closed |
Closed |
|
P55C |
Open |
Open |
Open |
Open |
|
MMX |
Open |
Open |
Open |
Open |
|
CPU TYPE SELECTION (CON’T) | ||||
|
Type |
W30 |
W31 |
W32 |
W33 |
|
AM K5 |
Open |
Open |
Open |
Open |
|
P54C |
Open |
Open |
Open |
Open |
|
P55C |
Closed |
Closed |
Closed |
Closed |
|
CPU VOLTAGE SELECTION | ||
|
Voltage |
W27 | |
|
3.3v |
Closed | |
| » |
3.5v |
Open |