LUCKY STAR TECHNOLOGY CO., LTD.
6IX-1
|
Device Type |
Mainboard |
|
Processor |
Pentium II |
|
Processor Speed |
200/233/266/300MHz |
|
Chip Set |
Intel 440FX |
|
Maximum Onboard Memory |
256MB |
|
Cache |
256/512KB (located on Pentium II CPU) |
|
BIOS |
Unidentified |
|
Dimensions |
305mm x 244mm |
|
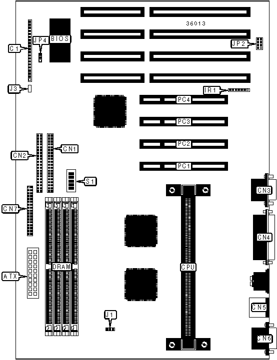
I/O Options |
32-bit PCI slots (4), floppy drive interface, green PC connector, IDE interfaces (2), parallel port, PS/2 mouse port, serial ports (2), IR connector, USB connector, ATX power connector |
|
CONNECTIONS | |||
|
Purpose |
Location |
Purpose |
Location |
|
ATX power connector |
ATX |
Serial port 2 |
CN3 |
|
Power LED & keylock |
C1/pins 1 - 5 |
Parallel port |
CN4 |
|
Speaker |
C1/pins 7 - 10 |
PS/2 mouse port |
CN5 |
|
Reset switch |
C1/pins 12 & 13 |
Serial port 1 |
CN6 |
|
IDE interface LED |
C1/pins 15 & 16 |
Floppy drive interface |
CN7 |
|
Turbo LED |
C1/pins 18 & 19 |
IR connector |
IR1 |
|
Green PC connector |
C1/pins 21 & 22 |
CPU fan power |
J1 |
|
IDE interface 1 |
CN1 |
USB connector |
JP2 |
|
IDE interface 2 |
CN2 |
32-bit PCI slots |
PC1 - PC4 |
|
USER CONFIGURABLE SETTINGS | |||
|
Function |
Label |
Position | |
|
» |
Factory configured - do not alter |
J3 |
Unidentified |
|
» |
CMOS memory normal operation |
JP4 |
Pins 1 & 2 closed |
|
CMOS memory clear |
JP4 |
Pins 2 & 3 closed | |
|
SIMM CONFIGURATION | ||
|
Size |
Bank 0 |
Bank 1 |
|
8MB |
(2) 1M x 36 |
None |
|
16MB |
(2) 2M x 36 |
None |
|
16MB |
(2) 1M x 36 |
(2) 1M x 36 |
|
24MB |
(2) 2M x 36 |
(2) 1M x 36 |
|
32MB |
(2) 4M x 36 |
None |
|
32MB |
(2) 2M x 36 |
(2) 2M x 36 |
|
40MB |
(2) 4M x 36 |
(2) 1M x 36 |
|
48MB |
(2) 4M x 36 |
(2) 2M x 36 |
|
64MB |
(2) 8M x 36 |
None |
|
64MB |
(2) 4M x 36 |
(2) 4M x 36 |
|
72MB |
(2) 8M x 36 |
(2) 1M x 36 |
|
80MB |
(2) 8M x 36 |
(2) 2M x 36 |
|
96MB |
(2) 8M x 36 |
(2) 4M x 36 |
|
128MB |
(2) 8M x 36 |
(2) 8M x 36 |
|
128MB |
(2) 16M x 36 |
None |
|
136MB |
(2) 16M x 36 |
(2) 1M x 36 |
|
144MB |
(2) 16M x 36 |
(2) 2M x 36 |
|
160MB |
(2) 16M x 36 |
(2) 4M x 36 |
|
192MB |
(2) 16M x 36 |
(2) 8M x 36 |
|
256MB |
(2) 16M x 36 |
(2) 16M x 36 |
|
CACHE CONFIGURATION |
|
Note: 256KB/512KB cache is located on the Pentium II CPU. |
|
CPU SPEED SELECTION | |||||||
|
CPU speed |
Clock speed |
Multiplier |
S1/1 |
S1/2 |
S1/3 |
S1/4 |
S1/5 |
|
200MHz |
66MHz |
3x |
Off |
Off |
On |
Off |
Off |
|
233MHz |
66MHz |
3.5x |
Off |
On |
On |
Off |
Off |
|
266MHz |
66MHz |
4x |
Off |
Off |
Off |
On |
Off |
|
300MHz |
66MHz |
4.5x |
Off |
On |
Off |
On |
Off |