LUCKY STAR TECHNOLOGY CO., LTD.
6EX2
|
Device Type |
Mainboard |
|
Processor |
Pentium II/Celeron |
|
Processor Speed |
233/266/300/333MHz |
|
Chip Set |
Intel 440EX |
|
Video Chip Set |
None |
|
Maximum Onboard Memory |
512MB (EDO & SDRAM supported) |
|
Maximum Video Memory |
None |
|
Cache |
0/128/512KB (located on the CPU) |
|
BIOS |
Award |
|
Dimensions |
220mm x 220mm |
|
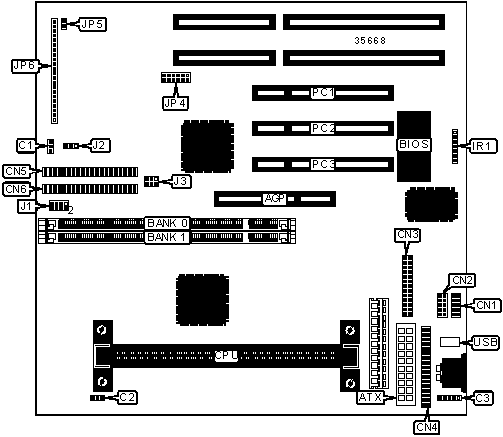
I/O Options |
32-bit PCI slots (3), floppy drive interface, green PC connector, IDE interfaces (2), parallel port, PS/2 mouse interface, serial ports (2), IR connector, USB connector, ATX power connector, AGP slot |
|
CONNECTIONS | |||
|
Purpose |
Location |
Purpose |
Location |
|
AGP slot |
AGP |
IR connector |
IR1 |
|
ATX power connector |
ATX |
Soft off power supply |
JP5 |
|
CPU fan power |
C1 |
Power LED & keylock |
JP6/pins 1 – 5 |
|
CPU fan power |
C2 |
Speaker |
JP6/pins 7 – 10 |
|
PS/2 mouse interface |
C3 |
Reset switch |
JP6/pins 12 & 13 |
|
Serial port 2 |
CN1 |
IDE interface LED |
JP6/pins 15 & 16 |
|
Serial port 1 |
CN2 |
Turbo LED |
JP6/pins 18 & 19 |
|
Parallel port |
CN3 |
Green PC connector |
JP6/pins 21 & 22 |
|
Floppy drive interface |
CN4 |
32-bit PCI slots |
PC1 – PC3 |
|
IDE interface 1 |
CN5 |
USB connector |
USB |
|
IDE interface 2 |
CN6 | ||
|
USER CONFIGURABLE SETTINGS | |||
|
Function |
Label |
Position | |
|
» |
CMOS memory normal operation |
J2 |
Pins 1 & 2 closed |
|
CMOS memory clear |
J2 |
Pins 2 & 3 closed | |
|
» |
Factory configured - do not alter |
JP4 |
Unidentified |
|
DIMM CONFIGURATION | ||
|
Size |
Bank 0 |
Bank 1 |
|
8MB |
(1) 1M x 64 |
None |
|
16MB |
(1) 2M x 64 |
None |
|
16MB |
(1) 1M x 64 |
(1) 1M x 64 |
|
24MB |
(1) 2M x 64 |
(1) 1M x 64 |
|
32MB |
(1) 4M x 64 |
None |
|
32MB |
(1) 2M x 64 |
(1) 2M x 64 |
|
40MB |
(1) 4M x 64 |
(1) 1M x 64 |
|
48MB |
(1) 4M x 64 |
(1) 2M x 64 |
|
64MB |
(1) 8M x 64 |
None |
|
64MB |
(1) 4M x 64 |
(1) 4M x 64 |
|
72MB |
(1) 8M x 64 |
(1) 1M x 64 |
|
80MB |
(1) 8M x 64 |
(1) 2M x 64 |
|
96MB |
(1) 8M x 64 |
(1) 4M x 64 |
|
128MB |
(1) 16M x 64 |
None |
|
DIMM CONFIGURATION (CON’T) | ||
|
Size |
Bank 0 |
Bank 1 |
|
128MB |
(1) 8M x 64 |
(1) 8M x 64 |
|
136MB |
(1) 16M x 64 |
(1) 1M x 64 |
|
144MB |
(1) 16M x 64 |
(1) 2M x 64 |
|
160MB |
(1) 16M x 64 |
(1) 4M x 64 |
|
192MB |
(1) 16M x 64 |
(1) 8M x 64 |
|
256MB |
(1) 16M x 64 |
(1) 16M x 64 |
|
Note: Board accepts EDO & SDRAM memory. Maximum SDRAM is 256MB. Maximum 512EDO is MB. | ||
|
DIMM VOLTAGE CONFIGURATION | |
|
Voltage |
J1 |
|
3.3v |
Pins 1 & 2, 3 & 4 closed |
|
5v |
Pins 5 & 6, 7 & 8 closed |
|
CACHE CONFIGURATION |
|
Note: 512KB cache is located on the Pentium II CPU. 128KB cache is located in the Celeron 300A & 333 CPU. |