GIGA-BYTE TECHNOLOGY CO., LTD.
GA-6ZMM (VER. 1.4)
|
Device Type |
Mainboard |
|
Processor |
Pentium II/Celeron |
|
Processor Speed |
266/300/333/350/366/400/433/450/466/500/550/600/650MHz |
|
Chip Set |
Intel 440BX |
|
Video Chip Set |
ATI |
|
Maximum Onboard Memory |
512MB (EDO & SDRAM supported) |
|
Maximum Video Memory |
Unidentified |
|
Audio Chip Set |
ATI |
|
Cache |
0/128/256/512KB (located on the CPU) |
|
BIOS |
Award |
|
Dimensions |
245mm x 200mm |
|
I/O Options |
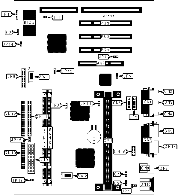
32-bit PCI slots (3), floppy drive interface, game/MIDI port, green PC connector, IDE interfaces (2), parallel port, PS/2 mouse port, serial ports (2), VGA port, IR connector, USB connectors (2), ATX power connector, AGP slot, line in, line out, microphone in, audio in - CD-ROMs (2), wake on LAN connector, wake on modem connector |

|
CONNECTIONS |
|||
|
Purpose |
Location |
Purpose |
Location |
|
AGP slot |
AGP |
Floppy drive interface |
CN13 |
|
ATX power connector |
ATX |
VGA port |
CN14 |
|
CPU fan power |
C1 |
Serial port 2 |
CN15 |
|
Power fan power |
C2 |
IR connector |
IR1 |
|
Chassis fan power |
C3 |
Wake on modem connector |
J11 |
|
Game/MIDI port |
CN1 |
Audio in - CD-ROM |
JP5 |
|
Microphone in |
CN2 |
Green PC LED |
JP6/pins 1 & 12 |
|
Line in |
CN3 |
Reset switch |
JP6/pins 3 & 4 |
|
Line out |
CN4 |
Speaker |
JP6/pins 5 - 8 |
|
Serial port 1 |
CN5 |
IDE interface LED |
JP6/pins 9 & 20 |
|
Audio in - CD-ROM |
CN6 |
Green PC connector |
JP6/pins 11 & 22 |
|
Parallel port |
CN7 |
Soft off power supply |
JP6/pins 15 & 16 |
|
USB connector 1 |
CN8 |
Power LED |
JP6/pins 17 - 19 |
|
USB connector 2 |
CN9 |
Wake on LAN connector |
JP7 |
|
PS/2 mouse port |
CN10 |
STR LED |
JP15 |
|
IDE interface 2 |
CN11 |
32-bit PCI slots |
PC1 - PC3 |
|
IDE interface 1 |
CN12 |
|
|
|
USER CONFIGURABLE SETTINGS |
|||
|
Function |
Label |
Position |
|
|
» |
Keyboard power on disabled |
JP1 |
Pins 2 & 3 closed |
|
Keyboard power on enabled |
JP1 |
Pins 1 & 2 closed |
|
|
» |
VGA INT disabled |
JP8 |
Pins 1 & 2 closed |
|
|
VGA INT enabled |
JP8 |
Pins 2 & 3 closed |
|
» |
On board sound enabled |
JP9 |
Pins 1 & 2 closed |
|
|
On board sound disabled |
JP9 |
Pins 2 & 3 closed |
|
» |
System acceleration select 100MHz |
JP11 |
Pins 2 & 3 closed |
|
|
System acceleration select turbo |
JP11 |
Pins 1 & 2 closed |
|
» |
On board video enabled |
JP12 |
Pins 2 & 3 closed |
|
|
On board video disabled |
JP12 |
Pins 1 & 2 closed |
|
» |
Suspend to RAM function enabled |
JP13 |
Open |
|
|
Suspend to RAM function disabled |
JP13 |
Closed |
|
» |
CMOS memory normal operation |
JP14 |
Pins 2 & 3 closed |
|
|
CMOS memory clear |
JP14 |
Pins 1 & 2 closed |
|
DIMM CONFIGURATION |
||
|
Size |
Bank 0 |
Bank 1 |
|
8MB |
(1) 1M x 64 |
None |
|
16MB |
(1) 2M x 64 |
None |
|
16MB |
(1) 1M x 64 |
(1) 1M x 64 |
|
24MB |
(1) 2M x 64 |
(1) 1M x 64 |
|
32MB |
(1) 4M x 64 |
None |
|
DIMM CONFIGURATION (CON'T) |
||
|
Size |
Bank 0 |
Bank 1 |
|
32MB |
(1) 2M x 64 |
(1) 2M x 64 |
|
40MB |
(1) 4M x 64 |
(1) 1M x 64 |
|
48MB |
(1) 4M x 64 |
(1) 2M x 64 |
|
64MB |
(1) 8M x 64 |
None |
|
64MB |
(1) 4M x 64 |
(1) 4M x 64 |
|
72MB |
(1) 8M x 64 |
(1) 1M x 64 |
|
80MB |
(1) 8M x 64 |
(1) 2M x 64 |
|
96MB |
(1) 8M x 64 |
(1) 4M x 64 |
|
128MB |
(1) 8M x 64 |
(1) 8M x 64 |
|
128MB |
(1) 16M x 64 |
None |
|
136MB |
(1) 16M x 64 |
(1) 1M x 64 |
|
144MB |
(1) 16M x 64 |
(1) 2M x 64 |
|
160MB |
(1) 16M x 64 |
(1) 4M x 64 |
|
192MB |
(1) 16M x 64 |
(1) 8M x 64 |
|
256MB |
(1) 16M x 64 |
(1) 16M x 64 |
|
256MB |
(1) 32M x 64 |
None |
|
264MB |
(1) 32M x 64 |
(1) 1M x 64 |
|
272MB |
(1) 32M x 64 |
(1) 2M x 64 |
|
288MB |
(1) 32M x 64 |
(1) 4M x 64 |
|
320MB |
(1) 32M x 64 |
(1) 8M x 64 |
|
384MB |
(1) 32M x 64 |
(1) 16M x 64 |
|
512MB |
(1) 32M x 64 |
(1) 32M x 64 |
|
Note: Board accepts SDRAM memory. |
||
|
CACHE CONFIGURATION |
|
Note: 256KB/512KB cache is located on the Pentium II CPU. 128KB cache is located on the Celeron 300A & 333 CPU. |
|
VIDEO MEMORY CONFIGURATION |
|
Note: The location of the video memory is unidentified. |
|
CPU SPEED SELECTION (CELERON) |
||||||
|
CPU speed |
Clock speed |
Multiplier |
SW1/1 |
SW1/2 |
SW1/3 |
SW1/4 |
|
266MHz |
66MHz |
4x |
On |
Off |
Off |
On |
|
300MHz |
66MHz |
4.5x |
On |
Off |
Off |
On |
|
333MHz |
66MHz |
5x |
On |
Off |
Off |
On |
|
366MHz |
66MHz |
5.5x |
On |
Off |
Off |
On |
|
400MHz |
66MHz |
6x |
On |
Off |
Off |
On |
|
433MHz |
66MHz |
6.5x |
On |
Off |
Off |
On |
|
CPU SPEED SELECTION (CELERON, CON'T) |
||||||
|
CPU speed |
Clock speed |
Multiplier |
SW2/1 |
SW2/2 |
SW2/3 |
SW2/4 |
|
266MHz |
66MHz |
4x |
On |
On |
Off |
On |
|
300MHz |
66MHz |
4.5x |
Off |
On |
Off |
On |
|
333MHz |
66MHz |
5x |
On |
Off |
Off |
On |
|
366MHz |
66MHz |
5.5x |
Off |
Off |
Off |
On |
|
400MHz |
66MHz |
6x |
On |
On |
On |
Off |
|
433MHz |
66MHz |
6.5x |
Off |
On |
On |
Off |
|
CPU SPEED SELECTION (PENTIUM II) |
||||||
|
CPU speed |
Clock speed |
Multiplier |
SW1/1 |
SW1/2 |
SW1/3 |
SW1/4 |
|
266MHz |
66MHz |
4x |
On |
Off |
Off |
On |
|
300MHz |
66MHz |
4.5x |
On |
Off |
Off |
On |
|
333MHz |
66MHz |
5x |
On |
Off |
Off |
On |
|
366MHz |
66MHz |
5.5x |
On |
Off |
Off |
On |
|
400MHz |
66MHz |
6x |
On |
Off |
Off |
On |
|
433MHz |
66MHz |
6.5x |
On |
Off |
Off |
On |
|
350MHz |
100MHz |
3.5x |
Off |
Off |
Off |
Off |
|
400MHz |
100MHz |
4x |
Off |
Off |
Off |
Off |
|
450MHz |
100MHz |
4.5x |
Off |
Off |
Off |
Off |
|
500MHz |
100MHz |
5x |
Off |
Off |
Off |
Off |
|
550MHz |
100MHz |
5.5x |
Off |
Off |
Off |
Off |
|
600MHz |
100MHz |
6x |
Off |
Off |
Off |
Off |
|
650MHz |
100MHz |
6.5x |
Off |
Off |
Off |
Off |
|
CPU SPEED SELECTION (PENTIUM II, CON'T) |
||||||
|
CPU speed |
Clock speed |
Multiplier |
SW2/1 |
SW2/2 |
SW2/3 |
SW2/4 |
|
266MHz |
66MHz |
4x |
On |
On |
Off |
On |
|
300MHz |
66MHz |
4.5x |
Off |
On |
Off |
On |
|
333MHz |
66MHz |
5x |
On |
Off |
Off |
On |
|
366MHz |
66MHz |
5.5x |
Off |
Off |
Off |
On |
|
400MHz |
66MHz |
6x |
On |
On |
On |
Off |
|
433MHz |
66MHz |
6.5x |
Off |
On |
On |
Off |
|
350MHz |
100MHz |
3.5x |
Off |
Off |
On |
On |
|
400MHz |
100MHz |
4x |
On |
On |
Off |
On |
|
450MHz |
100MHz |
4.5x |
Off |
On |
Off |
On |
|
500MHz |
100MHz |
5x |
On |
Off |
Off |
On |
|
550MHz |
100MHz |
5.5x |
Off |
Off |
Off |
On |
|
600MHz |
100MHz |
6x |
On |
On |
On |
Off |
|
650MHz |
100MHz |
6.5x |
Off |
On |
On |
Off |