EPOX COMPUTER CO., LTD.
KP6-FX
|
Processor |
Pentium II |
|
Processor Speed |
200/233/266/300MHz |
|
Chip Set |
Intel |
|
Video Chip Set |
None |
|
Maximum Onboard Memory |
1GB (EDO supported) |
|
Maximum Video Memory |
None |
|
Cache |
Unidentified |
|
BIOS |
Award |
|
Dimensions |
305mm x 244mm |
|
I/O Options |
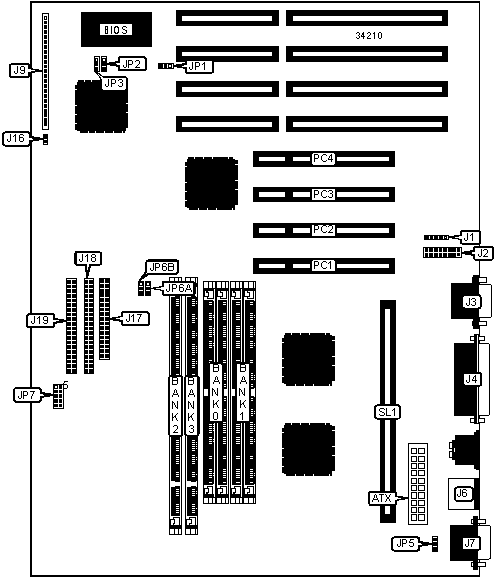
32-bit PCI slots (4), floppy drive interface, green PC connector, IDE interfaces (2), parallel port, PS/2 mouse port, serial ports (2), IR connector, USB connector, ATX power connector |
|
NPU Options |
None |
|
CONNECTIONS | |||
|
Purpose |
Location |
Purpose |
Location |
|
ATX power connector |
ATX |
Green PC connector |
J9/pins 18 & 19 |
|
IR connector |
J1 |
Green PC LED |
J9/pins 21 & 22 |
|
USB connector |
J2 |
IDE interface LED |
J9/pins 24 & 25 |
|
Serial port 2 |
J3 |
Soft off power supply |
J16 |
|
Parallel port |
J4 |
Floppy drive interface |
J17 |
|
PS/2 mouse port |
J6 |
IDE interface 1 |
J18 |
|
Serial port 1 |
J7 |
IDE interface 2 |
J19 |
|
Power LED & keylock |
J9/pins 1 – 5 |
Chassis fan power |
JP5 |
|
Speaker |
J9/pins 7 - 10 |
32-bit PCI slots |
PC1 – PC4 |
|
Reset switch |
J9/pins 12 & 13 |
CPU Slot 1 |
SL1 |
|
Turbo LED |
J9/pins 15 & 16 | ||
|
USER CONFIGURABLE SETTINGS | |||
|
Function |
Label |
Position | |
|
» |
CMOS memory normal operation |
JP1 |
Pins 1 & 2 closed |
|
CMOS memory clear |
JP1 |
Pins 2 & 3 closed | |
|
DIMM/DRAM CONFIGURATION | ||||
|
Size |
Bank 0 |
Bank 1 |
Bank 2 |
Bank 3 |
|
8MB |
(2) 1M x 36 |
None |
None |
None |
|
8MB |
None |
(2) 1M x 36 |
None |
None |
|
8MB |
None |
None |
(1) 1M x 64 |
None |
|
16MB |
(2) 2M x 36 |
None |
None |
None |
|
16MB |
None |
None |
(1) 2M x 64 |
None |
|
16MB |
(2) 1M x 36 |
(2) 1M x 36 |
None |
None |
|
16MB |
(2) 1M x 36 |
None |
None |
(1) 1M x 64 |
|
16MB |
None |
None |
(1) 1M x 64 |
(1) 1M x 64 |
|
24MB |
None |
(2) 2M x 36 |
(1) 1M x 64 |
None |
|
32MB |
(2) 4M x 36 |
None |
None |
None |
|
32MB |
None |
None |
(1) 4M x 64 |
None |
|
32MB |
(2) 2M x 36 |
None |
None |
(1) 2M x 64 |
|
32MB |
None |
(2) 2M x 36 |
(1) 2M x 64 |
None |
|
40MB |
(2) 4M x 36 |
(2) 1M x 36 |
None |
None |
|
40MB |
(2) 4M x 36 |
None |
None |
(1) 1M x 64 |
|
48MB |
(2) 2M x 36 |
None |
None |
(1) 4M x 64 |
|
48MB |
(2) 4M x 36 |
(2) 2M x 36 |
None |
None |
|
48MB |
(2) 4M x 36 |
None |
None |
(1) 2M x 64 |
|
64MB |
(2) 8M x 36 |
None |
None |
None |
|
64MB |
None |
None |
None |
(1) 8M x 64 |
|
64MB |
(2) 4M x 36 |
(2) 4M x 36 |
None |
None |
|
64MB |
(2) 4M x 36 |
None |
None |
(1) 4M x 64 |
|
64MB |
None |
None |
(1) 4M x 64 |
(1) 4M x 64 |
|
DIMM/DRAM CONFIGURATION (CON’T) | ||||
|
Size |
Bank 0 |
Bank 1 |
Bank 2 |
Bank 3 |
|
72MB |
(2) 8M x 36 |
(2) 1M x 36 |
None |
None |
|
72MB |
(2) 8M x 36 |
None |
None |
(1) 1M x 64 |
|
80MB |
None |
(2) 2M x 36 |
(1) 8M x 64 |
None |
|
80MB |
(2) 2M x 36 |
None |
None |
(1) 8M x 64 |
|
80MB |
(2) 8M x 36 |
(2) 2M x 36 |
None |
None |
|
80MB |
(2) 8M x 36 |
None |
None |
(1) 2M x 64 |
|
96MB |
(2) 4M x 36 |
None |
None |
(1) 8M x 64 |
|
96MB |
(2) 8M x 36 |
(2) 4M x 36 |
None |
None |
|
96MB |
(2) 8M x 36 |
None |
None |
(1) 4M x 64 |
|
96MB |
None |
(2) 8M x 36 |
(1) 4M x 64 |
None |
|
128MB |
None |
None |
(1) 8M x 64 |
(1) 8M x 64 |
|
128MB |
(2) 8M x 36 |
(2) 8M x 36 |
None |
None |
|
128MB |
(2) 8M x 36 |
None |
None |
(1) 8M x 64 |
|
128MB |
(2) 16M x 36 |
None |
None |
None |
|
128MB |
None |
None |
(1) 16M x 64 |
None |
|
136MB |
(2) 16M x 36 |
(2) 1M x 36 |
None |
None |
|
136MB |
None |
None |
(1) 16M x 64 |
(1) 1M x 64 |
|
144MB |
(2) 16M x 36 |
(2) 2M x 36 |
None |
None |
|
144MB |
None |
None |
(1) 16M x 64 |
(1) 2M x 64 |
|
160MB |
(2) 16M x 36 |
(2) 4M x 36 |
None |
None |
|
160MB |
None |
None |
(1) 16M x 64 |
(1) 4M x 64 |
|
192MB |
(2) 16M x 36 |
(2) 8M x 36 |
None |
None |
|
192MB |
None |
None |
(1) 16M x 64 |
(1) 8M x 64 |
|
256MB |
(2) 16M x 36 |
(2) 16M x 36 |
None |
None |
|
256MB |
(2) 32M x 36 |
None |
None |
None |
|
256MB |
None |
None |
(1) 16M x 64 |
(1) 16M x 64 |
|
264MB |
(2) 32M x 36 |
(2) 1M x 36 |
None |
None |
|
272MB |
(2) 32M x 36 |
(2) 2M x 36 |
None |
None |
|
288MB |
(2) 32M x 36 |
(2) 4M x 36 |
None |
None |
|
320MB |
(2) 32M x 36 |
(2) 8M x 36 |
None |
None |
|
384MB |
(2) 32M x 36 |
(2) 16M x 36 |
None |
None |
|
512MB |
(2) 32M x 36 |
(2) 32M x 36 |
None |
None |
|
512MB |
None |
None |
(1) 64M x 64 |
None |
|
520MB |
None |
None |
(1) 64M x 64 |
(1) 1M x 64 |
|
528MB |
None |
None |
(1) 64M x 64 |
(1) 2M x 64 |
|
544MB |
None |
None |
(1) 64M x 64 |
(1) 4M x 64 |
|
576MB |
None |
None |
(1) 64M x 64 |
(1) 8M x 64 |
|
640MB |
None |
None |
(1) 64M x 64 |
(1) 16M x 64 |
|
1GB |
(2) 32M x 36 |
(2) 32M x 36 |
(1) 64M x 64 |
None |
|
1GB |
None |
None |
(1) 64M x 64 |
(1) 64M x 64 |
|
Note: Board accepts EDO memory. Board also accepts x 32 SIMMs. | ||||
|
DIMM VOLTAGE CONFIGURATION | |||
|
Voltage |
JP6A |
JP6B | |
| » |
3.3v |
Pins 2 & 3 closed |
Pins 2 & 3 closed |
|
Reserved |
Pins 1 & 2 closed |
Pins 1 & 2 closed | |
|
CACHE CONFIGURATION |
|
Note: The size of the cache is unidentified. |
|
CPU SPEED SELECTION | |
|
Speed |
JP7 |
|
200MHz |
Pins 1 & 6 closed |
|
233MHz |
Pins 2 & 7 closed |
|
266MHz |
Pins 3 & 8 closed |
|
300MHz |
Pins 4 & 9 closed |
|
FLASH BIOS VOLTAGE SELECTION | |||
|
Voltage |
JP2 |
JP3 | |
| » |
5v |
Pins 2 & 3 closed |
Pins 2 & 3 closed |
|
12v |
Pins 1 & 2 closed |
Pins 1 & 2 closed | |