EVEREX SYSTEMS, INC.
STEP 486e 12 SLOT (EV-18113) REV. E
|
Processor |
80486DX |
|
Processor Speed |
25/33MHz |
|
Chip Set |
C & T |
|
Max. Onboard DRAM |
None |
|
Cache |
256KB |
|
BIOS |
AMI |
|
Dimensions |
330mm x 218mm |
|
I/O Options |
External memory card |
|
NPU Options |
4167 |
|
USER CONFIGURABLE SETTINGS | |||
|
Function |
Jumper/Switch |
Position | |
| » |
EISA setup enabled |
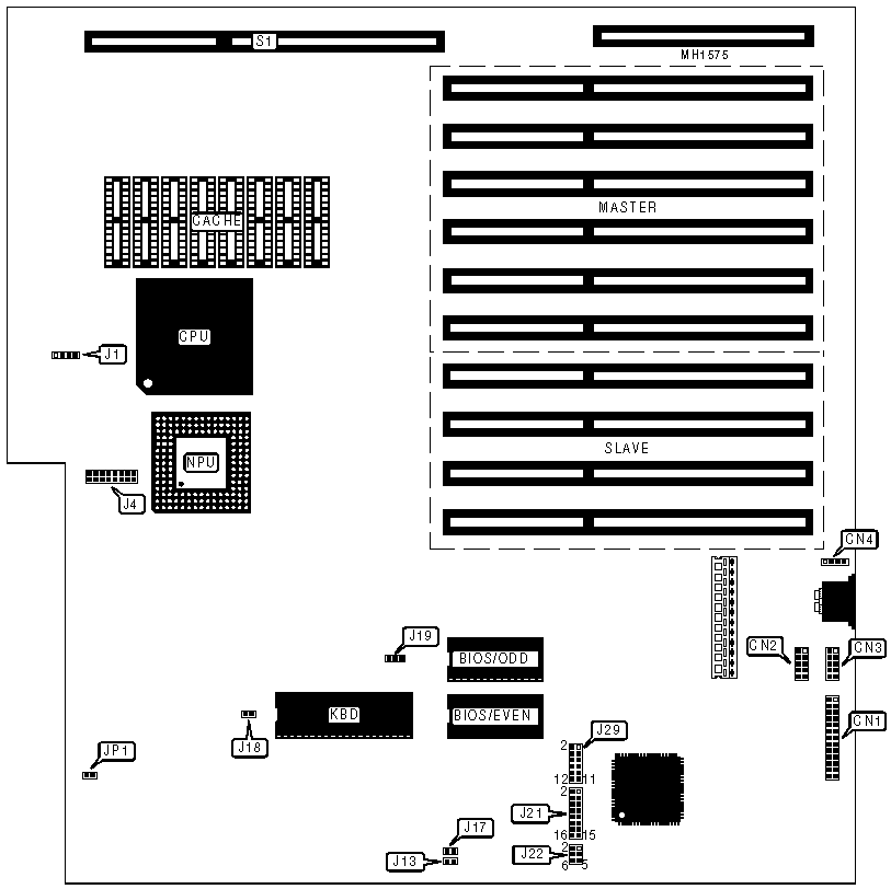
J13 |
Closed |
|
EISA setup bypassed |
J13 |
Open | |
| » |
Password check enabled |
J19 |
Closed |
|
Password check disabled |
J19 |
Open | |
| » |
CPU speed select 25MHz |
J18 |
Closed |
|
CPU speed select 33MHz |
J18 |
Open | |
| » |
BIOS type select 27256 |
JP1 |
Closed |
|
BIOS type select 27512 |
JP1 |
Open | |
|
SERIAL PORT CONFIGURATION | ||||||
|
Port 1 |
Port 2 |
J29/pins 1 & 2 |
J29/pins 3 & 4 |
J29/pins 5 & 6 |
J29/pins 7 & 8 | |
| » |
COM1 |
COM2 |
Closed |
Open |
Closed |
Open |
|
COM1 |
Disabled |
Closed |
Open |
Open |
Open | |
|
Disabled |
COM2 |
Open |
Open |
Closed |
Open | |
|
COM3 |
COM4 |
Open |
Closed |
Open |
Closed | |
|
COM3 |
Disabled |
Open |
Closed |
Open |
Open | |
|
Disabled |
COM4 |
Open |
Open |
Open |
Closed | |
|
SERIAL PORT 1 INTERRUPTS | |||||
|
Port 1 |
J21/pins 1 & 2 |
J21/pins 3 & 4 |
J21/pins 5 & 6 |
J21/pins 7 & 8 | |
| » |
IRQ3 |
Open |
Open |
Closed |
Open |
|
IRQ4 |
Open |
Closed |
Open |
Open | |
|
IRQ5 |
Closed |
Open |
Open |
Open | |
|
IRQ9 |
Open |
Open |
Open |
Closed | |
|
SERIAL PORT 2 INTERRUPTS | |||||
|
Port 2 |
J21/pins 9 & 10 |
J21/pins 11 & 12 |
J21/pins 13 & 14 |
J21/pins 15 & 16 | |
|
IRQ3 |
Open |
Open |
Closed |
Open | |
| » |
IRQ4 |
Open |
Closed |
Open |
Open |
|
IRQ5 |
Closed |
Open |
Open |
Open | |
|
IRQ9 |
Open |
Open |
Open |
Closed | |
|
PARALLEL PORT CONFIGURATION | |||
|
LPT |
J29/pins 9 & 10 |
J29/pins 11 & 12 | |
| » |
1 |
Closed |
Open |
|
2 |
Open |
Closed | |
|
Disabled |
Open |
Open | |
|
PARALLEL PORT INTERRUPTS | ||||
|
IRQ |
J22/pins 1 & 2 |
J22/pins 3 & 4 |
J22/pins 5 & 6 | |
|
5 |
Open |
Closed |
Open | |
| » |
7 |
Closed |
Open |
Open |
|
9 |
Open |
Open |
Closed | |
|
DRAM CONFIGURATION | ||||
|
Size |
Bank 0 |
Bank 1 |
Bank 2 |
Bank 3 |
|
4MB |
(4) 256K x 9 |
(4) 256K x 9 |
(4) 256K x 9 |
(4) 256K x 9 |
|
4MB |
(4) 1M x 9 |
NONE |
NONE |
NONE |
|
8MB |
(4) 1M x 9 |
(4) 1M x 9 |
NONE |
NONE |
|
10MB |
(4) 1M x 9 |
(4) 1M x 9 |
(4) 256K x 9 |
(4) 256K x 9 |
|
16MB |
(4) 1M x 9 |
(4) 1M x 9 |
(4) 1M x 9 |
(4) 1M x 9 |
|
16MB |
(4) 4M x 9 |
NONE |
NONE |
NONE |
|
32MB |
(4) 4M x 9 |
(4) 4M x 9 |
NONE |
NONE |
|
34MB |
(4) 4M x 9 |
(4) 4M x 9 |
(4) 256K x 9 |
(4) 256K x 9 |
|
40MB |
(4) 4M x 9 |
(4) 4M x 9 |
(4) 1M x 9 |
(4) 1M x 9 |
|
64MB |
(4) 4M x 9 |
(4) 4M x 9 |
(4) 4M x 9 |
(4) 4M x 9 |