DIGITAL EQUIPMENT CORPORATION
DIGITAL SERVER 5100, DIGITAL SERVER 5200
|
Device Type |
Mainboard |
|
Processor |
Pentium Pro/Pentium II |
|
Processor Speed |
133/166/200/233/266/300/333/366/400/433/466/500/533MHz |
|
Chip Set |
Unidentified |
|
Video Chip Set |
Unidentified |
|
Maximum Onboard Memory |
1GB (EDO supported) |
|
Maximum Video Memory |
Unidentified |
|
Cache |
256/512KB (located on Pentium Pro/Pentium II CPU) |
|
BIOS |
Unidentified |
|
Dimensions |
305mm x 244mm |
|
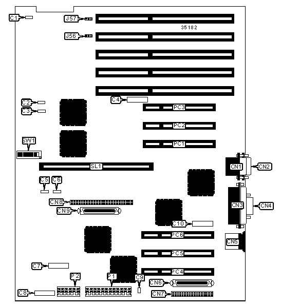
I/O Options (backplane) |
32-bit PCI slots (6), floppy drive interface, SCSI interface, Wide Ultra SCSI interfaces (2), parallel port, PS/2 mouse port, serial ports (2), VGA port, CPU slot |
|
I/O Options (CPU) |
VRM connectors (2) |
|
NPU Options |
None |
|
CONNECTIONS | |||
|
Purpose |
Location |
Purpose |
Location |
|
Chassis fan power |
C1 |
Parallel port |
CN3 |
|
Speaker |
C2 |
VGA port |
CN4 |
|
Chassis fan power |
C3 |
PS/2 mouse port |
CN5 |
|
Remote Server Management |
C4 |
Ultra Wide SCSI interface |
CN6 |
|
Chassis fan power |
C5 |
Floppy drive interface |
CN7 |
|
Chassis fan power |
C6 |
SCSI interface |
CN8 |
|
Operator control panel |
C7 |
Ultra Wide SCSI interface |
CN9 |
|
Power control signal |
C8 |
3.3v power |
P1 |
|
Chassis fan power |
C9 |
5v power |
P2 |
|
Ethernet daughter connector |
C10 |
32-bit PCI slots |
PC1 – PC6 |
|
Serial port |
CN1 |
CPU slot |
SL1 |
|
Serial port |
CN2 | ||
|
USER CONFIGURABLE SETTINGS | |||
|
Function |
Label |
Position | |
|
» |
EISA slot 4 master delay select normal |
J56 |
Pins 1 & 2 closed |
|
EISA slot 4 master delay select delay one clock cycle |
J56 |
Pins 2 & 3 closed | |
|
» |
EISA slot 5 master delay select normal |
J57 |
Pins 1 & 2 closed |
|
EISA slot 5 master delay select delay one clock cycle |
J57 |
Pins 2 & 3 closed | |
|
» |
BIOS upgrade enabled |
SW1/1 |
On |
|
BIOS upgrade disabled |
SW1/1 |
Off | |
|
» |
BIOS normal operation |
SW1/2 |
Off |
|
BIOS recovery mode |
SW1/2 |
On | |
|
» |
Boot block update disabled |
SW1/3 |
Off |
|
Boot block update enabled |
SW1/3 |
On | |
|
» |
Password normal operation |
SW1/4 |
Off |
|
Password clear |
SW1/4 |
On | |
|
» |
RSM not installed |
SW1/5 |
On |
|
RSM installed |
SW1/5 |
Off | |
|
» |
CMOS memory normal operation |
SW1/6 |
Off |
|
CMOS memory clear |
SW1/6 |
On | |
|
» |
Factory configured - do not alter |
SW1/7 |
Off |
|
» |
Factory configured - do not alter |
SW1/8 |
Off |
|
CONNECTIONS | |||
|
Purpose |
Location |
Purpose |
Location |
|
VRM connector |
CN1 |
VRM connector |
CN2 |
|
SIMM CONFIGURATION | ||||
|
Size |
Bank 0 |
Bank 1 |
Bank 2 |
Bank 3 |
|
64MB |
(2) 8M x 36 |
None |
None |
None |
|
128MB |
(2) 16M x 36 |
None |
None |
None |
|
128MB |
(2) 8M x 36 |
(2) 8M x 36 |
None |
None |
|
192MB |
(2) 16M x 36 |
(2) 8M x 36 |
None |
None |
|
192MB |
(2) 8M x 36 |
(2) 8M x 36 |
(2) 8M x 36 |
None |
|
256MB |
(2) 16M x 36 |
(2) 16M x 36 |
None |
None |
|
256MB |
(2) 8M x 36 |
(2) 8M x 36 |
(2) 8M x 36 |
(2) 8M x 36 |
|
320MB |
(2) 16M x 36 |
(2) 8M x 36 |
(2) 8M x 36 |
(2) 8M x 36 |
|
384MB |
(2) 16M x 36 |
(2) 16M x 36 |
(2) 16M x 36 |
None |
|
448MB |
(2) 32M x 36 |
(2) 8M x 36 |
(2) 8M x 36 |
(2) 8M x 36 |
|
SIMM CONFIGURATION (CON’T) | ||||
|
Size |
Bank 0 |
Bank 1 |
Bank 2 |
Bank 3 |
|
512MB |
(2) 32M x 36 |
(2) 32M x 36 |
None |
None |
|
512MB |
(2) 16M x 36 |
(2) 16M x 36 |
(2) 16M x 36 |
(2) 16M x 36 |
|
640MB |
(2) 32M x 36 |
(2) 16M x 36 |
(2) 16M x 36 |
(2) 16M x 36 |
|
768MB |
(2) 32M x 36 |
(2) 32M x 36 |
(2) 32M x 36 |
None |
|
1024MB |
(2) 32M x 36 |
(2) 32M x 36 |
(2) 32M x 36 |
(2) 32M x 36 |
|
Note: Board accepts EDO memory. | ||||
|
CACHE CONFIGURATION |
|
Note: 256KB/512KB cache is located on the Pentium Pro CPU. |
|
CPU SPEED SELECTION | ||||||
|
CPU speed |
Clock speed |
Multiplier |
SW1/1 |
SW1/2 |
SW1/3 |
SW1/4 |
|
133MHz |
66MHz |
2x |
Off |
Off |
Off |
Off |
|
166MHz |
66MHz |
2.5x |
Off |
On |
Off |
Off |
|
200MHz |
66MHz |
3x |
Off |
Off |
On |
Off |
|
233MHz |
66MHz |
3.5x |
Off |
On |
On |
Off |
|
266MHz |
66MHz |
4x |
Off |
Off |
Off |
On |
|
CONNECTIONS | |||
|
Purpose |
Location |
Purpose |
Location |
|
VRM connector |
CN1 |
VRM connector |
CN2 |
|
DIMM CONFIGURATION | ||||
|
Size |
Bank 0 |
Bank 1 |
Bank 2 |
Bank 3 |
|
64MB |
(1) 8M x 64 |
None |
None |
None |
|
128MB |
(1) 16M x 64 |
None |
None |
None |
|
192MB |
(1) 16M x 64 |
(1) 8M x 64 |
None |
None |
|
256MB |
(1) 16M x 64 |
(1) 16M x 64 |
None |
None |
|
256MB |
(1) 8M x 64 |
(1) 8M x 64 |
(1) 8M x 64 |
(1) 8M x 64 |
|
320MB |
(1) 16M x 64 |
(1) 8M x 64 |
(1) 8M x 64 |
(1) 8M x 64 |
|
384MB |
(1) 16M x 64 |
(1) 16M x 64 |
(1) 16M x 64 |
None |
|
512MB |
(1) 16M x 64 |
(1) 16M x 64 |
(1) 16M x 64 |
(1) 16M x 64 |
|
Note: Board accepts EDO memory. | ||||
|
CACHE CONFIGURATION |
|
Note: 256KB/512KB cache is located on the Pentium II CPU. |
|
CPU SPEED SELECTION | ||||||
|
CPU speed |
Clock speed |
Multiplier |
SW1/1 |
SW1/2 |
SW1/3 |
SW1/4 |
|
200MHz |
66MHz |
3x |
Off |
On |
Off |
Off |
|
233MHz |
66MHz |
3.5x |
On |
On |
Off |
Off |
|
266MHz |
66MHz |
4x |
Off |
Off |
On |
Off |
|
300MHz |
66MHz |
4.5x |
On |
Off |
On |
Off |
|
333MHz |
66MHz |
5x |
Off |
On |
On |
Off |
|
366MHz |
66MHz |
5.5x |
On |
On |
On |
Off |
|
400MHz |
66MHz |
6x |
Off |
Off |
Off |
On |
|
433MHz |
66MHz |
6.5x |
On |
Off |
Off |
On |
|
466MHz |
66MHz |
7x |
Off |
On |
Off |
On |
|
500MHz |
66MHz |
7.5x |
On |
On |
Off |
On |
|
533MHz |
66MHz |
8x |
Off |
Off |
On |
On |
|
CPU SPEED SELECTION (CON’T) | ||||||
|
CPU speed |
Clock speed |
Multiplier |
SW1/5 |
SW1/6 |
SW1/7 |
SW1/8 |
|
200MHz |
66MHz |
3x |
On |
On |
On |
On |
|
233MHz |
66MHz |
3.5x |
On |
On |
On |
On |
|
266MHz |
66MHz |
4x |
On |
On |
On |
On |
|
300MHz |
66MHz |
4.5x |
On |
On |
On |
On |
|
333MHz |
66MHz |
5x |
On |
On |
On |
On |
|
366MHz |
66MHz |
5.5x |
On |
On |
On |
On |
|
400MHz |
66MHz |
6x |
On |
On |
On |
On |
|
433MHz |
66MHz |
6.5x |
On |
On |
On |
On |
|
466MHz |
66MHz |
7x |
On |
On |
On |
On |
|
500MHz |
66MHz |
7.5x |
On |
On |
On |
On |
|
533MHz |
66MHz |
8x |
On |
On |
On |
On |