COMPAQ COMPUTER CORPORATION
SYSTEMPRO 386/33, SYSTEMPRO 486/33
|
Processor |
80386DX/80486DX |
|
Processor Speed |
33MHz |
|
Chip Set |
Intel |
|
Max. Onboard DRAM |
64MB (on system memory card Model 001370) |
|
Cache |
64/256KB (on external CPU card) |
|
BIOS |
Compaq |
|
Dimensions |
330mm x 218mm |
|
I/O Options |
System processor card slot, system processor card/Proprietary expansion card slot, 32-bit system memory card, 32-bit external memory card, VGA port, parallel port, serial port, bus mouse port, IDE interface, floppy drive interface |
|
NPU Options |
80387/3167 |
|
CONNECTIONS | |||
|
Purpose |
Location |
Purpose |
Location |
|
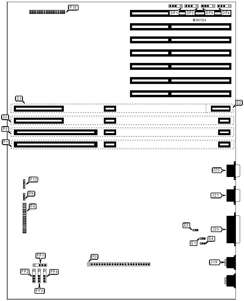
Drive power plugs |
DP1-DP4 |
Main power |
P3 |
|
Bus mouse port |
J19 |
Floppy drive interface |
P4 |
|
Parallel port |
J20 |
Fan power |
P12 |
|
Serial port |
J21 |
IDE interface |
P15 |
|
VGA port |
J22 |
Peripheral power plugs |
PP1-PP4 |
|
Proprietary system processor card |
P1 |
32-bit system memory card |
S1 |
|
System processor/external memory card |
P2 |
32-bit external memory card |
S2 |
|
Speaker |
P9 |
VGA pass through |
S3 |
|
USER CONFIGURABLE SETTINGS | |||
|
Function |
Jumper |
Position | |
| » |
Password disabled |
E1 |
pins 1 & 2 closed |
|
Password enabled |
E1 |
pins 2 & 3 closed | |
| » |
Factory configured - do not alter |
E2 |
N/A |
| » |
Maintenance mode disabled |
E3 |
pins 2 & 3 closed |
|
Maintenance mode enabled |
E3 |
pins 1 & 2 closed | |
|
Onboard VGA controller enabled |
E4 |
pins 1 & 2 closed | |
|
Onboard VGA controller disabled |
E4 |
pins 2 & 3 closed | |
SYSTEM MEMORY CARD (Model 001370)
|
CONNECTIONS | |
|
Purpose |
Location |
|
VGA pass through |
V1 |
|
DRAM CONFIGURATION | ||||
|
Size |
M0 |
M1 |
M2 |
M3 |
|
2MB |
2MB module |
NONE |
NONE |
NONE |
|
4MB |
2MB module |
2MB module |
NONE |
NONE |
|
6MB |
2MB module |
2MB module |
2MB module |
NONE |
|
8MB |
2MB module |
2MB module |
2MB module |
2MB module |
|
8MB |
8MB module (2 plug) |
----------------- |
NONE |
NONE |
|
8MB |
8MB module |
NONE |
NONE |
NONE |
|
10MB |
8MB module (2 plug) |
----------------- |
2MB module |
NONE |
|
10MB |
8MB module |
2MB module |
NONE |
NONE |
|
12MB |
8MB module (2 plug) |
----------------- |
2MB module |
2MB module |
|
12MB |
8MB module |
2MB module |
2MB module |
NONE |
|
14MB |
8MB module |
2MB module |
2MB module |
2MB module |
|
16MB |
8MB module (2 plug) |
----------------- |
8MB module (2 plug) |
----------------- |
|
16MB |
8MB module |
8MB module |
NONE |
NONE |
|
18MB |
8MB module |
8MB module |
2MB module |
NONE |
|
18MB |
8MB module (2 plug) |
----------------- |
8MB module |
2MB module |
|
20MB |
8MB module |
8MB module |
2MB module |
2MB module |
|
24MB |
8MB module (2 plug) |
----------------- |
8MB module |
8MB module |
|
24MB |
8MB module |
8MB module |
8MB module |
NONE |
|
26MB |
8MB module |
8MB module |
8MB module |
2MB module |
|
32MB |
8MB module |
8MB module |
8MB module |
8MB module |
|
32MB |
32MB module (2 plug) |
----------------- |
NONE |
NONE |
|
34MB |
32MB module (2 plug) |
----------------- |
2MB module |
NONE |
|
36MB |
32MB module (2 plug) |
----------------- |
2MB module |
2MB module |
|
40MB |
32MB module (2 plug) |
----------------- |
8MB module (2 plug) |
----------------- |
|
40MB |
32MB module (2 plug) |
----------------- |
8MB module |
NONE |
|
42MB |
32MB module (2 plug) |
----------------- |
8MB module |
2MB module |
|
48MB |
32MB module (2 plug) |
----------------- |
8MB module |
8MB module |
|
64MB |
32MB module (2 plug) |
----------------- |
32MB module (2 plug) |
----------------- |
|
Note:The system memory card uses proprietary memory modules, some require only one module space on the memory board, while others require two. In the cases where a double size module is used, the following space is marked with "-----------------", designating that space as occupied. | ||||
|
DRAM CONFIGURATION | ||||||
|
Size |
M0 |
M1 |
M2 |
M3 |
M4 |
M5 |
|
2MB |
2MB |
NONE |
NONE |
NONE |
NONE |
NONE |
|
4MB |
2MB |
2MB |
NONE |
NONE |
NONE |
NONE |
|
6MB |
2MB |
2MB |
2MB |
NONE |
NONE |
NONE |
|
8MB |
2MB |
2MB |
2MB |
2MB |
NONE |
NONE |
|
8MB |
8MB |
NONE |
NONE |
NONE |
NONE |
NONE |
|
8MB |
8MB |
----------------- |
NONE |
NONE |
NONE |
NONE |
|
10MB |
2MB |
2MB |
2MB |
2MB |
2MB |
NONE |
|
10MB |
8MB |
2MB |
NONE |
NONE |
NONE |
NONE |
|
10MB |
8MB |
----------------- |
2MB |
NONE |
NONE |
NONE |
|
12MB |
2MB |
2MB |
2MB |
2MB |
2MB |
2MB |
|
12MB |
8MB |
2MB |
2MB |
NONE |
NONE |
NONE |
|
12MB |
8MB |
----------------- |
2MB |
2MB |
NONE |
NONE |
|
14MB |
8MB |
2MB |
2MB |
2MB |
NONE |
NONE |
|
14MB |
8MB |
----------------- |
2MB |
2MB |
2MB |
NONE |
|
16MB |
8MB |
2MB |
2MB |
2MB |
2MB |
NONE |
|
16MB |
8MB |
----------------- |
2MB |
2MB |
2MB |
2MB |
|
16MB |
8MB |
8MB |
NONE |
NONE |
NONE |
NONE |
|
16MB |
8MB |
----------------- |
8MB |
NONE |
NONE |
NONE |
|
16MB |
8MB |
----------------- |
8MB |
----------------- |
NONE |
NONE |
|
18MB |
8MB |
2MB |
2MB |
2MB |
2MB |
2MB |
|
18MB |
8MB |
8MB |
2MB |
NONE |
NONE |
NONE |
|
18MB |
8MB |
----------------- |
8MB |
2MB |
NONE |
NONE |
|
18MB |
8MB |
----------------- |
8MB |
----------------- |
2MB |
NONE |
|
20MB |
8MB |
8MB |
2MB |
2MB |
NONE |
NONE |
|
20MB |
8MB |
----------------- |
8MB |
2MB |
2MB |
NONE |
|
20MB |
8MB |
----------------- |
8MB |
----------------- |
2MB |
2MB |
|
22MB |
8MB |
8MB |
2MB |
2MB |
2MB |
NONE |
|
22MB |
8MB |
----------------- |
8MB |
2MB |
2MB |
2MB |
|
24MB |
8MB |
8MB |
2MB |
2MB |
2MB |
2MB |
|
24MB |
8MB |
8MB |
8MB |
NONE |
NONE |
NONE |
|
24MB |
8MB |
----------------- |
8MB |
----------------- |
8MB |
NONE |
|
24MB |
8MB |
----------------- |
8MB |
----------------- |
8MB |
NONE |
|
24MB |
8MB |
----------------- |
8MB |
8MB |
NONE |
NONE |
|
DRAM CONFIGURATION (CON’T) | ||||||
|
Size |
M0 |
M1 |
M2 |
M3 |
M4 |
M5 |
|
24MB |
8MB |
----------------- |
8MB |
----------------- |
8MB |
----------------- |
|
26MB |
8MB |
8MB |
8MB |
2MB |
NONE |
NONE |
|
26MB |
8MB |
----------------- |
8MB |
8MB |
2MB |
NONE |
|
26MB |
8MB |
----------------- |
8MB |
----------------- |
8MB |
2MB |
|
28MB |
8MB |
8MB |
8MB |
2MB |
2MB |
NONE |
|
28MB |
8MB |
----------------- |
8MB |
8MB |
2MB |
2MB |
|
30MB |
8MB |
8MB |
8MB |
2MB |
2MB |
2MB |
|
32MB |
8MB |
8MB |
8MB |
8MB |
NONE |
NONE |
|
32MB |
8MB |
----------------- |
8MB |
8MB |
8MB |
NONE |
|
32MB |
8MB |
----------------- |
8MB |
----------------- |
8MB |
8MB |
|
32MB |
32MB |
----------------- |
NONE |
NONE |
NONE |
NONE |
|
34MB |
8MB |
8MB |
8MB |
8MB |
2MB |
NONE |
|
34MB |
8MB |
----------------- |
8MB |
8MB |
8MB |
2MB |
|
34MB |
32MB |
----------------- |
2MB |
NONE |
NONE |
NONE |
|
36MB |
8MB |
8MB |
8MB |
8MB |
2MB |
2MB |
|
36MB |
32MB |
----------------- |
2MB |
2MB |
NONE |
NONE |
|
40MB |
8MB |
8MB |
8MB |
8MB |
8MB |
NONE |
|
40MB |
8MB |
----------------- |
8MB |
8MB |
8MB |
8MB |
|
40MB |
32MB |
----------------- |
2MB |
2MB |
2MB |
2MB |
|
40MB |
32MB |
----------------- |
8MB |
NONE |
NONE |
NONE |
|
40MB |
32MB |
----------------- |
8MB |
----------------- |
NONE |
NONE |
|
42MB |
8MB |
8MB |
8MB |
8MB |
8MB |
2MB |
|
42MB |
32MB |
----------------- |
8MB |
2MB |
NONE |
NONE |
|
42MB |
32MB |
----------------- |
8MB |
----------------- |
2MB |
NONE |
|
48MB |
8MB |
8MB |
8MB |
8MB |
8MB |
8MB |
|
48MB |
32MB |
----------------- |
8MB |
8MB |
NONE |
NONE |
|
48MB |
32MB |
----------------- |
8MB |
----------------- |
8MB |
----------------- |
|
50MB |
32MB |
----------------- |
8MB |
8MB |
2MB |
NONE |
|
50MB |
32MB |
----------------- |
8MB |
8MB |
----------------- |
2MB |
|
52MB |
32MB |
----------------- |
8MB |
8MB |
2MB |
2MB |
|
DRAM CONFIGURATION (CON’T) | ||||||
|
Size |
M0 |
M1 |
M2 |
M3 |
M4 |
M5 |
|
56MB |
32MB |
----------------- |
8MB |
8MB |
8MB |
NONE |
|
56MB |
32MB |
----------------- |
8MB |
----------------- |
8MB |
8MB |
|
58MB |
32MB |
----------------- |
8MB |
8MB |
8MB |
2MB |
|
64MB |
32MB |
----------------- |
8MB |
8MB |
8MB |
8MB |
|
64MB |
32MB |
----------------- |
32MB |
----------------- |
NONE |
NONE |
|
66MB |
32MB |
----------------- |
32MB |
----------------- |
2MB |
NONE |
|
68MB |
32MB |
----------------- |
32MB |
----------------- |
2MB |
2MB |
|
72MB |
32MB |
----------------- |
32MB |
----------------- |
8MB |
NONE |
|
72MB |
32MB |
----------------- |
32MB |
----------------- |
8MB |
----------------- |
|
74MB |
32MB |
----------------- |
32MB |
----------------- |
8MB |
2MB |
|
80MB |
32MB |
----------------- |
32MB |
----------------- |
8MB |
8MB |
|
96MB |
32MB |
----------------- |
32MB |
----------------- |
32MB |
----------------- |
|
Note:The system memory card uses proprietary memory modules, some require only one module space on the memory board, while others require two. In the cases where a double size module is used, the following space is marked with "-----------------", designating that space as occupied. | ||||||
PROCESSOR CARD (MODEL 001358)
|
CACHE CONFIGURATION | ||
|
Size |
Bank 0 |
TAG |
|
64KB |
(8) 8K x 8 |
(1) 4K x 8 |
|
256KB |
(8) 32K x 8 |
(1) 16K x 8 |
|
Note:System board layout is the artist's representation of what the system board might look like. All locations of components are unknown. | ||
|
CACHE CONFIGURATION | ||
|
Size |
Bank 0 |
TAG |
|
64KB |
(8) 8K x 8 |
(1) 4K x 8 |
|
256KB |
(8) 32K x 8 |
(1) 16K x 8 |
|
Note:System board layout is the artist's representation of what the system board might look like. All locations of components are unknown. | ||