ACER, INC.
ACERMATE 486/G (A1GX-2)
|
Device Type |
Mainboard |
|
Processor |
80486/80486(WB)/CX486DX2/IBM486DX2/TI486DX2/ (SL)AM486DX2(SV8T)/(SL)AM486DX2(SV8B)/P24C/P24D/AMDNV8T/ AMDNV8B/CX486DX4/IBM486DX4/(SL)AM486DX4(SV8T)/ (SL)AM486DX4(SV8B)/P24T/CX 5X86/IBM 5X86 |
|
Processor Speed |
25/33/40/50(internal)/66(internal)/75(internal)/100(internal)MHz |
|
Chip Set |
ALI M1429 |
|
Video Chip Set |
Cirrus Logic |
|
Maximum Onboard Memory |
36MB |
|
Maximum Video Memory |
2MB |
|
Cache |
None |
|
BIOS |
Unidentified |
|
Dimensions |
285mm x 220mm |
|
I/O Options |
Ethernet 10BaseT connector, floppy drive interface, IDE interfaces (2), parallel port, PS/2 mouse port, serial ports (2), VGA feature connector, VGA port, riser slot |
|
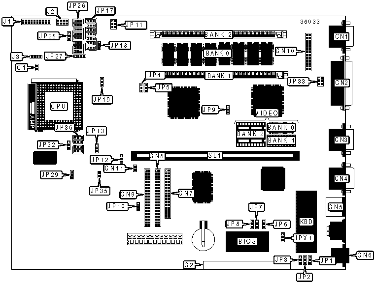
CONNECTIONS | |||
|
Purpose |
Location |
Purpose |
Location |
|
Chassis fan power |
C1 |
Ethernet 10BaseT connector |
CN6 |
|
Feature connector |
C2 |
Floppy drive interface |
CN7 |
|
VGA port |
CN1 |
IDE interface 2 |
CN8 |
|
Parallel port |
CN2 |
IDE interface 1 |
CN9 |
|
Serial port 2 |
CN3 |
VGA feature connector |
CN10 |
|
Serial port 1 |
CN4 |
Riser slot |
SL1 |
|
PS/2 mouse port |
CN5 | ||
|
USER CONFIGURABLE SETTINGS | |||
|
Function |
Label |
Position | |
|
» |
Factory configured - do not alter |
CN11 |
Unidentified |
|
» |
Factory configured - do not alter |
J1 |
Unidentified |
|
» |
Factory configured - do not alter |
J2 |
Unidentified |
|
» |
Factory configured - do not alter |
J3 |
Unidentified |
|
BIOS type select Acer |
JP1 |
Pins 2 & 3 closed | |
|
BIOS type select OEM |
JP1 |
Pins 1 & 2 closed | |
|
Password disabled |
JP2 |
Pins 2 & 3 closed | |
|
Password enabled |
JP2 |
Pins 1 & 2 closed | |
|
Normal boot enabled |
JP3 |
Pins 2 & 3 closed | |
|
COM1 boot enabled |
JP3 |
Pins 1 & 2 closed | |
|
» |
Factory configured - do not alter |
JP4 |
Unidentified |
|
On board I/O enabled |
JP6 |
Pins 2 & 3 closed | |
|
On board I/O disabled |
JP6 |
Pins 1 & 2 closed | |
|
On board video enabled |
JP9 |
Pins 2 & 3 closed | |
|
On board video disabled |
JP9 |
Pins 1 & 2 closed | |
|
IDE address select 074H, 078H, 07CH |
JP10 |
Pins 2 & 3 closed | |
|
IDE address select 0F4H, 0F8H, 0FCH |
JP10 |
Pins 1 & 2 closed | |
|
» |
Factory configured - do not alter |
JP13 |
Unidentified |
|
Reset button enabled |
JP28 |
Pins 2 & 3 closed | |
|
Reset/green PC button enabled |
JP28 |
Pins 1 & 2 closed | |
|
IDE interface enabled |
JP29 |
Pins 2 & 3 closed | |
|
IDE interface disabled |
JP29 |
Pins 1 & 2 closed | |
|
Feature connector enabled |
JP33 |
Pins 1 & 2 closed | |
|
I2C interface enabled |
JP33 |
Pins 2 & 3 closed | |
|
IDE LED enabled |
JP35 |
Open | |
|
IDE, FDD, CD-ROM LED enabled |
JP35 |
Closed | |
|
BIOS type select EPROM |
JPX1 |
Pins 2 & 3 closed | |
|
BIOS type select flash |
JPX1 |
Pins 1 & 2 closed | |
|
SIMM CONFIGURATION | |||
|
Size |
Bank 0 |
Bank 1 |
Bank 2 |
|
4MB |
4MB |
None |
None |
|
4MB |
None |
(1) 1M x 36 |
None |
|
8MB |
4MB |
(1) 1M x 36 |
None |
|
8MB |
None |
(1) 2M x 36 |
None |
|
8MB |
None |
(1) 1M x 36 |
(1) 1M x 36 |
|
12MB |
4MB |
(1) 2M x 36 |
None |
|
12MB |
4MB |
(1) 1M x 36 |
(1) 1M x 36 |
|
12MB |
None |
(1) 1M x 36 |
(1) 2M x 36 |
|
16MB |
4MB |
(1) 2M x 36 |
(1) 1M x 36 |
|
16MB |
None |
(1) 4M x 36 |
None |
|
16MB |
None |
(1) 2M x 36 |
(1) 2M x 36 |
|
20MB |
4MB |
(1) 4M x 36 |
None |
|
20MB |
None |
(1) 1M x 36 |
(1) 4M x 36 |
|
24MB |
4MB |
(1) 1M x 36 |
(1) 4M x 36 |
|
24MB |
None |
(1) 2M x 36 |
(1) 4M x 36 |
|
28MB |
4MB |
(1) 2M x 36 |
(1) 4M x 36 |
|
32MB |
None |
(1) 4M x 36 |
(1) 4M x 36 |
|
36MB |
4MB |
(1) 4M x 36 |
(1) 4M x 36 |
|
SIMM JUMPER CONFIGURATION | |
|
Size |
JP5 |
|
On board memory enabled |
Pins 2 & 3 closed |
|
On board memory disabled |
Pins 1 & 2 closed |
|
VIDEO MEMORY CONFIGURATION | |||
|
Size |
Bank 0 |
Bank 1 |
Bank 2 |
|
512KB |
(1) 256K x 16 |
None |
None |
|
1MB |
(1) 256K x 16 |
(1) 256K x 16 |
None |
|
2MB |
(1) 256K x 16 |
(1) 256K x 16 |
(2) 256K x 16 |
|
CPU SPEED SELECTION | ||
|
Speed |
JP11 |
JP12 |
|
25MHz |
Pins 1 & 5 closed |
Pins 1 & 2 closed |
|
33MHz |
Pins 1 & 5 closed |
Pins 1 & 2 closed |
|
40MHz |
Pins 2 & 6 closed |
Pins 2 & 3 closed |
|
50iMHz |
Pins 1 & 5 closed |
Pins 1 & 2 closed |
|
66iMHz |
Pins 1 & 5 closed |
Pins 1 & 2 closed |
|
75iMHz |
Pins 1 & 5 closed |
Pins 1 & 2 closed |
|
100iMHz |
Pins 1 & 5 closed |
Pins 1 & 2 closed |
|
CPU TYPE SELECTION | |||||
|
Type |
JP17A |
JP17B |
JP17C |
JP17D |
JP17E |
|
80486 |
2 & 3 |
2 & 3 |
2 & 3 |
2 & 3 |
2 & 3 |
|
80486 (WB) |
2 & 3 |
2 & 3 |
2 & 3 |
2 & 3 |
2 & 3 |
|
CX486DX2 * |
1 & 2 |
1 & 2 |
1 & 2 |
1 & 2 |
1 & 2 |
|
IBM486DX2 * |
1 & 2 |
1 & 2 |
1 & 2 |
1 & 2 |
1 & 2 |
|
TI486DX2 * |
1 & 2 |
1 & 2 |
1 & 2 |
1 & 2 |
1 & 2 |
|
CX486DX2 |
1 & 2 |
1 & 2 |
1 & 2 |
1 & 2 |
1 & 2 |
|
IBM486DX2 |
1 & 2 |
1 & 2 |
1 & 2 |
1 & 2 |
1 & 2 |
|
TI486DX2 |
1 & 2 |
1 & 2 |
1 & 2 |
1 & 2 |
1 & 2 |
|
(SL)AM486DX2(SV8T) |
2 & 3 |
2 & 3 |
2 & 3 |
2 & 3 |
2 & 3 |
|
(SL)AM486DX2(SV8B) |
2 & 3 |
2 & 3 |
2 & 3 |
2 & 3 |
2 & 3 |
|
P24C |
2 & 3 |
2 & 3 |
2 & 3 |
2 & 3 |
2 & 3 |
|
P24D |
2 & 3 |
2 & 3 |
2 & 3 |
2 & 3 |
2 & 3 |
|
AMD NV8T |
2 & 3 |
2 & 3 |
2 & 3 |
2 & 3 |
2 & 3 |
|
AMD NV8B |
2 & 3 |
2 & 3 |
2 & 3 |
2 & 3 |
2 & 3 |
|
CX486DX4 |
1 & 2 |
1 & 2 |
1 & 2 |
1 & 2 |
1 & 2 |
|
IBM486DX4 |
1 & 2 |
1 & 2 |
1 & 2 |
1 & 2 |
1 & 2 |
|
(SL)AM486DX4(SV8T) |
2 & 3 |
2 & 3 |
2 & 3 |
2 & 3 |
2 & 3 |
|
(SL)AM486DX4(SV8B) |
2 & 3 |
2 & 3 |
2 & 3 |
2 & 3 |
2 & 3 |
|
P24T |
2 & 3 |
2 & 3 |
2 & 3 |
2 & 3 |
2 & 3 |
|
CX 5X86 |
1 & 2 |
2 & 3 |
2 & 3 |
Open |
Open |
|
IBM 5X86 |
1 & 2 |
2 & 3 |
2 & 3 |
Open |
Open |
|
Note: Pins designated should be in the closed position. * = 3.3v, 3.45v CPU. | |||||
|
CPU TYPE SELECTION (CON’T) | |||||
|
Type |
JP17F |
JP17G |
JP18 |
JP19 |
JP26A |
|
80486 |
2 & 3 |
2 & 3 |
1 & 2 |
2 & 3 |
2 & 3 |
|
80486 (WB) |
2 & 3 |
2 & 3 |
1 & 2 |
1 & 2 |
1 & 2 |
|
CX486DX2 * |
1 & 2 |
1 & 2 |
2 & 3 |
1 & 2 |
2 & 3 |
|
IBM486DX2 * |
1 & 2 |
1 & 2 |
2 & 3 |
1 & 2 |
2 & 3 |
|
TI486DX2 * |
1 & 2 |
1 & 2 |
2 & 3 |
1 & 2 |
2 & 3 |
|
CX486DX2 |
1 & 2 |
1 & 2 |
2 & 3 |
1 & 2 |
2 & 3 |
|
IBM486DX2 |
1 & 2 |
1 & 2 |
2 & 3 |
1 & 2 |
2 & 3 |
|
TI486DX2 |
1 & 2 |
1 & 2 |
2 & 3 |
1 & 2 |
2 & 3 |
|
(SL)AM486DX2(SV8T) |
2 & 3 |
2 & 3 |
2 & 3 |
1 & 2 |
2 & 3 |
|
(SL)AM486DX2(SV8B) |
2 & 3 |
2 & 3 |
1 & 2 |
1 & 2 |
1 & 2 |
|
P24C |
2 & 3 |
2 & 3 |
1 & 2 |
2 & 3 |
2 & 3 |
|
P24D |
2 & 3 |
2 & 3 |
1 & 2 |
1 & 2 |
1 & 2 |
|
AMD NV8T |
2 & 3 |
2 & 3 |
1 & 2 |
2 & 3 |
2 & 3 |
|
AMD NV8B |
2 & 3 |
2 & 3 |
1 & 2 |
2 & 3 |
2 & 3 |
|
CX486DX4 |
1 & 2 |
1 & 2 |
2 & 3 |
1 & 2 |
2 & 3 |
|
IBM486DX4 |
1 & 2 |
1 & 2 |
2 & 3 |
1 & 2 |
2 & 3 |
|
(SL)AM486DX4(SV8T) |
2 & 3 |
2 & 3 |
2 & 3 |
1 & 2 |
2 & 3 |
|
(SL)AM486DX4(SV8B) |
2 & 3 |
2 & 3 |
1 & 2 |
1 & 2 |
1 & 2 |
|
P24T |
2 & 3 |
2 & 3 |
1 & 2 |
1 & 2 |
1 & 2 |
|
CX 5X86 |
Open |
Open |
Open |
1 & 2 |
Open |
|
IBM 5X86 |
Open |
Open |
Open |
1 & 2 |
Open |
|
Note: Pins designated should be in the closed position. * = 3.3v, 3.45v CPU. | |||||
|
CPU TYPE SELECTION (CON’T) | |||||
|
Type |
JP26B |
JP26C |
JP26D |
JP26E |
JP26F |
|
80486 |
2 & 3 |
2 & 3 |
2 & 3 |
2 & 3 |
2 & 3 |
|
80486 (WB) |
1 & 2 |
1 & 2 |
1 & 2 |
1 & 2 |
1 & 2 |
|
CX486DX2 * |
2 & 3 |
2 & 3 |
2 & 3 |
2 & 3 |
2 & 3 |
|
IBM486DX2 * |
2 & 3 |
2 & 3 |
2 & 3 |
2 & 3 |
2 & 3 |
|
TI486DX2 * |
2 & 3 |
2 & 3 |
2 & 3 |
2 & 3 |
2 & 3 |
|
CX486DX2 |
2 & 3 |
2 & 3 |
2 & 3 |
2 & 3 |
2 & 3 |
|
IBM486DX2 |
2 & 3 |
2 & 3 |
2 & 3 |
2 & 3 |
2 & 3 |
|
TI486DX2 |
2 & 3 |
2 & 3 |
2 & 3 |
2 & 3 |
2 & 3 |
|
(SL)AM486DX2(SV8T) |
2 & 3 |
2 & 3 |
2 & 3 |
2 & 3 |
2 & 3 |
|
(SL)AM486DX2(SV8B) |
1 & 2 |
1 & 2 |
1 & 2 |
1 & 2 |
1 & 2 |
|
P24C |
2 & 3 |
2 & 3 |
2 & 3 |
2 & 3 |
2 & 3 |
|
P24D |
1 & 2 |
1 & 2 |
1 & 2 |
1 & 2 |
1 & 2 |
|
AMD NV8T |
2 & 3 |
2 & 3 |
2 & 3 |
2 & 3 |
2 & 3 |
|
AMD NV8B |
2 & 3 |
2 & 3 |
2 & 3 |
2 & 3 |
2 & 3 |
|
CX486DX4 |
2 & 3 |
2 & 3 |
2 & 3 |
2 & 3 |
2 & 3 |
|
IBM486DX4 |
2 & 3 |
2 & 3 |
2 & 3 |
2 & 3 |
2 & 3 |
|
(SL)AM486DX4(SV8T) |
2 & 3 |
2 & 3 |
2 & 3 |
2 & 3 |
2 & 3 |
|
(SL)AM486DX4(SV8B) |
1 & 2 |
1 & 2 |
1 & 2 |
1 & 2 |
1 & 2 |
|
P24T |
1 & 2 |
1 & 2 |
1 & 2 |
1 & 2 |
1 & 2 |
|
CX 5X86 |
Open |
Open |
1 & 2 |
1 & 2 |
2 & 3 |
|
IBM 5X86 |
Open |
Open |
1 & 2 |
1 & 2 |
2 & 3 |
|
Note: Pins designated should be in the closed position. * = 3.3v, 3.45v CPU. | |||||
|
CPU TYPE SELECTION (CON’T) | ||||
|
Type |
JP26G |
JP26H |
JP27 |
JP32 |
|
80486 |
2 & 3 |
2 & 3 |
3 & 4 |
1 & 2 |
|
80486 (WB) |
1 & 2 |
1 & 2 |
3 & 4 |
1 & 2 |
|
CX486DX2 * |
2 & 3 |
2 & 3 |
3 & 4 |
1 & 2 |
|
IBM486DX2 * |
2 & 3 |
2 & 3 |
3 & 4 |
1 & 2 |
|
TI486DX2 * |
2 & 3 |
2 & 3 |
3 & 4 |
1 & 2 |
|
CX486DX2 |
2 & 3 |
2 & 3 |
3 & 4 |
2 & 3 |
|
IBM486DX2 |
2 & 3 |
2 & 3 |
3 & 4 |
2 & 3 |
|
TI486DX2 |
2 & 3 |
2 & 3 |
3 & 4 |
2 & 3 |
|
(SL)AM486DX2 (SV8T) |
2 & 3 |
2 & 3 |
2 & 3 |
1 & 2 |
|
(SL)AM486DX2 (SV8B) |
1 & 2 |
1 & 2 |
2 & 3 |
1 & 2 |
|
P24C |
2 & 3 |
2 & 3 |
3 & 4 |
1 & 2 |
|
P24D |
1 & 2 |
1 & 2 |
3 & 4 |
1 & 2 |
|
AMD NV8T |
2 & 3 |
2 & 3 |
3 & 4 |
1 & 2 |
|
AMD NV8B |
2 & 3 |
2 & 3 |
3 & 4 |
1 & 2 |
|
CX486DX4 |
2 & 3 |
2 & 3 |
3 & 4 |
1 & 2 |
|
IBM486DX4 |
2 & 3 |
2 & 3 |
3 & 4 |
1 & 2 |
|
(SL)AM486DX4 (SV8T) |
2 & 3 |
2 & 3 |
3 & 4 |
1 & 2 |
|
(SL)AM486DX4 (SV8B) |
1 & 2 |
1 & 2 |
3 & 4 |
1 & 2 |
|
P24T |
1 & 2 |
1 & 2 |
1 & 2 |
1 & 2 |
|
CX 5X86 |
1 & 2 |
Open |
3 & 4 |
1 & 2 |
|
IBM 5X86 |
1 & 2 |
Open |
3 & 4 |
1 & 2 |
|
Note: Pins designated should be in the closed position. * = 3.3v, 3.45v CPU. | ||||
|
CPU TYPE SELECTION (CON’T) | ||||
|
Type |
JP36A |
JP36B |
JP36C |
JP36D |
|
80486 |
2 & 3 |
2 & 3 |
2 & 3 |
2 & 3 |
|
80486 (WB) |
2 & 3 |
2 & 3 |
2 & 3 |
2 & 3 |
|
CX486DX2 * |
1 & 2 |
1 & 2 |
1 & 2 |
1 & 2 |
|
IBM486DX2 * |
1 & 2 |
1 & 2 |
1 & 2 |
1 & 2 |
|
TI486DX2 * |
1 & 2 |
1 & 2 |
1 & 2 |
1 & 2 |
|
CX486DX2 |
1 & 2 |
1 & 2 |
1 & 2 |
1 & 2 |
|
IBM486DX2 |
1 & 2 |
1 & 2 |
1 & 2 |
1 & 2 |
|
TI486DX2 |
1 & 2 |
1 & 2 |
1 & 2 |
1 & 2 |
|
(SL)AM486DX2 (SV8T) |
1 & 2 |
1 & 2 |
1 & 2 |
1 & 2 |
|
(SL)AM486DX2 (SV8B) |
1 & 2 |
1 & 2 |
1 & 2 |
1 & 2 |
|
P24C |
2 & 3 |
2 & 3 |
2 & 3 |
2 & 3 |
|
P24D |
2 & 3 |
2 & 3 |
2 & 3 |
2 & 3 |
|
AMD NV8T |
2 & 3 |
2 & 3 |
2 & 3 |
2 & 3 |
|
AMD NV8B |
2 & 3 |
2 & 3 |
2 & 3 |
2 & 3 |
|
CX486DX4 |
1 & 2 |
1 & 2 |
1 & 2 |
1 & 2 |
|
IBM486DX4 |
1 & 2 |
1 & 2 |
1 & 2 |
1 & 2 |
|
(SL)AM486DX4 (SV8T) |
1 & 2 |
1 & 2 |
1 & 2 |
1 & 2 |
|
(SL)AM486DX4 (SV8B) |
1 & 2 |
1 & 2 |
1 & 2 |
1 & 2 |
|
P24T |
2 & 3 |
2 & 3 |
2 & 3 |
2 & 3 |
|
CX 5X86 |
1 & 2 |
1 & 2 |
1 & 2 |
1 & 2 |
|
IBM 5X86 |
1 & 2 |
1 & 2 |
1 & 2 |
1 & 2 |
|
Note: Pins designated should be in the closed position. * = 3.3v, 3.45v CPU. | ||||
|
DMA CHANNEL SELECTION | ||
|
Channel |
JP7 |
JP8 |
|
1 |
Pins 1 & 2 closed |
Pins 1 & 2 closed |
|
3 |
Pins 2 & 3 closed |
Pins 2 & 3 closed |