ACER, INC.
ACERALTOS 900K (M11C) (IDCMT), M11C (IDCMT)
|
Device Type |
Mainboard |
|
Processor |
Pentium II |
|
Processor Speed |
233/266MHz |
|
Chip Set |
Intel 440FX |
|
Video Chip Set |
Unidentified |
|
Maximum Onboard Memory |
512MB |
|
Maximum Video Memory |
2MB |
|
Cache |
256/512KB (located on Pentium II CPU) |
|
BIOS |
Acer |
|
Dimensions |
305mm x 244mm |
|
I/O Options |
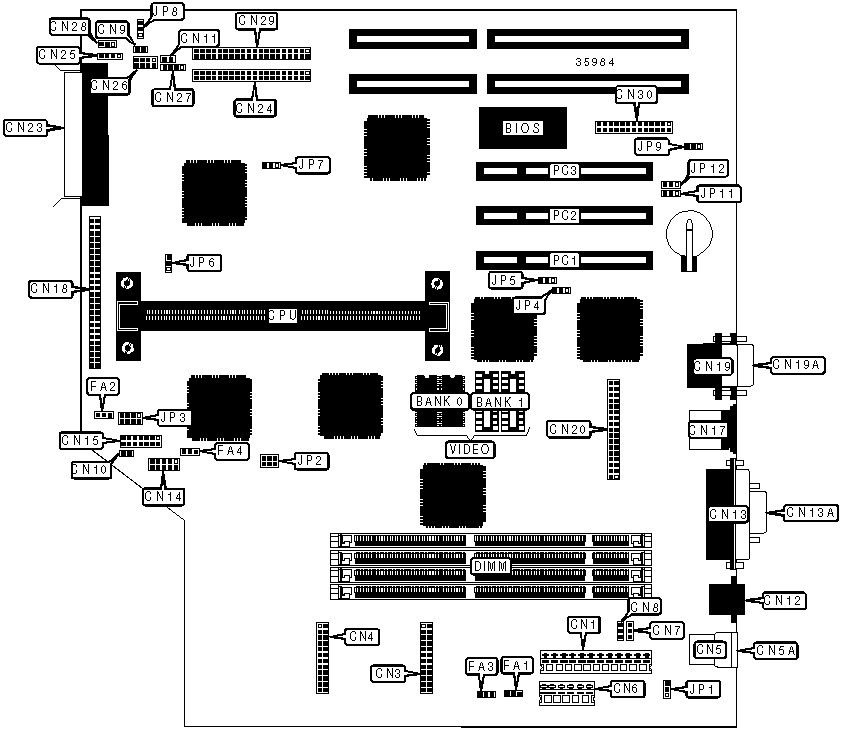
32-bit PCI slots (3), Ethernet 10BaseT connector, floppy drive interface, IDE interfaces (2), SCSI-2 interface, Wide SCSI interface, parallel port, PS/2 mouse port, serial ports (2), VGA feature connector, VGA port, USB connectors (2), ATX power connector |
|
CONNECTIONS | |||
|
Purpose |
Location |
Purpose |
Location |
|
ATX power connector |
ATX |
SCSI-2 interface |
CN18 |
|
5v power |
CN1 |
Serial port |
CN19 |
|
RDM connector |
CN3 |
Serial port |
CN19A |
|
RDM connector |
CN4 |
Floppy drive interface |
CN20 |
|
USB connector 1 |
CN5 |
Wide SCSI interface |
CN23 |
|
USB connector 2 |
CN5A |
IDE interface 1 |
CN24 |
|
3.3v power |
CN6 |
IDE interface LED |
CN25 |
|
420W power connector |
CN7 |
Reset, turbo LED keylock |
CN26 |
|
250W power connector |
CN8 |
Speaker |
CN27 |
|
Chassis intrusion connector |
CN9 |
Power LED |
CN28 |
|
Thermal sensor connector |
CN10 |
IDE interface 2 |
CN29 |
|
Soft off power supply |
CN11 |
VGA feature connector |
CN30 |
|
Ethernet 10BaseT connector |
CN12 |
Chassis fan power |
FA1 |
|
Parallel port |
CN13 |
Chassis fan power |
FA2 |
|
VGA port |
CN13A |
Chassis fan power |
FA3 |
|
Redundant power supply connector |
CN14 |
Chassis fan power |
FA4 |
|
LED connector |
CN15 |
32-bit PCI slots |
PC1 - PC3 |
|
PS/2 mouse port |
CN17 | ||
|
Note: The location of ATX is unidentified. | |||
|
USER CONFIGURABLE SETTINGS | |||
|
Function |
Label |
Position | |
|
» |
420W enabled |
JP1 |
Pins 1 & 2 closed |
|
420W disabled |
JP1 |
Pins 2 & 3 closed | |
|
» |
Factory configured - do not alter |
JP3 |
Unidentified |
|
» |
BIOS type select Acer |
JP4 |
Pins 1 & 2 closed |
|
BIOS type select OEM |
JP4 |
Pins 2 & 3 closed | |
|
» |
Password disabled |
JP5 |
Pins 2 & 3 closed |
|
Password enabled |
JP5 |
Pins 1 & 2 closed | |
|
» |
Termination enabled |
JP6 |
Pins 1 & 2 closed |
|
Termination switchable through SCSI select utility |
JP6 |
Pins 2 & 3 closed | |
|
» |
On board video enabled |
JP7 |
Pins 1 & 2 closed |
|
On board video disabled |
JP7 |
Pins 2 & 3 closed | |
|
» |
Buzzer enabled |
JP8 |
Pins 1 & 2 closed |
|
Buzzer disabled |
JP8 |
Pins 2 & 3 closed | |
|
» |
Software power down enabled |
JP9 |
Pins 2 & 3 closed |
|
General power supply enabled |
JP9 |
Pins 1 & 2 closed | |
|
» |
Flash BIOS write protect enabled |
JP12 |
Pins 1 & 2 closed |
|
Flash BIOS write protect disabled |
JP12 |
Pins 2 & 3 closed | |
|
DIMM CONFIGURATION | ||||
|
Size |
Bank 0 |
Bank 1 |
Bank 2 |
Bank 3 |
|
16MB |
(1) 2M x 64 |
None |
None |
None |
|
32MB |
(1) 2M x 64 |
(1) 2M x 64 |
None |
None |
|
48MB |
(1) 2M x 64 |
(1) 2M x 64 |
(1) 2M x 64 |
None |
|
64MB |
(1) 2M x 64 |
(1) 2M x 64 |
(1) 2M x 64 |
(1) 2M x 64 |
|
32MB |
(1) 4M x 64 |
None |
None |
None |
|
64MB |
(1) 4M x 64 |
(1) 4M x 64 |
None |
None |
|
96MB |
(1) 4M x 64 |
(1) 4M x 64 |
(1) 4M x 64 |
None |
|
128MB |
(1) 4M x 64 |
(1) 4M x 64 |
(1) 4M x 64 |
(1) 4M x 64 |
|
64MB |
(1) 8M x 64 |
None |
None |
None |
|
128MB |
(1) 8M x 64 |
(1) 8M x 64 |
None |
None |
|
192MB |
(1) 8M x 64 |
(1) 8M x 64 |
(1) 8M x 64 |
None |
|
256MB |
(1) 8M x 64 |
(1) 8M x 64 |
(1) 8M x 64 |
(1) 8M x 64 |
|
128MB |
(1) 16M x 64 |
None |
None |
None |
|
256MB |
(1) 16M x 64 |
(1) 16M x 64 |
None |
None |
|
384MB |
(1) 16M x 64 |
(1) 16M x 64 |
(1) 16M x 64 |
None |
|
512MB |
(1) 16M x 64 |
(1) 16M x 64 |
(1) 16M x 64 |
(1) 16M x 64 |
|
CACHE CONFIGURATION |
|
Note: 256KB/512KB cache is located on the Pentium II CPU. |
|
VIDEO MEMORY CONFIGURATION | ||
|
Size |
Bank 0 |
Bank 1 |
|
1MB |
(2) 256K x 16 |
None |
|
2MB |
(2) 256K x 16 |
(2) 256K x 16 |
|
CPU SPEED SELECTION | |||
|
CPU speed |
Clock speed |
Multiplier |
JP2 |
|
233MHz |
66MHz |
3.5x |
Pins 1 & 2, 4 & 5 closed |
|
266MHz |
66MHz |
4x |
Pins 1 & 2, 4 & 5 closed |
|
FLASH BIOS SELECTION | ||
|
Setting |
JP11 | |
| » |
Controlled by software |
Pins 1 & 2 closed |
|
5v |
Open | |
|
12v |
Pins 2 & 3 closed | |