ASUS COMPUTER INTERNATIONAL
P5A (REV. 1.04)
|
Device Type |
Mainboard |
|
Processor |
CX 6X86L/IBM 6X86L/CX 686MX/IBM 6X86MX/CX MII/IBM MII/ AM K5/AM K6/AM K6-2/Pentium/Pentium MMX |
|
Processor Speed |
75/90/100/120/133/150/166/200/233/266/300/333/350MHz |
|
Chip Set |
ALI Aladdin V |
|
Maximum Onboard Memory |
768MB (SDRAM supported) |
|
Audio Chip Set |
ESS |
|
Cache |
512KB |
|
BIOS |
Unidentified |
|
Dimensions |
305mm x 244mm |
|
I/O Options |
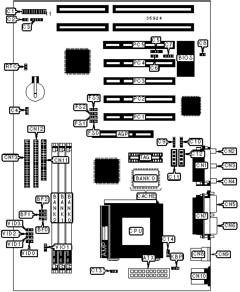
32-bit PCI slots (5), floppy drive interface, game/MIDI port, IDE interfaces (2), parallel port, PS/2 mouse port, serial ports (2), IR connector, USB connectors (2), ATX power connector, AGP slot, line in, line out, microphone in, audio in - CD-ROMs (2), wake on LAN connector |

|
CONNECTIONS |
|||
|
Purpose |
Location |
Purpose |
Location |
|
AGP slot |
AGP |
Audio in - CD-ROM |
C12 |
|
ATX power connector |
ATX |
CPU fan power |
C13 |
|
Turbo LED |
C1/pins 2 & 3 |
Power fan |
C14 |
|
Soft off power supply |
C1/pins 6 & 7 |
Game/MIDI port |
CN1 |
|
Reset switch |
C1/pins 9 & 10 |
Microphone in |
CN2 |
|
Power LED & keylock |
C1/pins 11 - 15 |
Line in |
CN3 |
|
Speaker |
C1/pins 17 - 20 |
Line out |
CN4 |
|
IDE interface LED |
C2 |
Serial port 2 |
CN5 |
|
IR connector |
C3 |
Serial port 1 |
CN6 |
|
Chassis fan power |
C4 |
Parallel port |
CN7 |
|
SMBus connector |
C5 |
USB connector 1 |
CN8 |
|
Wake on LAN connector |
C6 |
USB connector 2 |
CN9 |
|
Chassis intrusion connector |
C7 |
PS/2 mouse port |
CN10 |
|
Temperature sensor |
C8 |
Floppy drive interface |
CN11 |
|
Auxiliary in connector |
C9 |
IDE interface 2 |
CN12 |
|
Modem connector |
C10 |
IDE interface 1 |
CN13 |
|
Audio in - CD-ROM |
C11 |
32-bit PCI slots |
PC1 - PC5 |
|
USER CONFIGURABLE SETTINGS |
|||
|
Function |
Label |
Position |
|
|
» |
Keyboard power disabled |
KBP |
Pins 1 & 2 closed |
|
|
Keyboard power enabled |
KBP |
Pins 2 & 3 closed |
|
» |
CMOS memory normal operation |
RTC |
Open |
|
|
CMOS memory clear |
RTC |
Closed |
|
DIMM CONFIGURATION |
|||
|
Size |
Bank 0 |
Bank 1 |
Bank 2 |
|
8MB |
(1) 1M x 64 |
None |
None |
|
16MB |
(1) 1M x 64 |
(1) 1M x 64 |
None |
|
16MB |
(1) 2M x 64 |
None |
None |
|
24MB |
(1) 1M x 64 |
(1) 1M x 64 |
(1) 1M x 64 |
|
32MB |
(1) 2M x 64 |
(1) 2M x 64 |
None |
|
32MB |
(1) 4M x 64 |
None |
None |
|
48MB |
(1) 2M x 64 |
(1) 2M x 64 |
(1) 2M x 64 |
|
64MB |
(1) 4M x 64 |
(1) 4M x 64 |
None |
|
64MB |
(1) 8M x 64 |
None |
None |
|
96MB |
(1) 4M x 64 |
(1) 4M x 64 |
(1) 4M x 64 |
|
128MB |
(1) 8M x 64 |
(1) 8M x 64 |
None |
|
128MB |
(1) 16M x 64 |
None |
None |
|
164MB |
(1) 16M x 64 |
(1) 1M x 64 |
None |
|
144MB |
(1) 16M x 64 |
(1) 1M x 64 |
(1) 1M x 64 |
|
144MB |
(1) 16M x 64 |
(1) 2M x 64 |
None |
|
160MB |
(1) 16M x 64 |
(1) 2M x 64 |
(1) 2M x 64 |
|
160MB |
(1) 16M x 64 |
(1) 4M x 64 |
None |
|
192MB |
(1) 16M x 64 |
(1) 4M x 64 |
(1) 4M x 64 |
|
192MB |
(1) 16M x 64 |
(1) 8M x 64 |
None |
|
192MB |
(1) 8M x 64 |
(1) 8M x 64 |
(1) 8M x 64 |
|
256MB |
(1) 16M x 64 |
(1) 8M x 64 |
(1) 8M x 64 |
|
256MB |
(1) 16M x 64 |
(1) 16M x 64 |
None |
|
256MB |
(1) 32M x 64 |
None |
None |
|
264MB |
(1) 32M x 64 |
(1) 1M x 64 |
None |
|
272MB |
(1) 32M x 64 |
(1) 1M x 64 |
(1) 1M x 64 |
|
272MB |
(1) 32M x 64 |
(1) 2M x 64 |
None |
|
288MB |
(1) 32M x 64 |
(1) 2M x 64 |
(1) 2M x 64 |
|
288MB |
(1) 32M x 64 |
(1) 4M x 64 |
None |
|
320MB |
(1) 32M x 64 |
(1) 4M x 64 |
(1) 4M x 64 |
|
320MB |
(1) 32M x 64 |
(1) 8M x 64 |
None |
|
384MB |
(1) 32M x 64 |
(1) 8M x 64 |
(1) 8M x 64 |
|
384MB |
(1) 32M x 64 |
(1) 16M x 64 |
None |
|
384MB |
(1) 16M x 64 |
(1) 16M x 64 |
(1) 16M x 64 |
|
512MB |
(1) 32M x 64 |
(1) 16M x 64 |
(1) 16M x 64 |
|
512MB |
(1) 32M x 64 |
(1) 32M x 64 |
None |
|
768MB |
(1) 32M x 64 |
(1) 32M x 64 |
(1) 32M x 64 |
|
Note: Board accepts SDRAM memory. |
|||
|
DIMM/AGP VOLTAGE CONFIGURATION |
||
|
Voltage |
VIO1 |
|
|
» |
3.5v |
Pins 1 & 2 closed |
|
|
3.6v |
Pins 2 & 3 closed |
|
CACHE CONFIGURATION |
||
|
Size |
Bank 0 |
TAG |
|
512KB |
(1) 64K x 64 |
Unidentified |
|
CPU SPEED SELECTION (CX 6X86L) |
|||||
|
CPU speed |
Clock speed |
Multiplier |
BF0 |
BF1 |
BF2 |
|
166MHz |
66MHz |
2x |
2 & 3 |
1 & 2 |
Open |
|
Note: Pins designated should be in the closed position. |
|||||
|
CPU SPEED SELECTION (CX 6X86L, CON'T) |
||||||
|
CPU speed |
Clock speed |
Multiplier |
FS0 |
FS1 |
FS2 |
FS3 |
|
166MHz |
66MHz |
2x |
1 & 2 |
2 & 3 |
2 & 3 |
2 & 3 |
|
Note: Pins designated should be in the closed position. |
||||||
|
CPU SPEED SELECTION (IBM 6X86L) |
|||||
|
CPU speed |
Clock speed |
Multiplier |
BF0 |
BF1 |
BF2 |
|
166MHz |
66MHz |
2x |
2 & 3 |
1 & 2 |
Open |
|
Note: Pins designated should be in the closed position. |
|||||
|
CPU SPEED SELECTION (IBM 6X86L, CON'T) |
||||||
|
CPU speed |
Clock speed |
Multiplier |
FS0 |
FS1 |
FS2 |
FS3 |
|
166MHz |
66MHz |
2x |
1 & 2 |
2 & 3 |
2 & 3 |
2 & 3 |
|
Note: Pins designated should be in the closed position. |
||||||
|
CPU SPEED SELECTION (CX 6X86MX) |
|||||
|
CPU speed |
Clock speed |
Multiplier |
BF0 |
BF1 |
BF2 |
|
166MHz |
60MHz |
2.5x |
2 & 3 |
2 & 3 |
Open |
|
200MHz |
66MHz |
2.5x |
2 & 3 |
2 & 3 |
Open |
|
233MHz |
66MHz |
3x |
1 & 2 |
2 & 3 |
Open |
|
Note: Pins designated should be in the closed position. |
|||||
|
CPU SPEED SELECTION (CX 6X86MX, CON'T) |
||||||
|
CPU speed |
Clock speed |
Multiplier |
FS0 |
FS1 |
FS2 |
FS3 |
|
166MHz |
60MHz |
2.5x |
2 & 3 |
2 & 3 |
2 & 3 |
2 & 3 |
|
200MHz |
66MHz |
2.5x |
1 & 2 |
2 & 3 |
2 & 3 |
2 & 3 |
|
233MHz |
66MHz |
3x |
1 & 2 |
2 & 3 |
2 & 3 |
2 & 3 |
|
Note: Pins designated should be in the closed position. |
||||||
|
CPU SPEED SELECTION (IBM 6X86MX) |
|||||
|
CPU speed |
Clock speed |
Multiplier |
BF0 |
BF1 |
BF2 |
|
166MHz |
60MHz |
2.5x |
2 & 3 |
2 & 3 |
Open |
|
200MHz |
66MHz |
2.5x |
2 & 3 |
2 & 3 |
Open |
|
233MHz |
66MHz |
3x |
1 & 2 |
2 & 3 |
Open |
|
Note: Pins designated should be in the closed position. |
|||||
|
CPU SPEED SELECTION (IBM 6X86MX, CON'T) |
||||||
|
CPU speed |
Clock speed |
Multiplier |
FS0 |
FS1 |
FS2 |
FS3 |
|
166MHz |
60MHz |
2.5x |
2 & 3 |
2 & 3 |
2 & 3 |
2 & 3 |
|
200MHz |
66MHz |
2.5x |
1 & 2 |
2 & 3 |
2 & 3 |
2 & 3 |
|
233MHz |
66MHz |
3x |
1 & 2 |
2 & 3 |
2 & 3 |
2 & 3 |
|
Note: Pins designated should be in the closed position. |
||||||
|
CPU SPEED SELECTION (CX MII) |
|||||
|
CPU speed |
Clock speed |
Multiplier |
BF0 |
BF1 |
BF2 |
|
300MHz |
66MHz |
3.5x |
1 & 2 |
1 & 2 |
Open |
|
300MHz |
75MHz |
3x |
1 & 2 |
2 & 3 |
Open |
|
333MHz |
83MHz |
3x |
1 & 2 |
2 & 3 |
Open |
|
Note: Pins designated should be in the closed position. |
|||||
|
CPU SPEED SELECTION (IBM MII, CON'T) |
||||||
|
CPU speed |
Clock speed |
Multiplier |
FS0 |
FS1 |
FS2 |
FS3 |
|
300MHz |
66MHz |
3.5x |
1 & 2 |
2 & 3 |
2 & 3 |
2 & 3 |
|
300MHz |
75MHz |
3x |
1 & 2 |
1 & 2 |
2 & 3 |
2 & 3 |
|
333MHz |
83MHz |
3x |
1 & 2 |
2 & 3 |
1 & 2 |
2 & 3 |
|
Note: Pins designated should be in the closed position. |
||||||
|
CPU SPEED SELECTION (IBM MII) |
|||||
|
CPU speed |
Clock speed |
Multiplier |
BF0 |
BF1 |
BF2 |
|
300MHz |
66MHz |
3.5x |
1 & 2 |
1 & 2 |
Open |
|
300MHz |
75MHz |
3x |
1 & 2 |
2 & 3 |
Open |
|
333MHz |
83MHz |
3x |
1 & 2 |
2 & 3 |
Open |
|
Note: Pins designated should be in the closed position. |
|||||
|
CPU SPEED SELECTION (CX MII, CON'T) |
||||||
|
CPU speed |
Clock speed |
Multiplier |
FS0 |
FS1 |
FS2 |
FS3 |
|
300MHz |
66MHz |
3.5x |
1 & 2 |
2 & 3 |
2 & 3 |
2 & 3 |
|
300MHz |
75MHz |
3x |
1 & 2 |
1 & 2 |
2 & 3 |
2 & 3 |
|
333MHz |
83MHz |
3x |
1 & 2 |
2 & 3 |
1 & 2 |
2 & 3 |
|
Note: Pins designated should be in the closed position. |
||||||
|
CPU SPEED SELECTION (AM K5) |
|||||
|
CPU speed |
Clock speed |
Multiplier |
BF0 |
BF1 |
BF2 |
|
90MHz |
60MHz |
1.5x |
1 & 2 |
1 & 2 |
Open |
|
100MHz |
66MHz |
1.5x |
1 & 2 |
1 & 2 |
Open |
|
120MHz |
60MHz |
1.5x |
1 & 2 |
1 & 2 |
Open |
|
133MHz |
66MHz |
1.5x |
1 & 2 |
1 & 2 |
Open |
|
Note: Pins designated should be in the closed position. |
|||||
|
CPU SPEED SELECTION (AM K5, CON'T) |
||||||
|
CPU speed |
Clock speed |
Multiplier |
FS0 |
FS1 |
FS2 |
FS3 |
|
90MHz |
60MHz |
1.5x |
2 & 3 |
2 & 3 |
2 & 3 |
2 & 3 |
|
100MHz |
66MHz |
1.5x |
1 & 2 |
2 & 3 |
2 & 3 |
2 & 3 |
|
120MHz |
60MHz |
1.5x |
2 & 3 |
2 & 3 |
2 & 3 |
2 & 3 |
|
133MHz |
66MHz |
1.5x |
1 & 2 |
2 & 3 |
2 & 3 |
2 & 3 |
|
Note: Pins designated should be in the closed position. |
||||||
|
CPU SPEED SELECTION (AM K6) |
|||||
|
CPU speed |
Clock speed |
Multiplier |
BF0 |
BF1 |
BF2 |
|
166MHz |
66MHz |
2.5x |
2 & 3 |
2 & 3 |
Open |
|
200MHz |
66MHz |
3x |
1 & 2 |
2 & 3 |
Open |
|
233MHz |
66MHz |
3.5x |
1 & 2 |
1 & 2 |
Open |
|
266MHz |
66MHz |
4x |
2 & 3 |
1 & 2 |
2 & 3 |
|
300MHz |
66MHz |
4.5x |
2 & 3 |
2 & 3 |
2 & 3 |
|
Note: Pins designated should be in the closed position. |
|||||
|
CPU SPEED SELECTION (AM K6, CON'T) |
||||||
|
CPU speed |
Clock speed |
Multiplier |
FS0 |
FS1 |
FS2 |
FS3 |
|
166MHz |
66MHz |
2.5x |
1 & 2 |
2 & 3 |
2 & 3 |
2 & 3 |
|
200MHz |
66MHz |
3x |
1 & 2 |
2 & 3 |
2 & 3 |
2 & 3 |
|
233MHz |
66MHz |
3.5x |
1 & 2 |
2 & 3 |
2 & 3 |
2 & 3 |
|
266MHz |
66MHz |
4x |
1 & 2 |
2 & 3 |
2 & 3 |
2 & 3 |
|
300MHz |
66MHz |
4.5x |
1 & 2 |
2 & 3 |
2 & 3 |
2 & 3 |
|
Note: Pins designated should be in the closed position. |
||||||
|
CPU SPEED SELECTION (AM K6-2) |
|||||
|
CPU speed |
Clock speed |
Multiplier |
BF0 |
BF1 |
BF2 |
|
266MHz |
66MHz |
4x |
2 & 3 |
1 & 2 |
2 & 3 |
|
300MHz |
100MHz |
3x |
1 & 2 |
2 & 3 |
Open |
|
333MHz |
95MHz |
3.5x |
1 & 2 |
1 & 2 |
Open |
|
350MHz |
100MHz |
3.5x |
1 & 2 |
1 & 2 |
Open |
|
Note: Pins designated should be in the closed position. |
|||||
|
CPU SPEED SELECTION (AM K6-2, CON'T) |
||||||
|
CPU speed |
Clock speed |
Multiplier |
FS0 |
FS1 |
FS2 |
FS3 |
|
266MHz |
66MHz |
4x |
1 & 2 |
2 & 3 |
2 & 3 |
2 & 3 |
|
300MHz |
100MHz |
3x |
1 & 2 |
1 & 2 |
1 & 2 |
2 & 3 |
|
333MHz |
95MHz |
3.5x |
2 & 3 |
1 & 2 |
1 & 2 |
2 & 3 |
|
350MHz |
100MHz |
3.5x |
1 & 2 |
1 & 2 |
1 & 2 |
2 & 3 |
|
Note: Pins designated should be in the closed position. |
||||||
|
CPU SPEED SELECTION (INTEL) |
|||||
|
CPU speed |
Clock speed |
Multiplier |
BF0 |
BF1 |
BF2 |
|
90MHz |
60MHz |
1.5x |
1 & 2 |
1 & 2 |
Open |
|
100MHz |
66MHz |
1.5x |
1 & 2 |
1 & 2 |
Open |
|
120MHz |
60MHz |
2x |
2 & 3 |
1 & 2 |
Open |
|
133MHz |
66MHz |
2x |
2 & 3 |
1 & 2 |
Open |
|
150MHz |
60MHz |
2.5x |
2 & 3 |
2 & 3 |
Open |
|
166MHz |
66MHz |
2.5x |
2 & 3 |
2 & 3 |
Open |
|
Note: Pins designated should be in the closed position. |
|||||
|
CPU SPEED SELECTION (INTEL, CON'T) |
||||||
|
CPU speed |
Clock speed |
Multiplier |
FS0 |
FS1 |
FS2 |
FS3 |
|
90MHz |
60MHz |
1.5x |
2 & 3 |
2 & 3 |
2 & 3 |
2 & 3 |
|
100MHz |
66MHz |
1.5x |
1 & 2 |
2 & 3 |
2 & 3 |
2 & 3 |
|
120MHz |
60MHz |
2x |
2 & 3 |
2 & 3 |
2 & 3 |
2 & 3 |
|
133MHz |
66MHz |
2x |
1 & 2 |
2 & 3 |
2 & 3 |
2 & 3 |
|
150MHz |
60MHz |
2.5x |
2 & 3 |
2 & 3 |
2 & 3 |
2 & 3 |
|
166MHz |
66MHz |
2.5x |
1 & 2 |
2 & 3 |
2 & 3 |
2 & 3 |
|
Note: Pins designated should be in the closed position. |
||||||
|
CPU SPEED SELECTION (INTEL MMX) |
|||||
|
CPU speed |
Clock speed |
Multiplier |
BF0 |
BF1 |
BF2 |
|
166MHz |
66MHz |
2.5x |
2 & 3 |
2 & 3 |
Open |
|
200MHz |
66MHz |
3x |
1 & 2 |
2 & 3 |
Open |
|
233MHz |
66MHz |
3.5x |
1 & 2 |
1 & 2 |
Open |
|
Note: Pins designated should be in the closed position. |
|||||
|
CPU SPEED SELECTION (INTEL MMX, CON'T) |
||||||
|
CPU speed |
Clock speed |
Multiplier |
FS0 |
FS1 |
FS2 |
FS3 |
|
166MHz |
66MHz |
2.5x |
1 & 2 |
2 & 3 |
2 & 3 |
2 & 3 |
|
200MHz |
66MHz |
3x |
1 & 2 |
2 & 3 |
2 & 3 |
2 & 3 |
|
233MHz |
66MHz |
3.5x |
1 & 2 |
2 & 3 |
2 & 3 |
2 & 3 |
|
Note: Pins designated should be in the closed position. |
||||||
|
CPU VOLTAGE SELECTION (SINGLE) |
||||
|
Voltage |
VID0 |
VID1 |
VID2 |
VID3 |
|
3.4v |
Pins 1 & 2 closed |
Pins 2 & 3 closed |
Pins 2 & 3 closed |
Pins 2 & 3 closed |
|
3.5v |
Pins 2 & 3 closed |
Pins 2 & 3 closed |
Pins 2 & 3 closed |
Pins 2 & 3 closed |
|
CPU VOLTAGE SELECTION (DUAL) |
||||
|
Voltage |
VID0 |
VID1 |
VID2 |
VID3 |
|
2.2v |
Pins 1 & 2 closed |
Pins 2 & 3 closed |
Pins 1 & 2 closed |
Pins 1 & 2 closed |
|
2.8v |
Pins 1 & 2 closed |
Pins 1 & 2 closed |
Pins 1 & 2 closed |
Pins 2 & 3 closed |
|
2.9v |
Pins 2 & 3 closed |
Pins 1 & 2 closed |
Pins 1 & 2 closed |
Pins 2 & 3 closed |
|
3.2v |
Pins 1 & 2 closed |
Pins 1 & 2 closed |
Pins 2 & 3 closed |
Pins 2 & 3 closed |