ACHME COMPUTER, INC.
MS-6109
|
Processor |
Pentium II |
|
Processor Speed |
233/266MHz |
|
Chip Set |
Intel |
|
Video Chip Set |
None |
|
Maximum Onboard Memory |
1GB (EDO supported) |
|
Maximum Video Memory |
None |
|
Cache |
256/512KB (located on Pentium II CPU) |
|
BIOS |
Award |
|
Dimensions |
305mm x 245mm |
|
I/O Options |
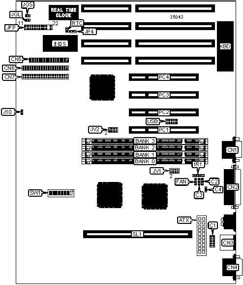
32-bit PCI slots (4), floppy drive interface, green PC connector, IDE interfaces (2), parallel port, PS/2 mouse port, serial ports (2), IR connector, USB connector, ATX power connector, CPU Slot 1 |
|
NPU Options |
None |
|
CONNECTIONS | |||
|
Purpose |
Location |
Purpose |
Location |
|
ATX power connector |
ATX |
Power LED & keylock |
JFP/pins 1 - 5 |
|
Serial port 2 |
CN1 |
Speaker |
JFP/pins 7 - 10 |
|
Parallel port |
CN2 |
Turbo LED |
JFP/pins 12 & 13 |
|
PS/2 mouse port |
CN3 |
Reset switch |
JFP/pins 19 & 20 |
|
Serial port 1 |
CN4 |
IDE interface LED |
JFP/pins 21 & 22 |
|
Floppy drive interface |
CN5 |
Green PC LED |
JGL |
|
IDE interface 2 |
CN6 |
Green PC connector |
JGS |
|
IDE interface 1 |
CN7 |
32-bit PCI slots |
PC1 – PC4 |
|
Chassis fan power |
FAN |
CPU Slot 1 |
SL1 |
|
IR connector |
IR1 |
USB connector |
USB |
|
Soft off power supply |
J10 | ||
|
USER CONFIGURABLE SETTINGS | |||
|
Function |
Label |
Position | |
|
» |
Factory configured - do not alter |
C1 |
Unidentified |
|
» |
Factory configured - do not alter |
C2 |
Unidentified |
|
» |
Factory configured - do not alter |
C3 |
Unidentified |
|
» |
Factory configured - do not alter |
C4 |
Unidentified |
|
» |
Factory configured - do not alter (flash BIOS voltage) |
JP4 |
Unidentified |
|
» |
CMOS memory normal operation |
RTC |
Open |
|
CMOS memory clear |
RTC |
Closed | |
|
DIMM CONFIGURATION | ||||
|
Size |
Bank 0 |
Bank 1 |
Bank 2 |
Bank 3 |
|
8MB |
(1) 1M x 64 |
None |
None |
None |
|
16MB |
(1) 1M x 64 |
(1) 1M x 64 |
None |
None |
|
16MB |
(1) 2M x 64 |
None |
None |
None |
|
24MB |
(1) 1M x 64 |
(1) 1M x 64 |
(1) 1M x 64 |
None |
|
32MB |
(1) 1M x 64 |
(1) 1M x 64 |
(1) 1M x 64 |
(1) 1M x 64 |
|
32MB |
(1) 2M x 64 |
(1) 2M x 64 |
None |
None |
|
32MB |
(1) 4M x 64 |
None |
None |
None |
|
48MB |
(1) 2M x 64 |
(1) 2M x 64 |
(1) 2M x 64 |
None |
|
64MB |
(1) 2M x 64 |
(1) 2M x 64 |
(1) 2M x 64 |
(1) 2M x 64 |
|
64MB |
(1) 4M x 64 |
(1) 4M x 64 |
None |
None |
|
64MB |
(1) 8M x 64 |
None |
None |
None |
|
96MB |
(1) 4M x 64 |
(1) 4M x 64 |
(1) 4M x 64 |
None |
|
128MB |
(1) 4M x 64 |
(1) 4M x 64 |
(1) 4M x 64 |
(1) 4M x 64 |
|
128MB |
(1) 8M x 64 |
(1) 8M x 64 |
None |
None |
|
128MB |
(1) 16M x 64 |
None |
None |
None |
|
DIMM CONFIGURATION (CON’T) | ||||
|
Size |
Bank 0 |
Bank 1 |
Bank 2 |
Bank 3 |
|
192MB |
(1) 8M x 64 |
(1) 8M x 64 |
(1) 8M x 64 |
None |
|
256MB |
(1) 8M x 64 |
(1) 8M x 64 |
(1) 8M x 64 |
(1) 8M x 64 |
|
256MB |
(1) 16M x 64 |
(1) 16M x 64 |
None |
None |
|
256MB |
(1) 32M x 64 |
None |
None |
None |
|
384MB |
(1) 16M x 64 |
(1) 16M x 64 |
(1) 16M x 64 |
None |
|
512MB |
(1) 16M x 64 |
(1) 16M x 64 |
(1) 16M x 64 |
(1) 16M x 64 |
|
512MB |
(1) 32M x 64 |
(1) 32M x 64 |
None |
None |
|
768MB |
(1) 32M x 64 |
(1) 32M x 64 |
(1) 32M x 64 |
None |
|
1GB |
(1) 32M x 64 |
(1) 32M x 64 |
(1) 32M x 64 |
(1) 32M x 64 |
|
Note: Board accepts EDO memory. Board will not accept SDRAM. | ||||
|
DIMM VOLTAGE CONFIGURATION | ||
|
Voltage |
JV1 |
JV2 |
|
3.3v |
1 & 2, 3 & 4, 5 & 6, 7 & 8 |
Open |
|
5v |
Open |
1 & 2, 3 & 4, 5 & 6, 7 & 8 |
|
CACHE CONFIGURATION |
|
Note: 256KB/512KB cache is located on the Pentium II CPU. |
|
CPU SPEED SELECTION | ||||||
|
CPU speed |
Clock speed |
Multiplier |
SW1/1 |
SW1/2 |
SW1/3 |
SW1/4 |
|
233MHz |
66MHz |
4x |
On |
On |
Off |
Off |
|
266MHz |
66MHz |
4.5x |
On |
On |
Off |
Off |
|
CPU SPEED SELECTION (CON’T) | ||||||
|
CPU speed |
Clock speed |
Multiplier |
SW1/5 |
SW1/6 |
SW1/7 |
SW1/8 |
|
233MHz |
66MHz |
4x |
On |
Off |
Off |
On |
|
266MHz |
66MHz |
4.5x |
On |
On |
On |
Off |