AST RESEARCH, INC.
MANHATTAN P PENTIUM
(202620-001, 002, 011, 012)
|
Processor |
Pentium |
|
Processor Speed |
90/100/133MHz |
|
Chip Set |
Unidentified |
|
Max. Onboard DRAM |
256MB |
|
Cache |
256/512KB |
|
BIOS |
Unidentified |
|
Dimensions |
330mm x 218mm |
|
I/O Options |
32-bit PCI slots (2), CPU slot, floppy drive interface, SCSI interfaces (4), parallel port, PS/2 mouse port, serial ports (2), 8514 video pass through connector, VGA port |
|
NPU Options |
None |

|
CONNECTIONS |
|||
|
Purpose |
Location |
Purpose |
Location |
|
PS/2 mouse port |
CN1 |
Chassis fan power |
J28A |
|
Serial port |
CN2 |
Front panel connector |
J29 |
|
Serial port |
CN3 |
SCSI interface LED |
J35 |
|
Parallel port |
CN4 |
Internal SCSI interface channel 1 |
J56A |
|
VGA port |
CN5 |
External SCSI interface channel 1 |
J56B |
|
System management interface |
J14 |
Internal SCSI interface channel 2 |
J57A |
|
Remote power connector |
J15 |
External SCSI interface channel 2 |
J57B |
|
8514 video pass through connector |
J19 |
XP interface board connector |
J58 |
|
Floppy drive interface |
J24 |
32-bit PCI slots |
PC1 & PC2 |
|
External battery |
J26 |
CPU slot |
SL1 |
|
Speaker |
J27 |
|
|
|
USER CONFIGURABLE SETTINGS |
|||
|
Function |
Jumper/Switch |
Position |
|
|
» |
CMOS memory normal operation |
E1 |
Open |
|
|
CMOS memory clear |
E1 |
Closed |
|
» |
Factory configured - do not alter |
J30 |
N/A |
|
» |
Flash BIOS normal operation |
SW1/1 |
Off |
|
|
Flash BIOS force update at boot |
SW1/1 |
On |
|
» |
Password enabled |
SW1/2 |
Off |
|
|
Password disabled |
SW1/2 |
On |
|
» |
Monitor type select color |
SW1/3 |
Off |
|
|
Monitor type select monochrome |
SW1/3 |
On |
|
» |
EISA CMOS memory normal operation |
SW1/4 |
Off |
|
|
EISA CMOS memory clear |
SW1/4 |
On |
|
» |
Setup access enabled |
SW1/5 |
Off |
|
|
Setup access disabled |
SW1/5 |
On |
|
» |
Factory configured - do not alter |
SW2 |
N/A |

|
CONNECTIONS |
|||
|
Purpose |
Location |
Purpose |
Location |
|
Chassis fan power |
J2 |
Chassis fan power |
J3 |
|
USER CONFIGURABLE SETTINGS |
|||
|
Function |
Switch |
Position |
|
|
» |
Factory configured - do not alter |
SW1 |
N/A |
|
DRAM CONFIGURATION |
||||
|
Size |
Bank 0 |
Bank 1 |
Bank 2 |
Bank 3 |
|
16MB |
(2) 2M x 36 |
NONE |
NONE |
NONE |
|
32MB |
(2) 2M x 36 |
(2) 2M x 36 |
NONE |
NONE |
|
32MB |
(2) 4M x 36 |
NONE |
NONE |
NONE |
|
48MB |
(2) 4M x 36 |
(2) 2M x 36 |
NONE |
NONE |
|
64MB |
(2) 2M x 36 |
(2) 2M x 36 |
(2) 4M x 36 |
NONE |
|
64MB |
(2) 8M x 36 |
NONE |
NONE |
NONE |
|
80MB |
(2) 2M x 36 |
(2) 4M x 36 |
(2) 4M x 36 |
NONE |
|
80MB |
(2) 8M x 36 |
(2) 2M x 36 |
NONE |
NONE |
|
80MB |
(2) 4M x 36 |
(2) 2M x 36 |
(2) 4M x 36 |
NONE |
|
96MB |
(2) 2M x 36 |
(2) 2M x 36 |
(2) 4M x 36 |
(2) 4M x 36 |
|
96MB |
(2) 2M x 36 |
(2) 2M x 36 |
(2) 8M x 36 |
NONE |
|
96MB |
(2) 4M x 36 |
(2) 4M x 36 |
(2) 4M x 36 |
NONE |
|
112MB |
(2) 2M x 36 |
(2) 4M x 36 |
(2) 4M x 36 |
(2) 4M x 36 |
|
112MB |
(2) 2M x 36 |
(2) 4M x 36 |
(2) 8M x 36 |
NONE |
|
112MB |
(2) 2M x 36 |
(2) 8M x 36 |
(2) 4M x 36 |
NONE |
|
112MB |
(2) 8M x 36 |
(2) 2M x 36 |
(2) 4M x 36 |
NONE |
|
112MB |
(2) 4M x 36 |
(2) 2M x 36 |
(2) 4M x 36 |
(2) 4M x 36 |
|
DRAM CONFIGURATION (CON'T) |
||||
|
Size |
Bank 0 |
Bank 1 |
Bank 2 |
Bank 3 |
|
112MB |
(2) 4M x 36 |
(2) 2M x 36 |
(2) 8M x 36 |
NONE |
|
128MB |
(2) 2M x 36 |
(2) 2M x 36 |
(2) 4M x 36 |
(2) 8M x 36 |
|
128MB |
(2) 2M x 36 |
(2) 2M x 36 |
(2) 8M x 36 |
(2) 4M x 36 |
|
128MB |
(2) 8M x 36 |
(2) 4M x 36 |
(2) 4M x 36 |
NONE |
|
128MB |
(2) 4M x 36 |
(2) 4M x 36 |
(2) 4M x 36 |
(2) 4M x 36 |
|
128MB |
(2) 4M x 36 |
(2) 4M x 36 |
(2) 8M x 36 |
NONE |
|
128MB |
(2) 4M x 36 |
(2) 8M x 36 |
(2) 4M x 36 |
NONE |
|
144MB |
(2) 2M x 36 |
(2) 4M x 36 |
(2) 4M x 36 |
(2) 8M x 36 |
|
144MB |
(2) 2M x 36 |
(2) 4M x 36 |
(2) 8M x 36 |
(2) 4M x 36 |
|
144MB |
(2) 2M x 36 |
(2) 8M x 36 |
(2) 4M x 36 |
(2) 4M x 36 |
|
144MB |
(2) 2M x 36 |
(2) 8M x 36 |
(2) 8M x 36 |
NONE |
|
144MB |
(2) 8M x 36 |
(2) 2M x 36 |
(2) 4M x 36 |
(2) 4M x 36 |
|
144MB |
(2) 8M x 36 |
(2) 2M x 36 |
(2) 8M x 36 |
NONE |
|
144MB |
(2) 4M x 36 |
(2) 2M x 36 |
(2) 4M x 36 |
(2) 8M x 36 |
|
144MB |
(2) 4M x 36 |
(2) 2M x 36 |
(2) 8M x 36 |
(2) 4M x 36 |
|
160MB |
(2) 2M x 36 |
(2) 2M x 36 |
(2) 8M x 36 |
(2) 8M x 36 |
|
160MB |
(2) 8M x 36 |
(2) 4M x 36 |
(2) 4M x 36 |
(2) 4M x 36 |
|
160MB |
(2) 8M x 36 |
(2) 4M x 36 |
(2) 8M x 36 |
NONE |
|
160MB |
(2) 8M x 36 |
(2) 8M x 36 |
(2) 4M x 36 |
NONE |
|
160MB |
(2) 4M x 36 |
(2) 4M x 36 |
(2) 4M x 36 |
(2) 8M x 36 |
|
160MB |
(2) 4M x 36 |
(2) 4M x 36 |
(2) 8M x 36 |
(2) 4M x 36 |
|
160MB |
(2) 4M x 36 |
(2) 8M x 36 |
(2) 4M x 36 |
(2) 4M x 36 |
|
160MB |
(2) 4M x 36 |
(2) 8M x 36 |
(2) 8M x 36 |
NONE |
|
176MB |
(2) 2M x 36 |
(2) 4M x 36 |
(2) 8M x 36 |
(2) 8M x 36 |
|
176MB |
(2) 2M x 36 |
(2) 8M x 36 |
(2) 4M x 36 |
(2) 8M x 36 |
|
176MB |
(2) 2M x 36 |
(2) 8M x 36 |
(2) 8M x 36 |
(2) 4M x 36 |
|
176MB |
(2) 8M x 36 |
(2) 2M x 36 |
(2) 4M x 36 |
(2) 8M x 36 |
|
176MB |
(2) 8M x 36 |
(2) 2M x 36 |
(2) 8M x 36 |
(2) 4M x 36 |
|
176MB |
(2) 4M x 36 |
(2) 2M x 36 |
(2) 8M x 36 |
(2) 8M x 36 |
|
192MB |
(2) 8M x 36 |
(2) 4M x 36 |
(2) 4M x 36 |
(2) 8M x 36 |
|
192MB |
(2) 8M x 36 |
(2) 4M x 36 |
(2) 8M x 36 |
(2) 4M x 36 |
|
192MB |
(2) 8M x 36 |
(2) 8M x 36 |
(2) 4M x 36 |
(2) 4M x 36 |
|
192MB |
(2) 8M x 36 |
(2) 8M x 36 |
(2) 8M x 36 |
NONE |
|
192MB |
(2) 4M x 36 |
(2) 4M x 36 |
(2) 8M x 36 |
(2) 8M x 36 |
|
192MB |
(2) 4M x 36 |
(2) 8M x 36 |
(2) 4M x 36 |
(2) 8M x 36 |
|
192MB |
(2) 4M x 36 |
(2) 8M x 36 |
(2) 8M x 36 |
(2) 4M x 36 |
|
208MB |
(2) 2M x 36 |
(2) 8M x 36 |
(2) 8M x 36 |
(2) 8M x 36 |
|
208MB |
(2) 8M x 36 |
(2) 2M x 36 |
(2) 8M x 36 |
(2) 8M x 36 |
|
224MB |
(2) 8M x 36 |
(2) 4M x 36 |
(2) 8M x 36 |
(2) 8M x 36 |
|
224MB |
(2) 8M x 36 |
(2) 8M x 36 |
(2) 4M x 36 |
(2) 8M x 36 |
|
224MB |
(2) 8M x 36 |
(2) 8M x 36 |
(2) 8M x 36 |
(2) 4M x 36 |
|
224MB |
(2) 4M x 36 |
(2) 8M x 36 |
(2) 8M x 36 |
(2) 8M x 36 |
|
256MB |
(2) 8M x 36 |
(2) 8M x 36 |
(2) 8M x 36 |
(2) 8M x 36 |
|
CACHE CONFIGURATION |
|
Note: 256/512KB cache is factory installed and is not configurable. 256KB on 90MHz board & 512KB on 100MHz board |
|
VIDEO MEMORY CONFIGURATION |
|
512KB is factory installed and is not configurable. |

|
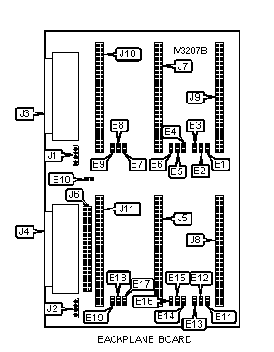
CONNECTIONS |
|||
|
Purpose |
Location |
Purpose |
Location |
|
Power connector |
J1 |
SCSI drive tray connector |
J7 |
|
Power connector |
J2 |
SCSI drive tray connector |
J8 |
|
SCSI cable connector (J7, J9, J10) |
J3 |
SCSI drive tray connector |
J9 |
|
SCSI cable connector (J5, J8, J11) |
J4 |
SCSI drive tray connector |
J10 |
|
SCSI drive tray connector |
J5 |
SCSI drive tray connector |
J11 |
|
SCSI CHAIN CONFIGURATION |
||
|
Setting |
E10 |
J6 |
|
Single chain |
Open |
Closed |
|
Double chain |
Closed |
Open |
|
SCSI ID CONFIGURATION (J9 DRIVE) |
|||
|
ID |
E1 |
E2 |
E3 |
|
0 |
Open |
Open |
Open |
|
1 |
Closed |
Open |
Open |
|
2 |
Open |
Closed |
Open |
|
3 |
Open |
Closed |
Closed |
|
4 |
Closed |
Open |
Open |
|
5 |
Closed |
Open |
Closed |
|
6 |
Closed |
Closed |
Open |
|
7 |
Closed |
Closed |
Closed |
|
SCSI ID CONFIGURATION (J7 DRIVE) |
|||
|
ID |
E4 |
E5 |
E6 |
|
0 |
Open |
Open |
Open |
|
1 |
Closed |
Open |
Open |
|
2 |
Open |
Closed |
Open |
|
3 |
Open |
Closed |
Closed |
|
4 |
Closed |
Open |
Open |
|
5 |
Closed |
Open |
Closed |
|
6 |
Closed |
Closed |
Open |
|
7 |
Closed |
Closed |
Closed |
|
SCSI ID CONFIGURATION (J10 DRIVE) |
|||
|
ID |
E7 |
E8 |
E9 |
|
0 |
Open |
Open |
Open |
|
1 |
Closed |
Open |
Open |
|
2 |
Open |
Closed |
Open |
|
3 |
Open |
Closed |
Closed |
|
4 |
Closed |
Open |
Open |
|
5 |
Closed |
Open |
Closed |
|
6 |
Closed |
Closed |
Open |
|
7 |
Closed |
Closed |
Closed |
|
SCSI ID CONFIGURATION (J8 DRIVE) |
|||
|
ID |
E11 |
E12 |
E13 |
|
0 |
Open |
Open |
Open |
|
1 |
Closed |
Open |
Open |
|
2 |
Open |
Closed |
Open |
|
3 |
Open |
Closed |
Closed |
|
4 |
Closed |
Open |
Open |
|
5 |
Closed |
Open |
Closed |
|
6 |
Closed |
Closed |
Open |
|
7 |
Closed |
Closed |
Closed |
|
SCSI ID CONFIGURATION (J5 DRIVE) |
|||
|
ID |
e14 |
e15 |
e16 |
|
0 |
Open |
Open |
Open |
|
1 |
Closed |
Open |
Open |
|
2 |
Open |
Closed |
Open |
|
3 |
Open |
Closed |
Closed |
|
4 |
Closed |
Open |
Open |
|
5 |
Closed |
Open |
Closed |
|
6 |
Closed |
Closed |
Open |
|
7 |
Closed |
Closed |
Closed |
|
SCSI ID CONFIGURATION (J11 DRIVE) |
|||
|
ID |
e17 |
e18 |
e19 |
|
0 |
Open |
Open |
Open |
|
1 |
Closed |
Open |
Open |
|
2 |
Open |
Closed |
Open |
|
3 |
Open |
Closed |
Closed |
|
4 |
Closed |
Open |
Open |
|
5 |
Closed |
Open |
Closed |
|
6 |
Closed |
Closed |
Open |
|
7 |
Closed |
Closed |
Closed |