MIRO COMPUTER PRODUCTS, INC.
MIROMEDIA SURROUND
|
Card Type |
Sound card |
|
Chip Set |
Unidentified |
|
Maximum Onboard Memory |
Unidentified |
|
I/O Options |
Audio in, stereo in, stereo out, surround out (4) |
|
Data Bus |
8-bit ISA |
|
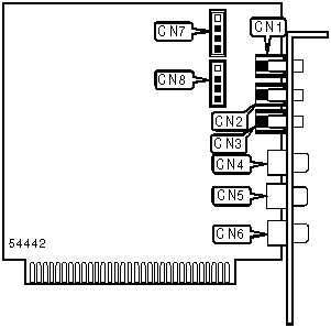
CONNECTIONS | |||
|
Function |
Label |
Function |
Label |
|
Stereo input (left and right) |
CN1 |
Surround output |
CN5 |
|
Stereo output (left and right) |
CN2 |
Center output |
CN6 |
|
Surround output (left and right rear) |
CN3 |
Internal audio input |
CN7 |
|
Surround output |
CN4 |
Internal audio output |
CN8 |