WESTERN DIGITAL CORPORATION
WD1002A-FOX
|
| |
|
Data bus: |
8-bit, ISA |
|
Size: |
Half-length, half-height card |
|
Hard drive supported: |
N/A |
|
Floppy drives supported: |
Two 360KB, 1.2MB drives or floppy tape drives |
|
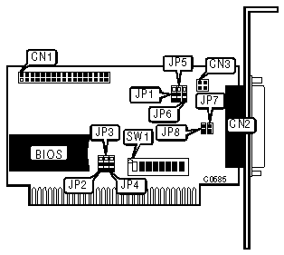
CONNECTIONS | |
|
Function |
Location |
|
34-pin connector - floppy drive internal |
CN1 |
|
37-pin floppy disk drive port |
CN2 |
|
4-pin power suppy for external drives |
CN3 |
|
USER CONFIGURABLE SETTINGS | ||
|
Function |
Location |
Setting |
|
High density ground return for external drive |
JP1 |
pins 1 & 2 closed |
|
Standard ground return for external drive |
JP1 |
pins 2 & 3 closed |
|
Primary address - (320 - 323) |
JP4 |
pins 1 & 2 closed |
|
Secondary address - (328 - 32B) |
JP4 |
pins 2 & 3 closed |
|
+5V tied to (CN2) pin 4 for external drive |
JP5 |
pins 1 & 2 closed |
|
No connection via pin 4 for external drive |
JP5 |
pins 2 & 3 closed |
|
+12V tied to (CN2) pin 1 for external drive |
JP6 |
pins 1 & 2 closed |
|
No connection via pin 1 for external drive |
JP6 |
pins 2 & 3 closed |
|
Dual speed spinde option - enabled |
JP7 |
closed |
|
Dual speed spinde option - disabled |
JP7 |
open |
|
Ground tied to chassis ground - enabled |
JP8 |
closed |
|
Ground tied to chassis ground - disabled |
JP8 |
open |
|
BIOS ADDRESS | ||
|
Setting |
JP2 |
JP3 |
|
EE000 - EFFFFh |
pins 2 & 3 closed |
Pins 2 & 3 closed |
|
CE000 - CFFFFh |
pins 2 & 3 closed |
pins 1 & 2 closed |
|
EC000 - EDFFFh |
pins 1 & 2 closed |
pins 2 & 3 closed |
|
CC000 - CDFFFh |
pins 1 & 2 closed |
pins 1 & 2 closed |
|
DRIVE 1 TYPE SELECT | ||
|
Setting |
SW1/1 |
SW1/2 |
|
360KB |
off |
off |
|
1.2MB |
off |
on |
|
720KB |
on |
off |
|
1.44MB |
on |
on |
|
DRIVE 2 TYPE SELECT | ||
|
Setting |
SW1/3 |
SW1/4 |
|
360KB |
off |
off |
|
1.2MB |
off |
on |
|
720KB |
on |
off |
|
1.44MB |
on |
on |
|
DRIVE 3 TYPE SELECT | ||
|
Setting |
SW1/5 |
SW1/6 |
|
360KB |
off |
off |
|
1.2MB |
off |
on |
|
720KB |
on |
off |
|
1.44MB |
on |
on |
|
DRIVE 4 TYPE SELECT | ||
|
Setting |
SW1/7 |
SW1/8 |
|
360KB |
off |
off |
|
1.2MB |
off |
on |
|
720KB |
on |
off |
|
1.44MB |
on |
on |