KOUWELL ELECTRONIC CORPORATION
KW-801V25A, KW-801V75
|
Card Type |
Hard drive controller card |
|
Maximum Onboard Memory |
4KB (Internal) |
|
Hard Drives supported |
Up to 15 Fast & Wide devices (KW-801V25A) Up to 15 Ultra SCSI Wide devices (KW-801V75) |
|
Floppy drives supported |
None |
|
Data Bus |
32-bit PCI |
|
Card Size |
Half-length, full-height card |
|
CONNECTIONS | |||
|
Function |
Location |
Function |
Location |
|
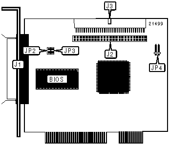
68-pin SCSI connector - external |
J1 |
68-pin SCSI connector - internal |
J3 |
|
50-pin SCSI connector - internal |
J2 |
2-pin connector - drive active LED |
JP4 |
|
TERMINATION CONFIGURATION | |||
|
Devices installed |
Connectors Used |
JP2 |
JP3 |
|
External Wide & Internal Narrow |
J1 & J2 |
Open |
Closed |
|
External Wide & Internal Wide |
J1 & J3 |
Open |
Closed |
|
Internal Narrow & Internal Wide |
J2 & J3 |
Open |
Open |
|
External only |
J1 |
Closed |
Closed |
|
Internal only |
J2 |
Closed |
Closed |
|
Internal only |
J3 |
Closed |
Closed |
|
MISCELLANEOUS TECHNICAL NOTES |
|
Only two SCSI connectors (J1 & J2, J2 & J3 or J3 & J1) may be used at one time. |